2023年, 第44卷, 第01期 刊出日期:2023-01-05
  

  • 全选
    |
    结构抗灾及减灾专题
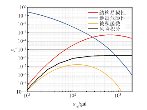
  • 张萌, 潘华
    建筑结构学报. 2023, 44(01): 1-9. https://doi.org/10.14006/j.jzjgxb.2021.0317
    摘要 ( ) PDF全文 ( )   可视化   收藏
    基于一致倒塌风险的抗震设计可使不同地区的建筑物在一定时期内达到倒塌风险一致。为了对中国大陆地区建筑结构基于一致倒塌风险的设计地震动的确定进行研究,介绍了一致风险地震动的基本概念及通过设计因子法获取一致风险地震动的原理,并对中国大陆地区一般建筑结构基于一致倒塌风险的地震动计算时采用的结构易损性标准差、目标倒塌风险和设计地震动对应的倒塌概率的合理取值进行分析,结果表明,以一致危险性地震动设防的中国大陆不同地区的一般建筑结构不能达到一致倒塌风险。基于给定的输入参数,使用设计因子法得到了中国大陆基于一致倒塌风险的地震动与当前地震动参数区划图中50年超越概率10%地震动的比值(称为设计因子)的分布,并对不同的输入参数对设计因子的影响进行了分析,发现设计因子与地震动参数有很强的相关性,进而给出了适用于中国大陆的地震反应谱设计因子与地震动参数的拟合式。通过对全国不同烈度分区的算例表明,使用该拟合式得到的一致风险反应谱可以使不同地区和不同周期的结构获得一致的倒塌概率。
  • 李腾飞, 苏明周, 郭江然
    建筑结构学报. 2023, 44(01): 10-22. https://doi.org/10.14006/j.jzjgxb.2021.0685
    摘要 ( ) PDF全文 ( )   可视化   收藏
    高强钢组合K形偏心支撑框架结构(K-HSS-EBFs)作为一种典型的双重抗侧力体系,可以实现结构抗震设计中多道设防的目标。针对传统K-HSS-EBFs性能设计方法中无法考虑多水准抗震设防目标以及支撑-框架体系剪力分配的问题,对基于多目标性能的K-HSS-EBFs塑性设计方法进行修正。通过考虑结构后屈服刚度变化得到K-HSS-EBFs的三折线能力曲线,采用能量平衡原理计算支撑-框架体系在不同性能目标下的弹性和弹塑性剪力分配,从而对结构进行弹塑性设计。采用修正的设计方法设计了一个6层的K-HSS-EBFs结构算例,建立OpenSees有限元模型,选取20条地震波对其进行不同强度地震作用下的弹塑性时程分析。结果表明:采用所提设计方法设计的K-HSS-EBFs实现了结构预期的破坏模式以及不同强度地震作用下的位移延性需求和剪力分布模式;从多遇地震到罕遇地震,算例模型中框架跨所承担的基底剪力占比由29%提高到44%,满足GB 50011—2010《建筑抗震设计规范》中对于多道设防体系内力重分布后的结构总基底剪力分配要求。
  • 胡红松, 徐礼文, 林凡, 高毅超, 郭子雄
    建筑结构学报. 2023, 44(01): 23-32. https://doi.org/10.14006/j.jzjgxb.2021.0485
    摘要 ( ) PDF全文 ( )   可视化   收藏
    基础滑移隔震是提高高烈度区村镇低层建筑抗震能力的有效方法。通过输入大量地震波,对两自由度滑移隔震体系上部结构归一化峰值伪加速度进行了数值分析,研究地震动和结构特性对滑移隔震结构最大地震反应的影响,并建立了上部结构峰值伪加速度的简化计算公式。研究结果表明:归一化峰值伪加速度随着上部结构周期的增大呈先增大后减小的变化趋势,可近似保守地取归一化峰值伪加速度平均值的最大值作为滑移隔震结构的最大地震反应;滑移发生后,震级、震中距及近场脉冲对结构响应的影响较小,动静摩擦系数差异的影响也可忽略不计;场地条件对上部结构响应有一定影响,表现为场地土越软,结构响应越大,但这一影响总体上随着归一化地面峰值加速度的增大而减小;对于给定的场地类别、质量比和归一化地面峰值加速度,归一化峰值伪加速度基本服从正态分布。基于参数分析结果,建立了归一化峰值伪加速度平均值与变异系数的简化计算公式,公式计算结果与简化模型计算结果吻合较好,可用于计算任意超越概率下的归一化峰值伪加速度值。
  • 潘毅, 刘永鑫, 宋佳雨, 彭鑫, 吴小宾, 彭志桢
    建筑结构学报. 2023, 44(01): 33-42. https://doi.org/10.14006/j.jzjgxb.2021.0586
    摘要 ( ) PDF全文 ( )   可视化   收藏
    水平向减震系数是基础隔震设计的重要参数之一。为研究近断层脉冲型地震动对水平向减震系数的影响,以单自由度体系为研究对象,基于反应谱法,给出单自由度体系的水平向减震系数计算公式,考虑近断层影响,分析不同方法中水平向减震系数的差异;以多自由度体系为研究对象,选取36条近断层脉冲型地震动,同时剔除其中的主脉冲成分,得到36条非脉冲型地震动,将这72条地震动作用于多层基础隔震结构,基于时程分析法,对比了在脉冲和非脉冲型地震动作用下的水平向减震系数变化规律,并分析脉冲周期、场地类别和断层距对水平向减震系数的影响。研究结果表明:现行方法虽有一定的合理性,但是难以准确考虑近断层脉冲型地震动对水平向减震系数的影响。随着地震动强度的增大,水平向减震系数呈先减小后增大的趋势,相同地震动强度下,近断层脉冲型地震动作用下结构的水平向减震系数更大,变化幅度更大。近断层脉冲型地震动对水平向减震系数有放大作用,水平向减震系数的放大系数随着近断层地震动脉冲周期的增大,呈整体增大的趋势。当断层距较小时,水平向减震系数的放大效应更为显著,而与场地类别无明显关系。在近断层基础隔震结构设计中,水平向减震系数的放大系数建议取1.50。
  • 程选生, 祁磊, 张尚龙, 李建伟, 王向雷
    建筑结构学报. 2023, 44(01): 43-56. https://doi.org/10.14006/j.jzjgxb.2021.0582
    摘要 ( ) PDF全文 ( )   可视化   收藏
    为了研究橡胶-滑移隔震层对板-壳组合混凝土贮液结构的隔震控制性能,以某水处理厂板-壳组合混凝土贮液结构为研究对象,结合振动台试验和有限元方法,研究了非隔震和橡胶-滑移隔震板-壳组合混凝土贮液结构的振动特性,获得了橡胶-滑移隔震层参数对板-壳组合混凝土贮液结构的隔震控制影响规律。研究表明:随着橡胶-滑移隔震层刚度增大,结构及液体动力响应均有放大现象,隔震层橡胶支座数量较少时,引起震后残余位移较大,其最大值为59 mm;随着滑移支座摩擦系数的增大,结构及液体动力响应呈现先减小后增大的趋势,当滑移摩擦系数为0.015时,隔震控制效果最佳;采用橡胶-滑移隔震不仅可以减少贮液结构的动力响应,同时对液体晃动特性具有很好的控制作用,通过合理的设计橡胶-滑移隔震层参数,可使其对贮液结构的隔震作用优于橡胶隔震。
  • 门进杰, 范栋鑫, 邓德平, 王家琛, 张谦
    建筑结构学报. 2023, 44(01): 57-67. https://doi.org/10.14006/j.jzjgxb.2021.0555
    摘要 ( ) PDF全文 ( )   可视化   收藏
    为了保证框架结构跨度较大时耗能梁的耗能能力和可更换性能, 提出了一种中间段耗能的三段式可更换耗能钢梁。设计并制作了5根可更换耗能钢梁, 通过拟静力试验, 研究了耗能梁更换、耗能段与非耗能段连接方式、耗能段腹板类型及腹板钢材类型等对钢梁抗震性能的影响。研究结果表明:在地震作用下, 三段式可更换耗能钢梁的耗能和损伤均明显集中在中间耗能段, 而非耗能段处于弹性状态, 震后通过更换中间受损耗能段即可快速恢复结构的使用功能; 三段式可更换耗能钢梁的滞回曲线均较饱满, 极限塑性转角约为0.1 rad, 表现出良好的变形能力和耗能能力; 腹板采用低屈服点钢或波纹钢时三段式可更换耗能钢梁的耗能能力更好; 随着可更换钢梁塑性转角的增大, 可更换耗能钢梁的荷载提高明显, 超强系数均值约为1.67; 更换耗能段时, 相应的层间位移角为1/200~1/250, 采用端板连接的三段式可更换耗能钢梁更换耗能段所需时间较短, 而采用双槽钢连接的三段式可更换耗能钢梁能在更大的残余层间位移角时更换, 具有较优的可更换性能。
  • 金浏, 兰冬璆, 邓小芳, 钱凯
    建筑结构学报. 2023, 44(01): 68-79. https://doi.org/10.14006/j.jzjgxb.2021.0572
    摘要 ( ) PDF全文 ( )   可视化   收藏
    为了研究中柱失效下不同钢绞线布置形式(直线型和抛物线型)的无黏结预应力混凝土(UPC)结构的抗连续倒塌机理,对1/2缩尺的2个后张拉无黏结预应力混凝土梁-柱子结构和1个钢筋混凝土(RC)梁-柱子结构进行Pushdown加载。试验结果表明:直线型布筋和抛物线型布筋UPC梁-柱子结构相比于RC梁-柱子结构的极限荷载分别提高95%和189%,但设置预应力筋会增大梁-柱子结构的水平拉力,导致UPC梁-柱子结构的边柱相比于RC梁-柱子结构的破坏更加严重;RC梁-柱子结构和抛物线型UPC梁-柱子结构的破坏由钢筋断裂控制,而直线型UPC梁-柱子结构的破坏由钢绞线断裂控制。通过有限元软件LS-DYNA建立精细化有限元模型,在验证模型准确性的基础上展开有限元分析。分析结果表明:当预应力筋配筋率相同时,中柱失效工况下直线型布置比抛物线型布置的UPC梁-柱子结构极限荷载高20%~58%;直线型预应力筋可在加载全过程发展悬索机制抵抗倒塌,而抛物线型预应力筋仅当中柱位移超过1倍梁高时开始发展悬索机制。
  • 鲁军凯, 吕萌, 吴斌, 孔伟明
    建筑结构学报. 2023, 44(01): 80-87. https://doi.org/10.14006/j.jzjgxb.2021.0581
    摘要 ( ) PDF全文 ( )   可视化   收藏
    防屈曲支撑是一种兼具普通支撑和金属阻尼器双重功能的支撑构件,而保证支撑在地震作用下的稳定是充分发挥其阻尼器功能的关键。为此,在已有研究基础上,提出忽略支撑内芯耗能段刚度的力学模型,基于稳定性二阶分析方法推导并建立一种形式较为简单的防屈曲支撑实用设计方法。通过与已有试验结果以及已有计算方法预测值的对比,分析该方法的准确性及适用性。研究结果表明:提出的实用方法可较准确且偏于保守地评估支撑内芯加强段及约束单元的受力状态;建议的计算公式可以较准确地预测防屈曲支撑的接触力及弯曲响应,可将其作为防屈曲支撑的整体稳定设计准则。
  • 文波, 吕建军, 张路, 康永康, 牛荻涛
    建筑结构学报. 2023, 44(01): 88-95. https://doi.org/10.14006/j.jzjgxb.2021.0350
    摘要 ( ) PDF全文 ( )   可视化   收藏
    电力系统的抗震韧性是韧性城市建设的核心之一,研发高强度瓷、瓷的替代材料以及附加减隔震元件是提高瓷柱式电气设备抗震韧性的重要手段。以典型高柔型电气设备为研究对象,研发了适用于该类电气设备的装配式自复位剪切型铅阻尼器,对阻尼器核心元件——形状记忆合金棒材及装配式剪切型铅阻尼器进行了滞回性能试验,研究了主耗能环长度对装配式剪切型铅阻尼器力学性能的影响。试验结果表明:形状记忆合金棒材的等效阻尼比介于4%~11%之间,其位移恢复率超过60%,具有很好的复位能力;附加耗能环可以提高装配式剪切型铅阻尼器的耗能稳定性,通过阻尼器及其核心元件滞回性能的对比,验证了装配式自复位剪切型铅阻尼器具有形状记忆合金阻尼器高复位能力和装配式剪切型铅阻尼器高耗能能力等的综合特性,为电气设备的抗震安全性提供有效依据。
  • 钢结构及组合结构
  • 申红侠, 徐凯凯, 聂子钧
    建筑结构学报. 2023, 44(01): 96-109. https://doi.org/10.14006/j.jzjgxb.2021.0607
    摘要 ( ) PDF全文 ( )   可视化   收藏
    为研究高强钢压弯构件的局部稳定性能,对5个Q460C和5个Q690D钢焊接箱形截面构件进行了单向偏压试验,分析了其破坏形式、局部稳定性能以及承载力;将实测承载力与欧洲规范EN 1993-1、我国标准GB 50017—2017和美国规范ANSI/AISC 360-16相关公式计算结果相比较,以验证各规范对Q460C钢和Q690D钢焊接箱形截面压弯构件屈曲后强度计算的适用性。研究结果表明:所有高强钢焊接箱形截面压弯构件均在柱中附近发生局部屈曲破坏;由轴向压力-轴向压缩变形或轴向压力-水平位移曲线可知,其为极值点失稳;构件的轴向压力-水平位移或轴向压力-应变曲线的形状和局部屈曲模式有关;在翼缘宽厚比为28.1~56.3、腹板高厚比为40.2~80.4、偏心距为20~50 mm范围之内,EN 1993-1和GB 50017—2017中的屈曲后强度计算公式仍然适用于Q460C和Q690D钢焊接箱形截面压弯构件,而ANSI/AISC 360-16中的相关公式需要进一步修正。
  • 郝家树, 任庆英, 张锡治, 刘文珽, 张晓萌, 张音玄
    建筑结构学报. 2023, 44(01): 110-120. https://doi.org/10.14006/j.jzjgxb.2021.0602
    摘要 ( ) PDF全文 ( )   可视化   收藏
    为了解决传统箱形截面柱法兰连接节点对结构空间占用的问题,提出了一种箱形截面柱剪力键式全螺栓连接节点,并对2个全螺栓连接箱形截面柱和1个整体式箱形截面柱进行拟静力试验研究。观察了全螺栓连接箱形截面柱的破坏现象,分析了全螺栓连接箱形柱的滞回性能、承载力、刚度退化、延性以及耗能能力等受力特性。结果表明:整体式箱形截面柱和剪力键式全螺栓连接箱形截面柱均发生塑性铰破坏;滞回曲线饱满,具有良好耗能能力;剪力键和水平单向螺栓的设置可使全螺栓连接箱形截面柱承载力提高24.64%,竖向高强螺栓拉力降低29.44%;节点处钢连接件的设置约束了箱形截面柱的屈曲变形,与整体式箱形截面柱相比,全螺栓连接箱形截面柱的位移延性系数提高了26.47%;钢连接件间无滑移,剪力键式全螺栓连接节点连接可靠。通过剪力键式全螺栓连接节点与刚接节点有限元分析结果对比,表明在工程应用中箱形截面柱剪力键式全螺栓连接节点可等效刚接。采用GB 50011—2010《建筑抗震设计规范》对箱形截面柱剪力键式全螺栓连接节点进行承载力验算,计算结果与试验结果吻合。
  • 冉红东, 陈展鹏, 马云美
    建筑结构学报. 2023, 44(01): 121-131. https://doi.org/10.14006/j.jzjgxb.2021.0593
    摘要 ( ) PDF全文 ( )   可视化   收藏
    为研究激光焊接奥氏体不锈钢工字形截面轴心受压中长柱的承载性能,对10根激光焊接不锈钢工字形薄柔截面中长柱进行轴心受压试验研究,结果表明,中长柱的破坏模式均为板件局部屈曲与构件整体弯曲屈曲的相关失稳。同时,基于残余应力试验,验证了已有激光焊接不锈钢工字形截面的残余应力分布模型。基于试验结果验证了有限元模型,对激光焊接不锈钢工字形截面轴心受压中长柱开展参数分析,研究了几何初始缺陷和残余应力对中长柱稳定承载力的影响,结果表明,残余应力是影响中长柱稳定承载力的主要因素。结合试验和有限元计算结果,对CECS 410: 2015《不锈钢结构技术规程》中轴心受压构件稳定承载力设计公式的适用性进行评估,并考虑残余应力的影响修正了轴心受压构件整体稳定设计公式的计算系数。采用修正后计算系数的规范公式能准确计算激光焊接不锈钢工字形截面轴心受压构件的稳定承载力。
  • 罗才松, 王枫轩, 付朝江, 陈华艳, 陈国灿
    建筑结构学报. 2023, 44(01): 132-142. https://doi.org/10.14006/j.jzjgxb.2021.0632
    摘要 ( ) PDF全文 ( )   可视化   收藏
    为了研究圆孔蜂窝梁在非常规荷载作用下的动力响应,对9根圆孔蜂窝梁进行落锤冲击试验,探究冲击速度、冲击质量、孔间距、孔高等4个参数对其动力响应和孔间腹板屈曲的影响。试验过程中采集锤头冲击力、梁的位移和加速度以及圆孔周围的应变,并通过高速摄像机拍摄冲击过程。试验结果表明:冲击持续时间随着冲击速度和质量的增加而增加;梁的位移响应受与冲击区域的距离、冲击能量、孔间距和孔高的影响;梁的平均能量吸收率为57.63%,并随着孔间距的增大而减小,随着孔高的增大而增加;加速度沿梁跨中到支座呈“两折线”衰减;冲击作用位置处圆孔的投影面积减小率与冲击能量表现为近似指数增长的趋势;随着冲击能量的增大,跨中孔间腹板发生侧向凸曲的程度加剧;随着孔间距的减小和孔高的增加,非跨中孔间腹板的屈曲程度加剧。
  • 管宇, 周绪红, 石宇, 李松松, 姚欣梅, 邓智中
    建筑结构学报. 2023, 44(01): 143-153. https://doi.org/10.14006/j.jzjgxb.2021.0647
    摘要 ( ) PDF全文 ( )   可视化   收藏
    为了确定水平荷载在多层冷弯薄壁型钢结构住宅中的分配关系,基于冷弯薄壁型钢组合墙体和组合楼盖的试验研究成果,将组合墙体计算模型中上导轨简化为桁架单元,墙架柱简化为梁单元,覆面板等效为非线性对角弹簧,将组合楼盖计算模型中楼盖梁简化为桁架单元,面内剪切刚度由非线性对角弹簧的刚度确定,以达到合理简化组合墙体和组合楼盖计算模型的目的。采用ABAQUS有限元软件建立4层双跨冷弯薄壁型钢结构住宅模型,模拟分析水平荷载通过冷弯薄壁型钢组合楼盖传递至冷弯薄壁型钢组合墙体的分配关系,并通过6层足尺冷弯薄壁型钢结构房屋振动台试验,验证楼盖刚性和水平荷载分配关系的判定方法。研究表明:组合墙体和组合楼盖简化计算模型能较好地模拟冷弯薄壁型钢墙体和楼盖全过程的受力性能,与试验结果的误差小于20%,模型可用于简化分析组合墙体的受剪性能以及组合楼盖的面内受力性能;多层冷弯薄壁型钢结构住宅中采用的压型钢板上覆不同材料的组合楼盖型式均为刚性楼盖,水平荷载按剪力墙等效刚度的比例分配。
  • 吴宏磊, 丁洁民, 王世玉, 杨博雅, 张涛, 耿耀明
    建筑结构学报. 2023, 44(01): 154-165. https://doi.org/10.14006/j.jzjgxb.2021.0553
    摘要 ( ) PDF全文 ( )   可视化   收藏
    偏置核心筒结构和传统的居中核心筒结构受力有所不同,主要表现在竖向荷载作用下结构的水平变形较大、扭转效应明显、墙肢拉应力较大等方面。以高度250 m大偏心核心筒结构为例,对比了钢结构体系与混合结构体系下结构的受力性能与经济效益。采用数值分析方法,从结构和构件两个层次研究了核心筒不同偏置程度、不同结构高度下的结构受力性能,在整体结构层面总结了竖向荷载下结构水平变形、结构扭转指标等随偏置程度及结构高度等因素的变化规律,在构件层面总结了偏置程度对剪力墙受力性能的影响。研究结果表明,采用预伸长框架柱的方式可控制竖向荷载作用下结构水平变形,通过调整剪力墙厚度或设置支撑等方式可控制结构扭转,通过增设型钢或预应力的方式可达到有效控制墙肢拉应力的目的。
  • 杨远龙, 刘阳, 杨庆杰, 胡盛文
    建筑结构学报. 2023, 44(01): 166-181. https://doi.org/10.14006/j.jzjgxb.2021.0093
    摘要 ( ) PDF全文 ( )   可视化   收藏
    传统钢-混凝土组合梁需要焊接不同形式的抗剪连接件,为避免繁琐的焊接工序及焊接对钢材产生的不良影响,提出了腹板嵌入式外包U形钢-混凝土组合梁。在冷弯成型的U形钢腹板上部开槽,并嵌入到混凝土翼板,与板底横向钢筋共同组成带有混凝土榫连接件的腹板嵌入式外包U形钢-混凝土组合梁(WUCSB)。设计了8个WUSCB的正弯矩区受弯性能试验,考虑U形钢板厚度、连接件间距、混凝土翼缘板宽等参数的影响,分析组合梁的破坏模式,并基于荷载-挠度曲线和荷载-滑移曲线等试验结果对其刚度、承载力和延性等受力性能指标进行评价;建立了有限元模型,进行U形钢板厚度、混凝土翼缘板宽和梁底纵筋直径等3个参数的影响规律分析。试验结果表明:该组合梁满足完全抗剪连接,组合作用良好,U形钢可以达到全截面塑性,具有良好的整体受弯性能;增加U形钢板厚度和梁底纵筋直径可以提高组合梁的承载力;连接件间距、栓钉及箍筋对组合梁的承载力影响较小。基于试验结果和连接件的传力机理,给出了WUSCB抗剪连接度的计算方法;基于全截面塑性假定,给出了WUSCB受弯承载力设计方法,该承载力设计方法具有一定的安全储备。基于换算截面法,给出了受弯刚度计算方法,出于安全考虑,抗弯刚度折减系数建议取值为0.55。
  • 结构健康监测
  • 仝运佳, 谢丽宇, 薛松涛, 唐和生
    建筑结构学报. 2023, 44(01): 182-191. https://doi.org/10.14006/j.jzjgxb.2021.0442
    摘要 ( ) PDF全文 ( )   可视化   收藏
    采用无迹卡尔曼滤波算法在线识别非线性系统参数和进行状态估计时,要求全部外部激励已知,而大多情况下结构外部激励特别是强震甚至未知激励难以直接量测。为解决上述问题,提出并推导了只需结构输出响应,即可实时估计结构状态、未知参数和未知外部激励力的自适应无迹卡尔曼滤波算法。该自适应无迹卡尔曼滤波算法能够自动递推估计观测噪声的协方差,可以有效避免系统估计受限于不当选取的测量噪声初始值。同时,引入最小二乘法估计未知外部激励力。为验证所提出的自适应无迹卡尔曼滤波算法的可行性,以及其对于多种强非线性系统的适用性,选取两种典型的非线性系统包括一个3自由度Bouc-Wen滞回非线性结构和一个Duffing型剪切梁结构进行数值模拟分析。并对一单自由度非线性能量阱进行振动台试验研究,估计未知激励力。由识别结果和实际观测值的良好一致性,以及参数的识别精度表明:在有限的响应测量条件下,提出的自适应无迹卡尔曼滤波算法能够有效地实时追踪非线性系统的状态、估计未知参数以及非线性系统的未知外部激励力。
  • 杨娜, 汪德佳, 李天昊, 白凡
    建筑结构学报. 2023, 44(01): 192-202. https://doi.org/10.14006/j.jzjgxb.2021.0499
    摘要 ( ) PDF全文 ( )   可视化   收藏
    针对古建筑整体变形和局部变形监测需要,提出基于计算机视觉方法的古建筑变形监测系统。考虑到古建筑变形微量、缓变,监测过程相机布设受限等特点,引入张正友相机标定法消除相机光轴需垂直目标的局限性,实现将任意倾斜图像转至三维坐标系进行分析,并利用亚像素插值技术提高了监测精度,测试的归一化精度达到99.5%。利用该系统分别进行了实验室振动台缩尺古建筑模型的二维平面振动监测、北京故宫博物院咸福宫井亭简化模型静态监测试验,以验证该系统用于古建结构变形监测的可行性。结果表明:基于计算机视觉方法的古建筑变形监测系统可用于古建筑受长期荷载和偶然荷载下结构变形的无损监测,其支持有靶标和无靶标两种变形监测;在偶然荷载下有、无靶标结构变形监测误差均小于8%,在长期荷载下有靶标结构变形监测误差小于4%。
  • 罗辉, 周剑锋, 朱宏平
    建筑结构学报. 2023, 44(01): 203-214. https://doi.org/10.14006/j.jzjgxb.2021.0436
    摘要 ( ) PDF全文 ( )   可视化   收藏
    为了快速、经济且准确地实现盾构隧道的健康监测,将桥梁健康监测的间接测量法应用于盾构隧道结构中,在推导了移动车辆-盾构隧道耦合振动作用下车辆加速度响应解析解的基础上,分析了考虑阻尼影响的盾构隧道振型间接识别方法,从理论上证明了间接测量法在盾构隧道模态识别中应用的可行性。通过实验室试验验证盾构隧道频率间接识别方法,试验结果表明,采用间接测量法与直接测量法测试得到的盾构隧道频率接近,误差为2.8%。同时,通过数值算例验证了基于间接测量法的盾构隧道频率、振型、阻尼比识别方法,并分析车辆速度、车辆阻尼、盾构隧道阻尼等参数对盾构隧道模态间接识别结果的影响。分析结果发现:车速对频率间接识别的影响较小,而过低的车速会导致振型无法识别,应选择5 m/s以上的车速;车辆阻尼大小对振型间接识别的影响较小,而增大车辆阻尼有利于频率间接识别;盾构隧道阻尼的增大不利于频率和振型的间接识别。
  • 吴琛, 范思炜, 麻胜兰, 陈真锋
    建筑结构学报. 2023, 44(01): 215-224. https://doi.org/10.14006/j.jzjgxb.2021.0501
    摘要 ( ) PDF全文 ( )   可视化   收藏
    为解决传统片状压电陶瓷传感器安装困难和仅能监测试件一维损伤、易受应力波发射角度和接收角度影响的问题,突破球状压电陶瓷传感器不易封装和安装的局限,研发了管状压电陶瓷传感器,实现传感器快速安装和试件损伤二维监测。建立管状压电陶瓷传感器的力学模型,揭示其沿径向发射和接收应力波的工作机理,并应用于非对称十字形配钢型钢混凝土(steel reinforced concrete,SRC)矩形截面柱的损伤监测。提出小波包能量谱均方根损伤指标,对柱两个平面方向的损伤进行诊断和评估。研究结果表明:管状压电陶瓷传感器安装方便,对捕捉低周往复荷载下混凝土损伤具有较高的灵敏度;基于管状压电陶瓷传感技术的结构内部损伤监测和评估方法能较精确地实现试件损伤量化分析;非对称十字形配钢型钢混凝土矩形截面柱的型钢内缩侧混凝土损伤大于另一侧,在相同含钢率下增大轴压比使柱承载力提高,延性降低,耗能能力减弱,混凝土损伤加剧。
  • 樊圆, 卢文胜, 虞终军, 任祥香
    建筑结构学报. 2023, 44(01): 225-234. https://doi.org/10.14006/j.jzjgxb.2021.0491
    摘要 ( ) PDF全文 ( )   可视化   收藏
    针对高层结构动力特性和动力响应的研究可为结构和非结构构件的抗震设计提供依据。为了排除结构形式、高度等对动力特性和响应分析的影响,选用遭遇多次地震的高层结构的结构响应作为数据集,分析结构动力特性在多次地震作用下的变化趋势,研究结构加速度响应的分布规律,分析结构加速度响应与地震动参数间的相关性。结果表明:随机子空间算法能够较为准确地通过强震记录识别结构的动力特性,且使用衰减段记录更易得到识别结果;结构1阶频率在历次地震中的变化可达9.66%,阻尼比的变化可达17.6%;楼面加速度放大系数与结构周期点处的反应谱值及地震动周期0.45 s及以上成分的相关性较大。
  • 基础理论与共性技术
  • 刘良林, 肖建庄
    建筑结构学报. 2023, 44(01): 235-247. https://doi.org/10.14006/j.jzjgxb.2022.0165
    摘要 ( ) PDF全文 ( )   可视化   收藏
    钢筋套筒灌浆连接是当前预制混凝土结构钢筋连接的主要方式。从材料、界面、连接的角度,针对其国内外相关研究成果开展系统分析与总结。结果表明:套筒可为金属、非金属材质(如FRP),锥形套筒的连接性能优于圆柱形的,套筒长度不应短于临界长度,内径越小越有利,壁厚不应小于被连接钢筋直径的1/13,但也不宜过厚;低温、负温灌浆料适用的环境温度分别不超过-5、-10 ℃,耐高温灌浆料可通过掺入聚丙烯纤维进行制备;灌浆料与钢筋界面的黏结强度主要与灌浆料抗压强度的平方根相关,并受到套筒约束能力、高温作用的显著影响;钢筋套筒灌浆连接受拉失效模式包括套筒外钢筋断裂、灌浆料与钢筋界面黏结失效以及套筒与灌浆料界面黏结失效;荷载类型对钢筋套筒灌浆连接力学性能的影响较小,失效模式转变的关键温度是400 ℃,灌浆缺陷率不超过20%能确保连接接头的可靠性;界面、钢筋黏结长度对钢筋套筒灌浆连接力学性能的影响显著。基于此,提出全黏结长度和双界面两个概念,以控制钢筋套筒灌浆连接的承载性能与失效模式。同时, 提出有待开展的研究:灌浆料的本构关系、率敏感性、热工参数等;受高温作用、侧向约束的影响,灌浆料与钢筋界面的黏结应力-滑移本构关系曲线以及黏结强度等力学性能;考虑高温作用、荷载类型、组成材料等影响因素的钢筋套筒灌浆连接受力机理理论分析;受高温作用、灌浆缺陷耦合影响的Ⅰ、Ⅱ级接头的钢筋套筒灌浆连接反复拉压力学性能研究等。
  • 许成顺, 韩润波, 杜修力, 许紫刚
    建筑结构学报. 2023, 44(01): 248-258. https://doi.org/10.14006/j.jzjgxb.2021.0571
    摘要 ( ) PDF全文 ( )   可视化   收藏
    地下结构静力推覆试验由于具有模型结构尺寸较大、应力水平可控等优点,适用于研究抗震性能问题。为了解决考虑土-结构相互作用的土-地下结构体系静力推覆试验过程复杂、费用昂贵的问题,研究了试验过程相对简单、可近似考虑土-结构相互作用的弹簧-地下结构体系静力推覆试验技术,通过引入弹簧单元模拟结构所受初始土压力及推覆过程中的土-结构相互作用,通过压缩模型两侧弹簧及施加竖向均布荷载以模拟结构所受初始土压力,通过限制模型底部水平位移,并在模型侧顶部作用水平推力将模型自初始状态推至破坏以模拟结构所受水平地震作用。以1995年日本阪神地震中破坏的Daikai车站为原型,制作几何缩尺比为1/5的模型,基于上述试验装置设计了详细的试验方案,开展弹簧-地下结构体系静力推覆试验以验证该试验方法的可行性。通过试验得到模型受力全过程剪力-层间位移能力曲线、模型结构裂缝发展部位及结构破坏形态,分析试验结果可知,在地震作用过程中,周围土体对地下结构的约束作用明显,周围土体的存在提高了地下结构的抗侧向倒塌能力,中柱是模型结构的薄弱构件。
  • 王琛, 樊健生
    建筑结构学报. 2023, 44(01): 259-268. https://doi.org/10.14006/j.jzjgxb.2021.0560
    摘要 ( ) PDF全文 ( )   可视化   收藏
    为了实现工程结构的准确、高效模拟,提出了完全基于深度学习的结构全过程响应智能计算框架,从数据侧到模型侧综合考虑了结构自身构造信息以及任意加载制度,能够适用于材料、构件甚至是结构体系等多层次力学响应预测问题。并根据结构计算场景特点制定了结构静态特征统一数据接口模式,保真结构原始信息输入,有效减少人工干预。在此基础上,引入了注意力机制与深度交叉网络,提出了结构静态特征表示学习模型PADCN(注意力机制预处理的深度交叉网络,pre-attention deep & cross network),能够兼顾结构静态特征的记忆性与泛化性,挖掘不同构造信息的耦合关系。将PADCN模型与动态特征预测模型Mechformer相集成,并与设计的通用数据接口衔接,形成了端到端数据驱动的结构响应智能计算框架。为验证框架的有效性,以钢板剪力墙结构为载体开展数值试验,其中提出了适用于结构计算领域的数据增广算法,以缓解结构工程数据量匮乏的问题。结果表明:基于该框架的智能模型成功预测了不同构造的钢板剪力墙试件的全过程非线性响应,模拟精度优于精细有限元模型。同时,计算效率为传统数值方法1 000倍以上,证明该智能计算框架具有卓越的准确性与高效性。
  • 李述涛, 刘晶波, 宝鑫, 陈叶青
    建筑结构学报. 2023, 44(01): 269-279. https://doi.org/10.14006/j.jzjgxb.2021.0594
    摘要 ( ) PDF全文 ( )   可视化   收藏
    为了得到地冲击荷载作用下深埋地下结构可用于易损性研究的性能指标,分析了爆炸荷载作用下深埋直墙圆拱地下结构的动力响应规律和特点,提出等效静载计算模型,对比静载、动载作用下结构变形、受力和破坏状态。分析结果表明:静载模型可以反映地冲击荷载作用下地下结构整体弯曲变形及局部破坏状态,证明了将圆拱顶部挠度作为地冲击作用下地下结构性能指标合理有效。设计确定地冲击作用下地下结构性能指标静载试验方案,即模型几何缩尺为3/10,采用抗压强度为40 MPa的微粒混凝土和HRB400细钢丝制作结构模型,利用抗压强度为20 MPa的细骨料混凝土模拟围岩;试验初始阶段采用力控制加载,待结构屈服后转为位移控制加载;承载力上限约为5 000 kN。
  • 刘燕燕, 黄东升, 盛宝璐
    建筑结构学报. 2023, 44(01): 280-288. https://doi.org/10.14006/j.jzjgxb.2021.0263
    摘要 ( ) PDF全文 ( )   可视化   收藏
    针对集成竹I型层间断裂问题开展了双悬臂梁(DCB)断裂试验研究,并采用虚拟裂纹闭合法(VCCT)与内聚力模型(CZM)对其断裂行为进行了数值分析,通过试验验证了两种方法用于模拟集成竹I型层间断裂行为的有效性。其中,CZM中考虑了裂纹尖端内聚力的退化,可有效模拟材料断裂过程中的非线性行为;而VCCT基于线弹性断裂力学,无法考虑断裂中的非线性,但采用VCCT的分析结果相对稳定,易收敛,适用于材料断裂非线性不明显的情况。通过CZM,进一步考察了双悬臂梁宽度对Ⅰ型断裂韧度的影响。结果表明:材料Ⅰ型断裂韧度随梁宽度增大呈现减小的趋势;宽度达到55 mm以上时,裂纹尖端应力场受平面应变状态主导,应变能释放率趋于稳定值0.539 5 N/mm。
  • 童乐为, 陈路华, 文铭, 朱嘉, 邵晓东, 赵正
    建筑结构学报. 2023, 44(01): 289-299. https://doi.org/10.14006/j.jzjgxb.2021.0631
    摘要 ( ) PDF全文 ( )   可视化   收藏
    为了研究Q690高强度结构钢-超高性能混凝土(UHPC)组合抗剪连接件的疲劳性能,进行了3组共12个推出试件的常幅疲劳试验,考虑了栓钉直径、单钉和群钉布置形式等因素的影响。研究表明:推出试件的疲劳破坏模式均为栓钉剪切断裂;在200万次疲劳寿命下,直径13 mm单钉抗剪连接件的疲劳强度比直径19 mm单钉抗剪连接件的高42.5%,小直径栓钉比大直径栓钉抗剪连接件的疲劳强度高;直径19 mm单钉抗剪连接件的疲劳强度比直径19 mm群钉抗剪连接件的高15.0%,单钉比群钉布置形式下栓钉抗剪连接件的疲劳强度高。将试验结果与国内外已有的普通强度钢-普通混凝土、普通强度钢-UHPC抗剪连接件疲劳数据对比分析表明,Q690高强钢-UHPC抗剪连接件具有更高的疲劳强度,其中比欧洲BS EN 1994-1-1中普通强度钢-普通混凝土抗剪连接件疲劳强度高71.8%。同时,分别提出了单钉布置和群钉布置的Q690高强钢-UHPC抗剪连接件的S-N曲线,供疲劳设计参考。
  • 张世顺, 曾卓, 陈东, 田径, 聂雪飞
    建筑结构学报. 2023, 44(01): 300-309. https://doi.org/10.14006/j.jzjgxb.2021.0526
    摘要 ( ) PDF全文 ( )   可视化   收藏
    为了研究超高性能混凝土(UHPC)无腹筋梁的剪切失效机理,采用有限元软件ABAQUS对UHPC无腹筋梁的受剪性能进行了三维精细有限元模拟。模型中考虑了材料非线性和几何非线性,对于UHPC材料受拉性能的模拟考虑其应变硬化的性能。结果表明:由模拟得到的UHPC无腹筋梁的荷载-跨中挠度曲线和破坏模态等均与试验结果吻合良好,UHPC无腹筋梁的剪切破坏可分为线弹性阶段、微裂缝开展阶段、宏观多裂缝开展阶段、破坏阶段和残余强度阶段等五个阶段;UHPC无腹筋梁的受剪承载力受UHPC抗拉强度的影响最大,其随着UHPC抗拉强度的提升呈线性增长;UHPC的断裂能大小和受拉应变硬化长度主要影响梁的延性,对梁的受剪承载力影响不大;UHPC的抗压强度则对梁的受剪承载力和延性均影响较小;随着预应力的提高,梁的延性不断降低,受剪承载力则先上升后下降;随着剪跨比的增大,梁的刚度和受剪承载力均逐渐减小。
  • 杨杨, 徐赵东, 董尧荣
    建筑结构学报. 2023, 44(01): 310-318. https://doi.org/10.14006/j.jzjgxb.2021.0465
    摘要 ( ) PDF全文 ( )   可视化   收藏
    为了提高预应力装配结构的整体耗能能力和节点连接可靠性,设计了一种适用于预应力装配结构梁柱节点连接的耗能套筒,其利用套筒对节点区域的混凝土进行约束,并采用耗能性能良好的黏弹性材料进行耗能。对该耗能套筒基本工作原理及具体安装过程进行了阐述,利用OpenSEES软件对该耗能套筒进行数值分析,采用等效模型对弧形黏弹性阻尼器进行模拟,通过零长度单元释放梁端刚度来模拟预应力梁柱节点的半刚度特性。对带耗能套筒的预应力装配梁柱节点、现浇梁柱节点和预应力装配梁柱节点的滞回特性进行了对比研究。建立六层框架结构模型,分别采用上述三种节点连接方式,进行了地震作用下的时程分析并对比了不同节点连接方式下框架结构的地震响应。结果表明:带耗能套筒的预应力装配梁柱节点相比于预应力装配梁柱节点耗能能力提升了203%,相比于现浇梁柱节点可恢复性能提升了86%;利用耗能套筒进行节点连接的框架结构具备类似现浇结构的抗震性能和整体性能。
  • 韩亚威, 杨璐, 彭磊, 王萌, 闫秋实, 刘明
    建筑结构学报. 2023, 44(01): 319-326. https://doi.org/10.14006/j.jzjgxb.2021.0478
    摘要 ( ) PDF全文 ( )   可视化   收藏
    为研究LY315钢材在不同温度和应变率下的动态力学性能,采用分离式霍普金森压杆(SHPB)系统对LY315钢材进行了动态冲击试验,并在DNS100电子万能试验机上进行了准静态(应变率0.001 s-1)压缩试验,得到了不同试验参数下的应力-应变曲线。分析结果表明:LY315钢材具有明显的应变率强化效应和温度软化效应;在高应变率下,当温度在400 ℃及以下时,流动应力随温度升高显著降低,表现出显著的温度软化效应;当温度在400 ℃以上时,钢材表现出第三种应变时效现象,该现象在温度为600 ℃时最为显著。在试验结果基础上提出了适用于LY315钢材的动态本构修正Johnson-Cook模型,该模型能够较好地反映LY315钢材动态力学性能,同时可为该钢材在高温高应变率下的动力分析提供参考。