2020年, 第41卷, 第S2期 刊出日期:2020-12-04
  

  • 全选
    |
    结构抗震专题
  • 高永林, 柏文峰, 苏海红, 苏何先
    建筑结构学报. 2020, 41(S2): 1-10. https://doi.org/10.14006/j.jzjgxb.2020.S2.0001
    摘要 ( ) PDF全文 ( )   可视化   收藏
    木骨架竹片覆面墙板结构体系是一种面向小型民居的新型建筑结构形式。为研究其抗震性能,制作了一个平面尺寸为3.58 m×3.55 m、层高为3 m的两层足尺结构模型开展振动台试验研究。试验中选取El Centro波、景谷波分别在X、Y向输入地震动,实测了结构在峰值加速度为0.07g、0.2g、0.4g、0.62g以及0.92g的地震作用下的自振频率、阻尼比、加速度反应、位移反应、剪力分布与剪重比、能力谱的变化规律。研究结果表明:随着地震激励增大,模型自振频率减小,阻尼比增大;除了模型二层在El Centro波作用下动力放大系数达到2.1外,其余动力放大系数介于1.0~1.9之间,试验模型层间具有很好的耗能能力;模型在峰值加速度0.07g、0.2g、0.4g和0.62g的地震激励下,最大层间位移角分别为1/1 364、1/680、1/323和1/217,均发生在一层X向。当峰值加速度增至0.92g时,模型依然未倒塌,表明该结构体系具有很好的抗震性能,能够满足我国GB 50011—2010《建筑抗震设计规范》(2016版)“小震不坏、中震可修、大震不倒”的要求。
  • 卜海峰, 蒋欢军, 和留生
    建筑结构学报. 2020, 41(S2): 11-18. https://doi.org/10.14006/j.jzjgxb.2020.S2.0002
    摘要 ( ) PDF全文 ( )   可视化   收藏
    为量化单位建筑的震后功能损失,基于模糊理论,以建筑震后的构件和楼层功能损失为量化指标,提出一种建筑震后功能损失评价方法。建筑构件的震后功能损失采用模糊映射和模糊数运算进行量化计算。楼层的功能损失量化中,使用模糊运算和层级树状结构统筹楼层各构件的功能损失。建筑各楼层功能之间的相关性采用模糊算子实现。并以一栋10层的钢筋混凝土框架结构房屋为例说明该方法的应用,并对比分析了是否考虑楼层间功能相关性对建筑震后功能损失评价结果的影响。算例分析结果表明:楼层功能损失同时受加速度敏感型构件和位移敏感性构件的影响;楼层间的功能相关性对建筑震后功能损失评价结果有较大影响;相比于不考虑楼层间的功能相关性,考虑楼层间功能相关性时建筑震后功能损失明显增大,并且这种差异随着楼层位置的升高而增大。
  • 于晓辉, 马富梓, 吕大刚
    建筑结构学报. 2020, 41(S2): 19-26. https://doi.org/10.14006/j.jzjgxb.2020.S2.0003
    摘要 ( ) PDF全文 ( )   可视化   收藏
    一次强震过后会有多次余震的发生,为研究主震过后多次余震对结构性能的影响,以钢筋混凝土框架结构为研究对象,选择112条含有3次余震的真实主余震序列作为地震输入,采用最大层间位移角、顶点最大位移角和改进的Park-Ang损伤指数作为结构损伤参数,开展了结构在主余震序列作用下的累积损伤分析。通过与仅考虑具有最大峰值加速度的一次余震的主余震序列作用下结构损伤进行对比,发现在考虑多次余震的主余震序列中,具有最大峰值加速度的余震对结构的累积损伤起主要控制作用,考虑多次余震对结构造成的附加损伤与考虑最大峰值加速度的余震对结构造成的附加损伤并不显著。
  • 韩小雷, 吴梓楠, 杨明灿, 季静
    建筑结构学报. 2020, 41(S2): 27-35. https://doi.org/10.14006/j.jzjgxb.2020.S2.0004
    摘要 ( ) PDF全文 ( )   可视化   收藏
    为快速评估钢筋混凝土(RC)框架结构在地震作用下的损伤程度,提出基于深度学习和构件变形的区域RC框架结构地震损伤评估方法。以场地类别、抗震设防烈度、结构层数、标准层层高、X向跨度、X向跨数和Y向跨数共7个结构特征参数为变量,设计符合我国现行规范要求的2 592个典型框架结构,并进行动力增量弹塑性时程分析(IDA)。将震损指标参数划分为构件震损指标及结构宏观响应两个层次,构件震损指标为梁、柱构件处于7个性能状态的数量占比,结构宏观响应包含最大层间剪力、最大层间位移角、残余层间位移角和最大水平位移,并根据分析结果共提取66 208组楼层震损数据。最后引入深度前馈神经网络构建结构特征参数与震损指标参数间的非线性映射关系,建立区域RC框架结构震损评估模型。震损评估结果表明,区域RC框架结构震损评估模型可反映各楼层梁柱构件性能状态的分布规律,并能够较好地预测结构宏观响应,为量化区域建筑群的地震损失奠定基础。
  • 杨先霖, 贾明明, 吕大刚
    建筑结构学报. 2020, 41(S2): 36-43. https://doi.org/10.14006/j.jzjgxb.2020.S2.0005
    摘要 ( ) PDF全文 ( )   可视化   收藏
    强震过后,主震损伤结构尚未得到修缮,此时余震往往会对房屋结构以及人员安全造成更大的威胁,然而目前地震工程的研究大多针对单次地震作用,对余震的认识尚有不足。为此,以框架-剪力墙结构为研究对象,采用OpenSees软件进行有限元建模,有限元模型采用SFI-MVLLEM剪力墙单元与集中塑性梁柱单元。采用分步条带法进行主余震作用下的多元概率地震需求分析,通过多元回归分析,建立了结构在主余震作用下的概率地震需求模型,并在此基础上提出了主余震影响系数,定量研究了主余震作用对结构地震响应的不利影响。分析表明,当主震与余震的地震强度相差较大时,余震影响并不明显,主余震作用主要体现在主震与余震的地震强度相差较小的情况,并且这种影响随地震强度的提高先增大后减小,主余震作用下结构的地震需求最大可增加30%。
  • 王丛, 吕大刚
    建筑结构学报. 2020, 41(S2): 44-52. https://doi.org/10.14006/j.jzjgxb.2020.S2.0006
    摘要 ( ) PDF全文 ( )   可视化   收藏
    风险导向原理可以同时考虑地震危险性和结构易损性,使不同区域的建筑结构具有一致的倒塌概率。为此,以风险导向峰值地面加速度和风险导向谱加速度为风险导向地震动参数,基于风险导向原理,采用地震风险的解析方法对一般场地的风险导向地震动参数进行了决策分析,采用风险积分方法对具体场地(西安市灞桥区和长安区的两个控制点)的风险导向地震动参数进行了决策分析,并对一般场地和具体场地的风险导向地震动参数进行了对比,研究了易损性对数标准差对风险导向地震动决策参数和风险导向地震动参数等参数的影响。研究表明:随着易损性对数标准差的增大,目标倒塌风险先变化不大后逐渐增大;设防地震的条件倒塌概率先逐渐增大后略微减小,极罕遇地震的条件倒塌概率逐渐减小;风险导向设防地震逐渐减小,风险导向极罕遇地震逐渐增大;罕遇地震的条件倒塌概率和风险导向罕遇地震均变化不大,峰值地面加速度对应的风险导向罕遇地震的平均变化幅度最大,为2.95%。研究成果可以为基于一致风险的抗震设计提供决策支持。
  • 隔震及消能减震专题
  • 周颖, 陈鹏
    建筑结构学报. 2020, 41(S2): 53-59. https://doi.org/10.14006/j.jzjgxb.2020.S2.0007
    摘要 ( ) PDF全文 ( )   可视化   收藏
    长期以来我国建筑隔震设计采用分部设计法,将隔震系统和上部结构分开设计,极大简化了设计流程,且具有合理性。但是分部设计法无法精确地得到上部结构的地震作用大小及沿楼层分布,因此国内外学者提出采用整体设计法进行建筑隔震设计。采用整体设计法,地震作用考虑较为精确,但由于反复迭代而增大了设计工作量。为兼顾建筑结构隔震设计方法的精确性,推动隔震结构整体设计方法的应用,提出采用基于位移-速度-加速度三联反应谱的隔震结构整体设计法,对比既有整体设计法与基于三联反应谱整体设计法的流程。结果表明,三联反应谱法能较大程度地减少迭代过程,且适用于设计过程中对于减震效果进行控制的要求。针对某高烈度抗震设防区高层隔震结构,采用三联反应谱法对隔震层进行了设计和校核,将非线性时程分析得到的隔震结构响应与采用三联反应谱法的计算结果进行了对比,验证了所提出设计方法的有效性。
  • 韩流涛, 苏幼坡, 葛楠, 夏明钊, 黄玮
    建筑结构学报. 2020, 41(S2): 60-69. https://doi.org/10.14006/j.jzjgxb.2020.S2.0008
    摘要 ( ) PDF全文 ( )   可视化   收藏
    基于高层建筑在高烈度地震作用下倾覆力矩较大,橡胶隔震支座易出现受拉性能不足的现象,研发了抗拉隔震装置,对其进行定剪切拉伸性能试验,并与天然橡胶隔震支座进行了对比分析。结合某高层剪力墙住宅隔震工程,得到了隔震建筑在5组天然波和2组人工波作用下的时程分析结果,验证了抗拉隔震装置的性能。结果表明:所研发的抗拉隔震装置在不影响水平隔震性能的前提条件下,较天然橡胶隔震支座可提高100%的抗拉能力,能够解决高层剪力墙隔震结构中隔震支座受拉的问题;采用隔震设计后,上部结构设计的减震系数为0.26,隔震后的水平地震影响系数最大值由0.24降低到0.078,隔震后的地震作用降低了67.5%;将该实例中不满足抗拉要求的14个橡胶隔震支座更换成相应的抗拉隔震装置,并进行罕遇地震作用下最大拉应力验算,抗拉隔震装置及其周围的橡胶隔震支座最大拉应力增幅较大,最大增幅分别为22.9%和24.9%。
  • 黄玮, 苏幼坡, 韩流涛, 王秋宇, 武立伟
    建筑结构学报. 2020, 41(S2): 70-76. https://doi.org/10.14006/j.jzjgxb.2020.S2.0009
    摘要 ( ) PDF全文 ( )   可视化   收藏
    为减轻竖向地震作用对建筑物和构筑物的伤害,提出了竖向减隔震装置——聚氨酯橡胶减震支座。针对不同构造的聚氨酯减震支座进行轴向单调加载试验和循环往复荷载试验,分析其抗压强度、承载力和竖向刚度;采用现有规范中的公式计算值与试验结果进行对比分析,并提出了竖向刚度拟合公式。结果表明:聚氨酯橡胶减震支座抗压强度受第一形状系数和第二形状系数影响较大,受橡胶层层数影响较小;同时支座承载力试验结果与现有公式计算值较为吻合,竖向刚度试验结果与计算值存在明显误差,最大相差2.33倍,而其拟合结果与试验结果接近,拟合效果良好;聚氨酯橡胶减震支座具有良好的竖向性能,能够满足建筑物和构筑物的实际要求。
  • 赵春风, 曾超, WITARTO W, MO Y L
    建筑结构学报. 2020, 41(S2): 77-85. https://doi.org/10.14006/j.jzjgxb.2020.S2.0010
    摘要 ( ) PDF全文 ( )   可视化   收藏
    周期性材料存在某些固定的频率带,该频率带对弹性波具有选择性透过的作用,处于频率带范围内的弹性波不能透过周期性材料,可以为工程结构减隔震、减振、降噪、消波和隔热等的设计与开发提供新途径。为验证周期性材料的衰减域特性以及对地震波的阻隔作用,减小地震作用下工程结构的动态响应,基于Bloch-Floquet理论,从理论上推导出周期性材料的频散关系,给出周期性材料的频率带隙。建立一维层状周期性基础和钢筋混凝土基础反应堆厂房数值模型和缩尺模型,分别以正弦波扫频和地震波输入的方式,通过振动台试验对周期性基础和钢筋混凝土基础的反应堆厂房进行动态响应分析和滤波效果分析。结果表明,一维周期性基础存在频率带隙,处于该频率段内的地震波无法穿过周期性基础,隔震效果约为90%,且不会增大结构的相对位移;而钢筋混凝土基础则放大结构的动力响应。因此,通过调节周期性基础频率带隙宽度使其覆盖地震波的主要频段能够有效地阻隔地震波的传播,极大地减小工程结构的动力响应,可以用于工程结构基础隔震和减振。
  • 刘裕禄, 魏树利, 王建
    建筑结构学报. 2020, 41(S2): 86-95. https://doi.org/10.14006/j.jzjgxb.2020.S2.0011
    摘要 ( ) PDF全文 ( )   可视化   收藏
    由于高层建筑自身的加速度放大效应,地震作用下其顶部加速度反应易超出相关规范的限值。过大的加速度反应不仅会造成建筑内物品损坏,同时严重影响居住舒适性。为研究高层建筑顶部加速度特性及相应的控制策略,针对设置消能伸臂体系的高层建筑结构,首先根据欧拉梁理论建立结构在地震激励下的振动方程;然后基于随机地震响应分析阻尼器刚度系数和阻尼系数对结构顶部响应的影响;最后运用考虑加速度影响的LQR-accel算法对结构进行主动控制分析。结果表明:以控制顶部加速度响应为目标时,阻尼器存在最优阻尼系数,其刚度系数则越小越有利,结构顶部加速度的降低幅度约为30%;主动控制可以大幅降低体系顶部加速度响应,但是最优主动控制力中被动力占比不高,仅为55.64%。
  • 周云, 李家乐, 邓雪松, 张超
    建筑结构学报. 2020, 41(S2): 96-103. https://doi.org/10.14006/j.jzjgxb.2020.S2.0012
    摘要 ( ) PDF全文 ( )   可视化   收藏
    钢管铅阻尼器工作性能稳定、耗能能力强,但质量大、成本高。提出一种轻质环保的钢管黏弹性复合阻尼器,并对其构造、原理与特点进行了介绍。采用ABAQUS软件建立实体、中空钢管黏弹性复合阻尼器和钢管铅阻尼器有限元模型,对应力分布、滞回性能、等效累积塑性应变和累积比吸能进行分析。结果表明:钢管黏弹性复合阻尼器工作性能稳定,传力机理明确,滞回曲线饱满对称,在较小的位移即可进入耗能状态,等效阻尼比稳定在45%~50%,累积比吸能大、单位质量耗散能量多,可代替钢管铅阻尼器;实体叠层黏弹性体与中空叠层黏弹性体对钢管黏弹性复合阻尼器性能影响较小,钢管构造参数对钢管黏弹性复合阻尼器性能影响较大;中空钢管黏弹性复合阻尼器综合性能最佳。
  • 装配式结构
  • 谢群, 于晓伟, 薛松, 刘春, 林明强
    建筑结构学报. 2020, 41(S2): 104-113. https://doi.org/10.14006/j.jzjgxb.2020.S2.0013
    摘要 ( ) PDF全文 ( )   可视化   收藏
    为适应装配式结构对于新型楼盖的需求,提出了一种装配式钢筋桁架密肋楼盖,该楼盖由正交肋梁和现浇面层组成,肋梁内设置预制拼装式钢筋桁架,肋梁间填充泡沫混凝土块,在肋梁上部设置钢筋网的混凝土现浇面层,施工中采用特制的可循环利用的装配式铝合金模板体系,该楼盖具有自重轻、装配快捷、兼具承重与保温隔热等特点。为研究该楼盖的受弯性能,设计了2×2和3×3区格各2块楼盖,对其进行静力试验,得到了四边简支和四点简支两种边界条件楼盖在四点集中荷载下的破坏形态、变形特征、裂缝和应变发展规律。试验结果表明:4块楼盖最终在肋梁节点处发生剪切破坏,破坏前肋梁跨中受拉钢筋均达到屈服;钢筋屈服前楼盖的中心挠度基本随荷载线性增长,钢筋屈服后,荷载增长缓慢,但挠度发展明显加快且呈现非线性增长。采用塑性铰线理论对该楼盖的受弯承载力进行计算,四边简支的理论计算结果与试验数据吻合较好。
  • 黄炜, 苗欣蔚, 赵媛媛, 于刚, 张家瑞, 范珍辉
    建筑结构学报. 2020, 41(S2): 114-122. https://doi.org/10.14006/j.jzjgxb.2020.S2.0014
    摘要 ( ) PDF全文 ( )   可视化   收藏
    为探索更加高效、合理的墙体连接方式,设计3榀竖向接缝分别采用螺栓连接、盒式连接和U形钢板连接等干式连接,水平接缝均采用M16高强螺栓连接的一字型全装配式复合墙体试件以及1榀无竖向接缝装配式复合墙体试件,通过低周往复加载试验,对比研究不同竖向接缝连接方式全装配式复合墙体试件的破坏形态、破坏过程、滞回特性、位移延性系数、刚度退化、耗能能力以及竖向接缝的相对变形等性能。结果表明:3种竖向接缝的连接件均未破坏,符合“强节点、弱构件”的抗震设计理念,各复合墙体试件破坏过程基本相同,破坏形态均为剪切破坏,极限位移角均大于1/55,位移延性系数大于4.1。对于3种竖向接缝连接试件,采用螺栓连接的全装配式复合墙体试件承载力最大,变形能力、初始刚度和累积耗能能力居中,破坏时竖缝预埋件与周边混凝土截面部分开裂,竖缝损伤不严重;采用盒式连接的试件初始刚度最大,承载力居中但变形能力最小,累积耗能能力最弱,破坏时竖缝连接件周边混凝土破碎严重;而采用U形钢板连接的试件承载力与初始刚度最小,但其变形能力最好、累积滞回耗能能力最佳,破坏时U形钢板底部发生轻微塑性变形,竖缝连接件周边混凝土损伤最小。
  • 李然, 田春雨, 马云飞
    建筑结构学报. 2020, 41(S2): 123-132. https://doi.org/10.14006/j.jzjgxb.2020.S2.0015
    摘要 ( ) PDF全文 ( )   可视化   收藏
    为提高装配式多层剪力墙结构设计、生产与施工的效率和经济性,提出了应用于装配式多层剪力墙结构竖向接缝与水平接缝的便捷连接方法,其中竖向接缝采用钢锚环灌浆连接,水平接缝采用单排钢筋浆锚连接,形成竖向接缝钢锚环灌浆连接的装配式多层剪力墙结构。钢锚环灌浆连接剪力墙结构具有预制剪力墙构件侧边无外伸钢筋,现场湿作业量小等优点,同时简化了预制构件的连接。通过对钢锚环灌浆接缝连接进行直剪试验、对带有竖向和水平接缝连接的装配式剪力墙试件进行拟静力试验,验证钢锚环灌浆节点的可靠性,得到钢锚环灌浆连接装配式多层剪力墙的破坏模式。结果表明,钢锚环灌浆连接可靠,刚度、承载力较高,单排钢筋浆锚连接可靠。装配式多层剪力墙受力特点与装配整体式高层剪力墙区别较大,装配式多层剪力墙试件的初始刚度、承载力和延性可以满足多层结构的能力需求,破坏模式为水平接缝的弯曲破坏,应分别验算墙体和水平接缝的承载力。
  • 王宇亮, 何斌, 张玉敏, 李祥, 庞豹
    建筑结构学报. 2020, 41(S2): 133-141. https://doi.org/10.14006/j.jzjgxb.2020.S2.0016
    摘要 ( ) PDF全文 ( )   可视化   收藏
    装配式剪力墙结构的接缝是影响其抗震性能的关键因素,尤其是纵墙和横墙交接处,其连接性能对整体结构的抗震性能影响很大。因此,提出将金属阻尼器设置于纵横墙交接处的竖缝中,形成带耗能竖缝的装配式T形或L形截面剪力墙,并制作了2个T形截面剪力墙和2个L形截面剪力墙,设计轴压比分别为0.1和0.3。通过低周往复荷载试验,分析装配剪力墙的承载能力、刚度、滞回性能和耗能性能等。结果表明:装配式T形和L形截面剪力墙整体工作性能良好,阻尼器实现了耗能,提高了结构的抗震性能,起到了连接墙肢的作用,翼缘墙受拉时承载力较高、刚度大,翼缘墙受压时延性较好;T形剪力墙的翼缘尺寸较大,其承载力也比L形截面剪力墙高;提高剪力墙的轴压比可提高其承载能力,但应考虑阻尼器屈服力对单片墙肢轴压比的改变对整体剪力墙产生的影响。
  • 蓝海东, 陈嘉伟, 赵勇
    建筑结构学报. 2020, 41(S2): 142-150. https://doi.org/10.14006/j.jzjgxb.2020.S2.0017
    摘要 ( ) PDF全文 ( )   可视化   收藏
    K形预埋件(HEK)螺栓连接组件是一种用于预制混凝土墙板连接的干式连接件,在德国等非抗震国家和地区有大量应用,但是在我国有抗震设防要求的剪力墙中能否应用需要进一步研究。为此,设计了8个配置K形预埋件螺栓连接组件的预制混凝土剪力墙连接节点试件,分别进行了轴拉、纯剪和固定轴拉力工况下的受剪性能试验,研究此类连接节点的破坏形态、滞回曲线、骨架曲线等受力性能和承载能力,分析了连接节点的传力机理,并提出设计建议。结果表明:轴拉工况下,连接节点会发生预埋HEK侧混凝土的冲切破坏和HEK的滑脱破坏;纯剪和拉剪工况下,连接节点主要发生螺栓剪断破坏;所提出的连接节点受冲切、HEK受拉剪以及螺栓受拉剪的承载力计算公式具有一定的安全度,承载力容许值具有较高的安全储备;HEK螺栓连接节点的荷载-位移曲线可采用四折线模型。
  • 陈海彬, 姜虎, 武立伟
    建筑结构学报. 2020, 41(S2): 151-159. https://doi.org/10.14006/j.jzjgxb.2020.S2.0018
    摘要 ( ) PDF全文 ( )   可视化   收藏
    相对于工程轴斜向的地震作用是影响框架结构“强柱弱梁”破坏机制的重要因素之一。为研究装配式内置圆钢管混凝土异形柱-叠合梁框架中节点斜向地震作用反应,设计制作了3个足尺装配式中节点试件,并进行斜向45°加载。试验变化参数为轴压比(分别为0.2、0.3、0.4),通过水平低周往复荷载试验,分析其破坏形态、滞回性能、耗能能力、刚度退化等。结果表明:框架中节点破坏形态符合建筑抗震设计规范中“强节点、弱构件”的要求,节点安全可靠;轴压比为0.2~0.4时,随着轴压比的增大,试件承载力增大,延性提高;内置圆钢管混凝土的存在能够有效减缓刚度的退化速率;装配式内置圆钢管混凝土异形柱-叠合梁框架按照工程轴方向进行抗震设计可满足“强柱弱梁”破坏机制要求。
  • 陈建伟, 王占文, 鞠士龙, 刘子业
    建筑结构学报. 2020, 41(S2): 160-171. https://doi.org/10.14006/j.jzjgxb.2020.S2.0019
    摘要 ( ) PDF全文 ( )   可视化   收藏
    为研究钢筋偏心缺陷对灌浆套筒钢筋连接受拉性能的影响,设计并制作了6组18个半灌浆套筒钢筋连接试件,考虑两种钢筋偏心类型,即钢筋垂直偏心和斜向偏心,分别用偏心率和偏心角表征其偏心程度。通过单向拉伸试验,研究钢筋偏心对套筒连接承载力、破坏形态、应变分布以及灌浆料损伤深度等受力性能的影响,并采用ABAQUS进行数值模拟和参数分析。研究结果表明:套筒表面纵向应变从出浆口两侧向灌浆口逐渐减小,出浆口位置为最薄弱位置,环向最大压应变位置受两种偏心影响显著;钢筋垂直偏心试件在钢筋贴近侧壁一侧的套筒表面纵向应变大于另一侧的纵向应变,斜向偏心试件套筒表面纵向应变随筒壁与钢筋距离的增大而减小;相同直径钢筋的套筒连接中,斜向偏心套筒连接的灌浆料损伤深度最大,垂直偏心的次之,垂直居中的最小;随着钢筋直径增大,灌浆料损伤深度及其占钢筋嵌入长度的百分比逐渐增大,最大约为钢筋嵌入长度的9.64%。数值模拟与试验结果吻合较好,模拟方法准确可行。
  • 金属结构
  • 汪儒灏, 赵阳, 詹本强
    建筑结构学报. 2020, 41(S2): 172-179. https://doi.org/10.14006/j.jzjgxb.2020.S2.0020
    摘要 ( ) PDF全文 ( )   可视化   收藏
    针对矩形钢管单层网壳中的双节点体系,提出一种基于节点传力方式的简化分析模型,利用该模型推导了在小偏压、大偏压或大偏拉以及小偏拉三种受力状态下节点初始转动刚度与轴弯比的关系函数,并采用实体单元有限元分析结果对其进行验证。结果表明:转动刚度随轴弯比的变化可分为与其受力状态相对应的三个阶段,即转动刚度为常数的小偏压阶段、转动刚度为轴弯比反比例函数的大偏压或大偏拉阶段和转动刚度又为常数的小偏拉阶段。在此基础上,提出基于ANSYS-MATLAB联合分析的半刚性节点杆件模型修正方法,可在双节点体系矩形钢管单层网壳整体分析的杆件单元模型中考虑轴弯比对节点转动刚度的影响;通过算例分析验证了修正方法的有效性。
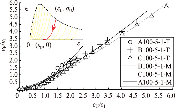
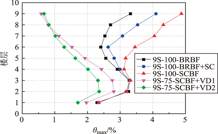
  • 方成, 黄琳婷, 王伟, 陈以一
    建筑结构学报. 2020, 41(S2): 180-191. https://doi.org/10.14006/j.jzjgxb.2020.S2.0021
    摘要 ( ) PDF全文 ( )   可视化   收藏
    针对自复位结构耗能能力不足、峰值变形大、高阶振型效应显著和楼面加速度放大等关键问题,提出了基于混合控制手段的自复位结构减控方法。依据ASCE 7-10规范,设计了含三层和九层自复位支撑钢框架(SCBF)、带黏滞阻尼器的自复位支撑钢框架(SCBF+VD)、屈曲约束支撑框架(BRBF)以及屈曲约束支撑和自复位支撑组合形成的“半自复位”钢框架(BRBF+SC)等16个结构体系模型,利用OpenSees有限元软件建立体系模型,进行了静力推覆分析、非线性时程分析和增量动力分析,在此基础上得到基于最大层间位移角的倒塌易损性曲线和基于残余层间位移角的不同损伤状态易损性曲线。结果表明:附加黏滞阻尼器能够有效改善SCBF耗能能力不足的缺陷,缓解并抑制高阶振型效应,附加黏滞阻尼比为0.15时可降低SCBF的顶层层间位移角达88%,同时楼板加速度响应也得到了大幅抑制,甚至低于BRBF的。另外,与BRBF相比,半自复位钢框架可以有效降低残余变形,并且不会显著增加楼面加速度。SCBF+VD的倒塌裕度比均大于BRBF的。最大可能地震(MCE)水准下,采用附加阻尼比为0.15的三层和九层SCBF残余位移损伤状态超越0.2%的概率与SCBF相比从41%降至12%。
  • 王鹏, 王湛, 潘建荣, 陈磊, 李彬, 覃健桂
    建筑结构学报. 2020, 41(S2): 192-201. https://doi.org/10.14006/j.jzjgxb.2020.S2.0022
    摘要 ( ) PDF全文 ( )   可视化   收藏
    对1个梁柱半刚性连接的钢框架试件和4个梁柱腋撑式连接的半刚性钢框架试件进行侧向循环加载试验,基于各试件的荷载-位移曲线对其侧向刚度、承载力、延性和耗能能力等抗侧性能指标进行研究,总结了5个试件的典型破坏模式,分析了增设的腋撑、腋撑截面大小和梁柱连接的转动刚度等因素对钢框架抗侧性能影响。考虑腋撑与梁柱半刚性连接的协同作用,建立腋撑式钢框架的三种屈服机制,提出该类框架在不同屈服机制下的抗侧刚度理论计算与设计方法。采用ABAQUS有限元软件对试验进行模拟分析,试验结果验证了有限元模型的适用性。采用校核后的有限元模型建立了15个考虑不同参数的腋撑式框架模型,验证了所提出理论计算方法的适用性。研究结果表明:装配式腋撑能有效提高半刚性钢框架的初始抗侧刚度、承载力和耗能能力,延性和变形能力略有下降,与腋撑螺栓连接的梁下翼缘最外侧螺孔为该类型框架的薄弱部位。
  • 范重, 陈宇辰, 柴会娟, 张相勇, 张朝, 夏远哲, 沈平, 薄广达
    建筑结构学报. 2020, 41(S2): 202-212. https://doi.org/10.14006/j.jzjgxb.2020.S2.0023
    摘要 ( ) PDF全文 ( )   可视化   收藏
    为使高烈度区箱形柱设计更为安全、经济合理,根据支承大跨度屋盖钢柱的受力特点,提出一种上部壁厚小、下部壁厚大的变壁厚箱形柱,其截面外形尺寸、抗侧刚度均与等厚箱形柱保持一致,并给出了相应的设计方法。为研究变壁厚箱形柱的受力性能,进行了往复荷载作用下缩尺模型的压弯试验与有限元分析,分析了构件壁厚、上柱高度比和轴压比等参数的影响。试验与有限元分析结果表明:变壁厚箱形柱符合悬臂柱的受力特点,具有良好的抗震性能;变壁厚箱形柱压弯承载力和稳定承载力计算公式与模型试验、有限元分析吻合较好,可以用于变壁厚箱形柱设计;变壁厚箱形柱用钢量明显低于等厚箱形柱,当上柱高度与柱总度之比为0.4左右时,可节约钢材11.7%~16.2%;对于宽厚比满足限值要求、轴压比不大于0.3的箱形柱,变壁厚箱形柱节约钢材的效果较好,具有良好的技术经济性能。
  • 混凝土结构
  • 周柯靖, 陈晖, 易伟建
    建筑结构学报. 2020, 41(S2): 213-226. https://doi.org/10.14006/j.jzjgxb.2020.S2.0024
    摘要 ( ) PDF全文 ( )   可视化   收藏
    钢筋混凝土连梁是联肢剪力墙结构的重要耗能构件,其抗震设计是基于性能的混凝土结构设计理论的重要组成部分。由于小跨高比钢筋混凝土连梁在地震中易发生脆性剪切破坏,如何提高其抗震性能一直是结构抗震领域的研究重点之一。相关研究已经取得了较为完善的成果,但仍存在进一步发展和完善的空间。为明确连梁抗震性能,并梳理和评价相关研究成果,总结了各国规范对连梁的相关规定、连梁的配筋方式、抗震性能试验以及受剪承载力计算模型方面的研究现状,并通过所搜集的92根小跨高比连梁试验数据对各国规范中连梁的受剪承载力公式进行了评价,对连梁受力和变形性能的主要影响因素进行了分析,以期为今后的连梁研究与设计提供参考和建议。
  • 夏晋, 吴仁杰, 金伟良, 毛江鸿, 赵羽习, 王伟力
    建筑结构学报. 2020, 41(S2): 227-234. https://doi.org/10.14006/j.jzjgxb.2020.S2.0025
    摘要 ( ) PDF全文 ( )   可视化   收藏
    为缓解混凝土用砂供需矛盾,用高品质机制砂代替天然砂是大势所趋。徐变作为钢筋混凝土的一个重要性能,是制约机制砂在工程结构中应用的关键因素之一。对比了天然砂和机制砂的四种骨料的颗粒级配、石粉含量和亚甲蓝值等材料指标,研究了机制砂的细观指标特性。设计了天然砂和机制砂钢筋混凝土梁长期持载试验,基于850 d的混凝土梁跨中截面应变和跨中挠度的长期观测数据,发现亚甲蓝值与跨中截面的混凝土表面应变发展具有一定的相关性,随着亚甲蓝值的增大,跨中截面混凝土表面的应变量随时间发展增加。同时,随着时间的增长,机制砂混凝土梁的挠度值逐渐明显大于天然砂混凝土梁的,亚甲蓝值是影响机制砂混凝土梁长期挠度的主要因素之一,挠度发展随亚甲蓝值的增大而增大。
  • 混凝土专辑
  • 牛建刚, 边钰, 许尧
    建筑结构学报. 2020, 41(S2): 235-243. https://doi.org/10.14006/j.jzjgxb.2020.S2.0026
    摘要 ( ) PDF全文 ( )   可视化   收藏
    为研究塑钢纤维轻骨料混凝土空心柱的抗震性能,设计了6根塑钢纤维轻骨料混凝土空心柱和1根塑钢纤维轻骨料混凝土实心柱,通过拟静力试验,研究其破坏模式、滞回性能、耗能能力和受剪承载力等。试验结果表明:空心率和开孔形式对空心柱的抗震性能均有较大影响,空心率较小时,塑钢纤维轻骨料混凝土空心柱的抗震性能与实心柱相似,且延性会有小幅增长;圆孔空心柱的延性和耗能能力优于方孔空心柱的,并随着空心率的增加,二者的差异更加明显;圆孔空心柱的受剪承载力略有不足,两者差异不会因空心率的变化而改变。在此基础上,建立了塑钢纤维轻骨料混凝土空心柱的受剪承载力计算式,其计算值与试验值吻合良好。
  • 混凝土结构
  • 牛建刚, 刘威亨, 李明闯
    建筑结构学报. 2020, 41(S2): 244-251. https://doi.org/10.14006/j.jzjgxb.2020.S2.0027
    摘要 ( ) PDF全文 ( )   可视化   收藏
    为研究塑钢纤维轻骨料混凝土空心短柱轴压性能,进行了9组试验柱的轴压试验,并采用ABAQUS有限元软件进行了2根空心柱的有限元模拟,考虑了壁宽比(0.3、0.34、0.4和0.5)、开孔形式(圆形、方形)等因素的影响。试验结果表明:未配筋混凝土空心柱大多呈上下贯通的竖向裂缝,而配筋混凝土空心柱裂缝长度明显缩短、裂缝数量减少;随着壁宽比减小,圆孔空心柱的峰值荷载先增大后减小,变形延性系数先减小后增大,而方孔空心柱的峰值荷载减小,变形延性系数先增大后减小。有限元模拟结果表明,圆孔空心柱中部高度横截面上混凝土压应力分布较均匀,基本呈圆环状分布,且裂缝易先从壁薄处产生并向外扩展;方孔空心柱混凝土压应力在中部高度处呈方形分布,拉应力分布于试件上下端的内壁和中部高度处混凝土的外表面,裂缝易从方孔角部产生并向外扩展。
  • 曾维来, 赵羽习
    建筑结构学报. 2020, 41(S2): 252-262. https://doi.org/10.14006/j.jzjgxb.2020.S2.0028
    摘要 ( ) PDF全文 ( )   可视化   收藏
    为了解决建筑废弃物排放量大、砂石天然资源短缺的问题,再生骨料的概念被提出来。为了进一步推动再生骨料在实际工程中的应用,需要测试再生骨料混凝土结构构件的耐久性能。设计并制作再生粗骨料取代率分别为0%、50%和100%的三组再生粗骨料混凝土柱,对每组再生粗骨料混凝土柱,同时设置了一般大气环境、大偏压荷载与氯盐侵蚀共同作用和小偏压荷载与氯盐侵蚀共同作用等3种服役环境。在损伤龄期34个月内,通过预埋在再生粗骨料混凝土柱受压侧中间段的混凝土应变计监测了混凝土的应变变化,同时通过裂缝观测仪记录了再生骨料混凝土柱外表面裂缝形态、宽度、长度的开展过程;在损伤结束后,通过偏压承载力测试并分析了损伤再生粗骨料混凝土柱的力学性能。结果表明:再生粗骨料混凝土柱在持续荷载和氯盐侵蚀共同作用下压应变变化值是天然骨料混凝土柱的1.05~1.2倍,即再生粗骨料混凝土柱抵抗变形的能力更弱;此外,再生粗骨料混凝土柱表面横向裂缝和锈胀裂缝的总面积约为天然骨料混凝土柱的1.2~1.6倍,即再生粗骨料混凝土柱的损伤程度更严重;而对于未损伤组和损伤组的混凝土,再生粗骨料混凝土柱比天然骨料混凝土柱的偏压承载力降低了10%~20%。
  • 组合结构
  • 卢宇杰, 程逸建, 程正珲, 吕清芳, 刘烨
    建筑结构学报. 2020, 41(S2): 263-269. https://doi.org/10.14006/j.jzjgxb.2020.S2.0029
    摘要 ( ) PDF全文 ( )   可视化   收藏
    为研究悬挂结构中悬挂楼盖在人致荷载下的振动响应,首先对此楼盖进行了动力特性测试,测得其多阶振型及自振频率等动力特性参数,然后在楼盖上施加了多种人致激励,分析了行走人数和体重、步频、测点位置等因素对楼盖振动性能的影响,最后结合国际规范ISO 10137对其进行舒适度评价。试验结果表明:随着各种激励频率的增加,楼盖各点位的振动响应随之增大;楼盖行走人数从一人增加到两人,楼盖振动响应明显增大,再增加到三人,变化不明显;楼盖各点位的振动响应和其所在位置的竖向刚度有关,受到竖向约束越大,刚度大的点位受激励影响越小。结合ISO 10137中的均方根加速度限值曲线,经初步评估,除个别极端工况外,该楼盖在大部分工况下均小于居住的均方根加速度限值,基本满足车间的舒适度要求。
  • 严加宝, 刘青峰, 张令心, 王涛
    建筑结构学报. 2020, 41(S2): 270-279. https://doi.org/10.14006/j.jzjgxb.2020.S2.0030
    摘要 ( ) PDF全文 ( )   可视化   收藏
    为研究钢-混凝土-钢组合结构在飞机失事、汽车撞击、导弹袭击等意外冲击荷载下的抗冲击性能,以使用槽钢连接件的钢-混凝土-钢组合剪力墙为研究对象,通过落锤冲击试验和有限元分析对冲击作用下墙体的动态响应展开研究,得到了组合墙在冲击荷载作用下的破坏形态以及不同参数对组合墙抗冲击性能的影响规律。试验结果表明:当冲击能量从15 kJ增加到22 kJ和27 kJ时,组合剪力墙的破坏模式由混凝土的弯曲破坏逐渐发展为混凝土弯剪联合破坏,并在冲击能量达到27 kJ时出现了钢板的屈曲和钢板与混凝土的分离;有限元分析结果表明,增加钢板厚度和在墙体两侧设置暗柱能够有效提高组合墙的抗冲击承载能力,减小槽钢连接件间距主要影响第1阶段的冲击响应,提高局部接触刚度,减小墙体变形。
  • 王庆利, 李旭亮, 车媛, 邵永波
    建筑结构学报. 2020, 41(S2): 280-290. https://doi.org/10.14006/j.jzjgxb.2020.S2.0031
    摘要 ( ) PDF全文 ( )   可视化   收藏
    为了研究碳纤维增强聚合物(CFRP)-圆钢管混凝土的扭转性能,进行了18个CFRP-圆钢管混凝土试件的扭转静力试验和有限元分析。试验研究表明:CFRP-圆钢管混凝土典型的扭矩-转角曲线可以对应划分为试件的初始弹性阶段、刚度退化的第二弹性阶段、弹塑性阶段和塑性阶段;试件在经历了较大的变形后仍可以保持较高的承载力,属于延性破坏;随着混凝土强度的提高和CFRP层数的增加,CFRP-圆钢管混凝土承载力和弹性阶段的刚度都有所提高;钢管和CFRP可以协同工作,变形基本符合平截面假定,纵向应变与横向应变均为拉应变。应用ABAQUS模拟了CFRP-圆钢管混凝土扭矩-转角曲线和破坏模态,并且进行了受力全过程分析,模拟和分析结果与试验现象和结果吻合良好。参数分析表明:CFRP-圆钢管混凝土扭矩-转角曲线的形状对参数的变化不敏感;但钢材屈服强度或含钢率的提高可以显著提高受扭承载力,混凝土强度的提高可使承载力有所提高,而CFRP层数的增加仅对承载力贡献;含钢率的提高可以提高CFRP-圆钢管混凝土的刚度。定义了CFRP-圆钢管混凝土的抗扭剪切强度,给出了CFRP-圆钢管混凝土的受扭承载力计算式,计算结果与试验结果吻合良好。
  • 王春刚, 李禹东, 张壮南, 齐芮, 刘珅
    建筑结构学报. 2020, 41(S2): 291-303. https://doi.org/10.14006/j.jzjgxb.2020.S2.0032
    摘要 ( ) PDF全文 ( )   可视化   收藏
    为研究角撑加强型冷弯薄壁型钢组合墙体的受剪性能,设计了1个无角撑的冷弯薄壁型钢骨架、1个角撑加强型冷弯薄壁型钢骨架和8个角撑加强型冷弯薄壁型钢为骨架,并以石膏板或OSB板作为覆面板的组合墙体试件进行了水平单调加载和有、无竖向荷载作用的水平低周反复加载试验,对比分析了钢骨架和组合墙体的刚度、受剪承载力、位移延性系数、能量耗散系数等力学性能指标。对钢骨架受剪承载力及延性、单面板与双面板墙体承载力、墙体竖向荷载以及角撑长度进行了有限元分析,结果表明:角撑加强能够有效提高组合墙体的抗震性能,使得骨架的受剪承载力和位移延性系数分别提高40%和17%左右;单调荷载作用下,OSB板和石膏板覆面的角撑加强型双面板墙体受剪承载力约等于相应单面板墙体2倍承载力与其骨架承载力之差;无竖向荷载低周反复加载下墙体的受剪承载力和刚度较单调加载下的低,但其延性较好;当竖向荷载在120 kN以内能够使低周反复作用下试件的刚度、受剪承载力、延性和耗能能力得到较大提升,但当竖向荷载超过120 kN时墙体的抗震性能降低。角撑投影长度与立柱长度比值约为1/12的组合墙体抗震性能最好,增大或减小角撑长度均会使墙体的抗震性能降低。
  • 张玉琢, 吕学涛, 王庆贺, 徐倩, 刘发起
    建筑结构学报. 2020, 41(S2): 304-313. https://doi.org/10.14006/j.jzjgxb.2020.S2.0033
    摘要 ( ) PDF全文 ( )   可视化   收藏
    针对方钢管混凝土柱在轴压作用下四边受力不均匀、非加载边处于弹性约束的受力状态,采用能量法及耦合系数R、β对方钢管混凝土外包钢板在热力耦合情况下的屈曲性能进行分析。再通过求解钢板局部屈曲强度本征值问题得到临界屈曲系数理论表达式,并给出简化计算公式。分析构件长宽比γ、弹性约束系数χT、构件宽厚比b/t对轴压作用下方钢管混凝土柱局部屈曲性能的影响。并根据G. Winter公式提出热力耦合作用下方钢管混凝土柱的宽厚比限值。结果表明:热力耦合作用下,长宽比γ是影响临界屈曲系数的最主要因素,临界屈曲系数随长宽比增大呈非线性下降;当长宽比一定时,宽厚比b/t是临界屈曲温度的重要影响因素,Tcr随宽厚比b/t增大而减小;当弹性约束系数χT>30时,简化公式具有较高的精度;临界屈曲温度越高,对应的钢管宽厚比限值越小。
  • 孙昕, 王伟, 王俊杰, 赵勇
    建筑结构学报. 2020, 41(S2): 314-322. https://doi.org/10.14006/j.jzjgxb.2020.S2.0034
    摘要 ( ) PDF全文 ( )   可视化   收藏
    为研究楼板对组合梁-方钢管柱刚接节点抗连续性倒塌性能的影响和破坏机理,以组合梁-方钢管柱刚接节点为研究对象,设计并制作了中柱和边柱两个节点试验子结构。通过静力加载试验分别研究了失效柱处节点(中柱节点)和相邻柱处节点(边柱节点)的破坏模式和受力性能。试验结果表明,中柱节点子结构在小变形下的承载力主要由抗弯机制和压拱效应共同提供,大变形下的承载力主要由悬索机制提供;而边柱节点子结构在小变形下的承载力主要由抗弯机制提供,大变形下的承载力主要由悬索机制提供。压拱效应的存在使得中柱节点子结构在受弯阶段的竖向承载力提高了20%,但压拱效应的存在也会推迟悬链线效应的发展,因此在悬索阶段,失效柱邻侧节点ST-S-RC的结构抗力明显高于失效柱中柱节点ST-M-RC的。
  • 工程实践
  • 武岳, 刘秀明, 罗鹏, PRONK Arno
    建筑结构学报. 2020, 41(S2): 323-329. https://doi.org/10.14006/j.jzjgxb.2020.S2.0035
    摘要 ( ) PDF全文 ( )   可视化   收藏
    冰壳结构是一种以冰、雪为主要施工材料建造的空间薄壳建筑,具有材料易获取,造型丰富美观的特点,在冰雪产业和极地开发领域具有较大的应用前景。为促进冰雪建筑结构在我国的推广和创新,提出了大跨度冰壳结构的设计建造一体化技术,主要从结构热力耦合分析、气膜模板形态控制、喷射施工仿真及结构响应监测等4个方面进行阐述,总结了冰壳结构设计与施工关键技术环节;结合近几年开展的大跨度冰壳结构典型工程案例,介绍了设计施工关键技术在冰壳工程中的应用。相关研究成果可拓宽冰雪建筑的建造规模与结构造型,实现大跨度冰壳结构科学施工与安全评估,也可为制定冰壳结构设计建造标准提供理论与实践依据。
  • 闫续, 鲁巧稚, 左勇志, 刘育民, 祝磊, 左凌霄
    建筑结构学报. 2020, 41(S2): 330-339. https://doi.org/10.14006/j.jzjgxb.2020.S2.0036
    摘要 ( ) PDF全文 ( )   可视化   收藏
    为了研究某复杂异形拱壳结构屋面网壳钢化玻璃面板、拉索玻璃幕墙面板钢化玻璃频繁自爆问题及其解决措施,对其开展为期9个月的结构体系监测、检测,并采用现场实测数据建立结构整体有限元复核模型,研究结构受力、变形对钢化玻璃自爆的影响。结果表明:监测期内自爆玻璃具有渣点,杂质为其爆裂的内部原因;结构检测结果显示结构已存在较大变形,这是导致面板受力不均而发生自爆的主要原因;根据实测数据,斜拉索拉力对温度变化较为敏感,且部分拉索状态已较为松弛,会对结构体系变形产生不利影响;根据计算结果,结构体系较柔,在施工及使用过程中容易发生较大变形,对面板受力产生不利影响;根据幕墙位移监测记录,结构变形已趋于稳定,且玻璃自爆数量近年有显著下降,建议对松弛斜拉索进行补张拉,并采用光弹扫描法等对现有玻璃面板进行风险评估,预先更换自爆风险等级较高的面板。
  • 张峥, 葛迪, 周旋, 顾昉
    建筑结构学报. 2020, 41(S2): 340-348. https://doi.org/10.14006/j.jzjgxb.2020.S2.0037
    摘要 ( ) PDF全文 ( )   可视化   收藏
    为总结此类开合屋盖结构设计分析要点以供相关工程设计参考,结合已建成或设计完成的游泳馆类开合屋盖项目,分析游泳馆类开合屋盖结构的特点与设计关键问题。与常规开合屋盖结构相比,游泳馆类开合屋盖在使用期限内开启频率高,场内外温差大,气密性和水密性要求更为严格。游泳馆类开合屋盖结构常采用沿泳池长边方向平行移动的方式开启,较为经济合理;活动屋盖部分的结构布置需要综合考虑建筑造型、固定屋盖结构形式以及驱动设备系统的适应性;当活动屋盖的运行轨道支承于固定屋盖钢结构上时,固定屋盖结构的竖向刚度对于开合屋盖的正常运行有非常大的影响,在保证开合屋盖结构具有合理刚度的同时还需要保证室内结构布置的简洁;游泳馆类开合屋盖结构优先选用轮式自驱动力系统,台车运行的同步精度要求较高时,可以选用齿轮齿条驱动系统。
  • 黄信, 朱旭东, 胡雪瀛, 黄兆纬, 齐麟
    建筑结构学报. 2020, 41(S2): 349-356. https://doi.org/10.14006/j.jzjgxb.2020.S2.0038
    摘要 ( ) PDF全文 ( )   可视化   收藏
    为研究不对称竖向收进高层结构的抗震性能,结合某233.1 m超限工程实例进行结构抗震性能分析与设计。结构采用钢管混凝土框架-核心筒-伸臂桁架体系,基于性能化抗震分析方法,对该结构进行多遇地震反应谱和时程分析、设防地震等效弹性分析以及罕遇地震弹塑性时程分析,获得了竖向不对称收进高层结构的楼层位移角和剪力分布,研究了伸臂桁架及核心筒等构件的抗震性能。结果表明,设置伸臂桁架后结构在多遇地震作用下的X向层间位移角由1/474减小至1/593,小于规范规定的层间位移角限值1/533;伸臂桁架构件尺寸应由设防地震作用确定,通过持续增加杆件尺寸并不能有效降低伸臂桁架杆件应力比;结构外框架承担的楼层剪力比最小为5.22%,外框架和核心筒能够形成双重抗侧力体系;伸臂楼层的外框架承担的楼层剪力比达到55.3%,表明伸臂桁架加强了外框架和核心筒的协同工作能力;设防地震作用下,结构底部加强区剪力墙等效拉应力小于混凝土抗拉强度标准值,对于个别等效应力较大的墙体应增加配筋予以加强;罕遇地震作用下,核心筒剪力墙轻微损坏,剪力墙损伤明显区域集中于伸臂桁架楼层及其相邻上部楼层,连梁损伤因子超过0.5,伸臂桁架满足预定的性能目标。
  • 赵昕, 姚杰, 江祥, 杨悦,
    建筑结构学报. 2020, 41(S2): 357-364. https://doi.org/10.14006/j.jzjgxb.2020.S2.0039
    摘要 ( ) PDF全文 ( )   可视化   收藏
    风振舒适度作为超高结构设计的控制性因素之一,对于结构风致振动不满足舒适度性能水平要求的情况,传统的装置减振方法在舒适度性能优化领域已得到广泛应用,然而当顶点舒适度小幅超限时,装置减振的成本往往过高。针对顶点加速度小幅超限问题,提出顶点加速度关于构件成本的敏感性分析方法。以超高结构为背景,采用动力修正优化设计方法,研究横向风振作用下顶点加速度对结构构件尺寸的敏感程度。在顶点加速度构件敏感性的研究基础上,提出了结构顶点加速度小幅超限情况作用下超高结构风振舒适度性能优化方法。对某超高层建筑进行舒适度超限分析及优化并与装置减振方法作了经济性对比,结果表明,对于顶点加速度小幅超限情况,所提出的顶点加速度关于构件敏感性的风振舒适度性能优化方法合理、有效。结合实际工程案例,对不满足舒适度水平要求的超高建筑结构给出了舒适度性能提升及优化建议,即当顶点加速度超限幅度小于20%时,建议采用动力修正优化设计的方案。
  • 王世玉, 丁洁民, 吴宏磊, 吴昊
    建筑结构学报. 2020, 41(S2): 365-373. https://doi.org/10.14006/j.jzjgxb.2020.S2.0040
    摘要 ( ) PDF全文 ( )   可视化   收藏
    随着现代建筑向复杂方向发展,竖向构件会出现不连续的情形,这会使竖向荷载的传递方式更加多样化。为此,通过对竖向荷载类型及特点进行归纳总结,将竖向荷载传递路径分为三类,包括竖直向下传递,竖向荷载通过转换梁、转换桁架、转换斜撑和转换拉索等转换结构沿水平方向传递至相邻竖向构件再向下传递,以及竖向荷载通过吊杆以屋顶悬挂或分区悬挂的方式向上传递,再通过水平转换结构传递至其他竖向构件,最后向下传递至基础。传递路径与建筑造型和建筑功能密切相关,通过大量工程实例,对复杂建筑结构竖向荷载传递路径的选取依据和工程实践的总结,得到了竖向荷载两类传递的结构适用跨度与范围,以期为复杂建筑结构竖向传力体系的设计提供参考。
  • 基础理论与共性技术
  • 施刚, 张紫千, 陈学森, 高源
    建筑结构学报. 2020, 41(S2): 374-381. https://doi.org/10.14006/j.jzjgxb.2020.S2.0041
    摘要 ( ) PDF全文 ( )   可视化   收藏
    残余应力是影响输电铁塔大规格角钢构件整体稳定性能的重要因素。大规格角钢肢长一般超过200 mm,其残余应力分布受增大的尺寸影响,这与普通角钢有较大差异。为研究考虑焊接端板影响的Q420大规格角钢残余应力分布,采用盲孔法分别测量了带焊接端板的300×30非镀锌和镀锌热轧角钢的残余应力。基于测得的角钢纵向、横向残余应力数据,研究镀锌、离焊缝距离等因素对纵、横向残余应力分布的影响,并得出大规格角钢焊接端板构件的残余应力分布规律。结果表明:纵、横向残余应力随着与端板焊缝距离的增大而呈现减小、增大交替的波浪式起伏变化;镀锌降低了残余应力幅值,使残余应力分布趋于平缓;在焊接和轧制残余应力的共同作用下,使角钢两肢的残余应力分布更为复杂。通过分析端部焊缝影响下非镀锌和镀锌热轧角钢的残余应力分布规律,评估了端部焊缝和镀锌等因素的影响,以期为进一步研究此类构件的力学性能提供参考。
  • 方苇, 陈梦成, 张锐, 谢力
    建筑结构学报. 2020, 41(S2): 382-388. https://doi.org/10.14006/j.jzjgxb.2020.S2.0042
    摘要 ( ) PDF全文 ( )   可视化   收藏
    针对实际工程中钢结构锈蚀数据采集周期长、数据少且离散性较大等问题,通过对Q235钢材进行模拟酸雨喷淋加速锈蚀试验,得到钢材的锈蚀质量损失数据。结合随机过程理论,建立了基于时变Gamma随机过程的钢材锈蚀质量增长模型。然后利用Bayesian更新理论和马尔卡夫链蒙特卡洛方法,对钢材锈蚀质量增长模型随机参数进行更新,进而预测钢材在下一个试验周期内的锈蚀质量增长轨迹。结果表明,该方法可以实现钢材锈蚀质量增长随机过程模型随机参数的修正,有效预测钢材锈蚀质量增长规律。可为预测钢材锈蚀寿命和制定钢结构维护策略提供参考。
  • 朱前坤, 尚旭强, 张琼, 杜永峰, ZIVANOVIC Stana
    建筑结构学报. 2020, 41(S2): 389-396. https://doi.org/10.14006/j.jzjgxb.2020.S2.0043
    摘要 ( ) PDF全文 ( )   可视化   收藏
    大跨度梁板结构的人致振动已成为现代楼板结构体系设计中需要解决的常见问题,为准确评估此类结构的振动特性,需使用一个合理的步行荷载模型进行仿真。基于倒立摆模型(inverted pendulum model, IPM)、圆弧足底模型(rocker root model,RFM)和质量弹簧模型(spring mass model, SMM),通过大量模拟得到行人步频、平均步速、动载因子和质心运动轨迹等,并与已有的试验结果相对比,分别得到三种模型的真实输入参数取值范围。结果表明:IPM和RFM能较好地再现人体步态历程和质心竖向位移时程,且真实输入参数范围较宽,可用于研究人-结构竖向相互作用;SMM能够较为准确地描述行人步态历程和质心竖向位移时程,步行力时程曲线也与试验结果吻合,但该模型真实输入参数取值范围较窄,不适合用于研究人-结构相互作用。IPM、RFM可为柔性结构下考虑行人-结构相互作用的生物力学模型的建立提供参考。
  • 郭满良, 李德
    建筑结构学报. 2020, 41(S2): 397-403. https://doi.org/10.14006/j.jzjgxb.2020.S2.0044
    摘要 ( ) PDF全文 ( )   可视化   收藏
    结构内力分布与结构刚度分布有关,在一定的结构刚度分布及荷载分布条件下,刚度大的节点,内力较大,刚度小的节点,内力较小。为解决传统结构构件设计计算时内力分布不均的普遍劣性,建立一种结构构件的双态受力设计方法,超静定结构中某构件的一端或两端节点设计为双态连接,形成双态结构,对双态结构施加荷载,使内力分布得以均化。介绍了双态受力设计方法的基本概念,给出了任意超静定结构构件在受任意荷载情况下采用双态受力设计方法计算其内力分布的过程步骤,并通过典型算例予以验证。同时推导出了双态结构荷载分段比例与内力消减率的关系式,该关系式及其典型算例计算结果表明,双态受力设计方法较传统设计方法可使构件内力降低1/4~1/3,经济效益显著。
  • 孟诗乔, 张啸天, 乔甦阳, 周颖
    建筑结构学报. 2020, 41(S2): 404-410. https://doi.org/10.14006/j.jzjgxb.2020.S2.0045
    摘要 ( ) PDF全文 ( )   可视化   收藏
    为提高混凝土结构裂缝识别的有效性和准确性,基于深度学习技术,建立了一种包含网格优化模块的卷积神经网络(Grid-Deeplab)模型,用于识别裂缝区域并实现像素级语义分割。采用Grid-Deeplab模型,通过对网格化后裂缝图像的具有不同重要性特征的子区域进行建模,使模型具有区别图像有效区域的能力,从而显著提升了裂缝检测模型的检测效率和准确率。采用平均交并比作为评价标准,在数据集上将提出的Grid-Deeplab模型与既有的U-Net、SegNet、FCN和Deeplab等多种神经网络模型进行测试,结果表明,Grid-Deeplab优化模型在测试集上的平均交并比达到0.77,识别准确率优于现有的其他模型。
  • 王德弘, 沈彤, 鞠彦忠, 郑文忠, 曾聪
    建筑结构学报. 2020, 41(S2): 411-419. https://doi.org/10.14006/j.jzjgxb.2020.S2.0046
    摘要 ( ) PDF全文 ( )   可视化   收藏
  • 段珍华, 侯少丹, 潘智生, 江山山, 肖建庄
    建筑结构学报. 2020, 41(S2): 411-419. https://doi.org/10.14006/j.jzjgxb.2020.S2.0047
    摘要 ( ) PDF全文 ( )   可视化   收藏
    再生细骨料表面附着老砂浆会导致其孔隙率和吸水率的提高,使得所制备混凝土的工作性能和硬化性能降低,阻碍了其在实际工程中的应用。为此,开展再生细骨料混凝土常规工作性能试验、流变性能试验、力学性能试验和氯离子渗透性试验,研究再生细骨料取代率(0、25%、50%、75%和100%)对新拌混凝土流变性能、硬化后混凝土早期力学性能和抗氯离子渗透性能的影响。研究发现,再生细骨料的使用会使新拌混凝土的坍落度和扩展度损失加快,屈服应力增大,塑性黏度降低。当再生细骨料的取代率在50%以内时,可以通过调整减水剂用量降低新拌混凝土的塑性黏度,对其流变性能进行有效调控,当取代率高于50%时,减水剂对混凝土流变性的调控作用有限。当取代率为50%时,再生混凝土的28 d抗压强度和氯离子扩散系数分别为普通混凝土的71%和200%以内。当取代率为100%时,再生混凝土的28 d立方体抗压强度仅为普通混凝土的55%。因此,再生细骨料可取代天然砂应用于高流动度混凝土中,其推荐用量为25%~50%。
  • 李贞, 刘加平, 肖建庄
    建筑结构学报. 2020, 41(S2): 427-435. https://doi.org/10.14006/j.jzjgxb.2020.S2.0048
    摘要 ( ) PDF全文 ( )   可视化   收藏
    再生细骨料(RFA)相对于天然细骨料具有更大的吸水率,导致水泥基材料体积稳定性较差。为研究RFA吸水率对水泥基材料收缩性能的影响规律及其作用机制,采用3种具有不同吸水率(12.41%、10.76%和9.22%)的饱和RFA制备水泥砂浆,分阶段研究RFA砂浆24 h前早期自收缩变形和24 h后的长期自收缩变形,以及标准养护7 d后的干燥收缩行为。结果表明:RFA降低了砂浆24 h前自收缩,并随着RFA吸水率的提高,降低幅度有所增大;但是24 h后RFA对砂浆自收缩的缓解效果逐渐降低。RFA增大砂浆的干燥收缩,且随着RFA吸水率的提高,增大幅度有所提高。基于毛细管张力理论,测试了砂浆不同龄期的相对湿度、水分损失、弹性模量和水化程度,揭示了饱和RFA对砂浆自收缩和干燥收缩的正负效应,即密封养护条件下,RFA缓解试件湿度下降,降低弹性模量,提高水化程度;干燥养护条件下,RFA加大试件水分损失,降低弹性模量,降低水化程度。采用CaO膨胀剂和减缩剂缓解RFA砂浆自收缩和干燥收缩效应,研究结果表明,CaO膨胀剂的缓解作用先于减缩剂,减缩剂在后期效果更佳。最后提出当实际工程中采用RFA时,应添加适量的膨胀剂和减缩剂缓解水泥基材料的收缩变形。
  • 王长青, 肖建庄, 李秋义
    建筑结构学报. 2020, 41(S2): 436-442. https://doi.org/10.14006/j.jzjgxb.2020.S2.0049
    摘要 ( ) PDF全文 ( )   可视化   收藏
    约束再生混凝土在循环往复荷载作用下的受力和变形性能对再生混凝土结构的承载能力、延性和恢复力特性等有重要影响,强度和变形演化规律是再生混凝土结构在抗震设防地区推广和应用的基础研究工作之一。在前期研究工作基础上,为进一步探求加载模式、约束条件和再生粗骨料取代率等综合因素对再生混凝土力学性能的影响机理,采用循环反复加载制度,完成54个约束再生混凝土试件单轴受压试验,分析约束再生混凝土的强度和变形性能。试验结果表明:配置方形箍筋、菱形复合箍筋和八边形复合箍筋的约束再生混凝土试件在循环往复荷载下的应力-应变包络曲线、共同点轨迹曲线和单调荷载作用下的应力-应变关系全曲线分布形式相似,共同点轨迹曲线与包络线的相似比值在0.718~0.925之间;与非约束再生混凝土相比,箍筋约束后再生混凝土的强度和变形能力显著提高;随着卸载应变的增大,残余应变随之增大。建立循环往复荷载下约束再生混凝土的残余变形方程,给出再生混凝土卸载应力-应变曲线模型。提出再生混凝土脆性偏大的解决办法,以期为再生混凝土结构抗震优化设计提供参考。
  • 蔡炜, 方海, 刘伟庆, 莫立武, 吴万开
    建筑结构学报. 2020, 41(S2): 443-450. https://doi.org/10.14006/j.jzjgxb.2020.S2.0050
    摘要 ( ) PDF全文 ( )   可视化   收藏
    磷酸盐水泥(magnesium phosphate concrete,MPC)是一种新型无机胶凝材料,具有快硬、早强等优点。为了将微细钢纤维增强和碳纤维织物网格增强磷酸盐水泥基复合材料的优异性能更好地应用于混凝土结构修补加固领域,研究了两种MPC复合材料与旧混凝土的双面剪切性能,得到了其极限荷载及破坏模式,分析凿糙、开槽、植筋3种不同界面处理方式和不同旧混凝土强度等级对两种MPC复合材料与旧混凝土界面黏结性能的影响规律。结果表明:3种界面处理方式均能不同程度地改善界面黏结性能,其中界面的凿糙处理效果最好,其次是开槽处理;微细钢纤维增强磷酸盐水泥基复合材料与旧混凝土黏结界面凿糙、植筋和开槽处理相对于界面未处理的平均抗剪强度提升幅度,最大为284.31%、196.08%和250.98%;碳纤维织物增强磷酸盐水泥基复合材料与旧混凝土黏结界面凿糙、植筋和开槽处理相对于界面未处理的平均抗剪强度提升幅度,最大为306.38%、195.74%和221.28%。