×
模态框(Modal)标题
在这里添加一些文本
关闭
关闭
提交更改
取消
确定并提交
×
模态框(Modal)标题
×
下载引用文件后,可以用常见的文献管理软件打开和编辑,包括: BibTex, EndNote, ProCite, RefWorks, and Reference Manager.
选择文件类型/文献管理软件名称
RIS (ProCite, Reference Manager)
BibTeX
选择包含的内容
仅文章引用信息
引用信息及摘要
导出
ISSN 1000-6869 CN 11-1931/TU
Toggle navigation
首 页
期刊介绍
期刊基本信息
编委会
获奖情况
投稿指南
征稿简则
写作要求
文件下载
通知公告
会议信息
理事会
联系我们
联系我们
留言板
English
2020年, 第41卷, 第11期 刊出日期:2020-11-05
全选
|
混凝土及组合结构
Select
足尺震损钢筋混凝土柱耐火性能试验研究
文波, 高洁, 张路, 王鲁哲
建筑结构学报. 2020, 41(11): 1-15.
https://doi.org/10.14006/j.jzjgxb.2019.0473
摘要
(
)
PDF全文
(
)
可视化
收藏
地震次生火灾具有发生概率高、灾害破坏力强、损失巨大和机理复杂等特点,为分析震后火灾环境下钢筋混凝土柱构件的抗火性能,以钢筋混凝土柱的裂缝、混凝土剥落和残余变形作为地震损伤形式,设计了7根带有预制损伤的足尺钢筋混凝土方形截面柱,进行明火试验,研究不同几何损伤形式及损伤程度对混凝土柱的火灾破坏特征、截面温度场分布、竖向变形过程及耐火极限等性能影响规律。试验结果表明,预制损伤混凝土柱构件的火灾破坏程度明显大于无损伤混凝土柱,其中混凝土剥落对震损柱内部温度场及耐火性能的影响最大。根据足尺混凝土柱的耐火试验结果,采用ABAQUS有限元软件分析震损混凝土柱的温度场分布与耐火极限,结果表明:当试件端部产生保护层剥落时,剥落区轴向等温线向柱中心凹陷,整体呈“瓶颈”状;轴压比与剥落厚度对震损混凝土柱耐火极限有较大影响;残余变形小于GB 50011—2010《建筑抗震设计规范》中的弹塑性层间位移角1/50时,残余变形对震损混凝土柱的耐火极限影响有限。通过拟合得到了混凝土柱的轴压比、残余层间位移角、剥落厚度与其耐火极限之间的量化关系式,关系式计算结果与试验结果吻合较好。
Select
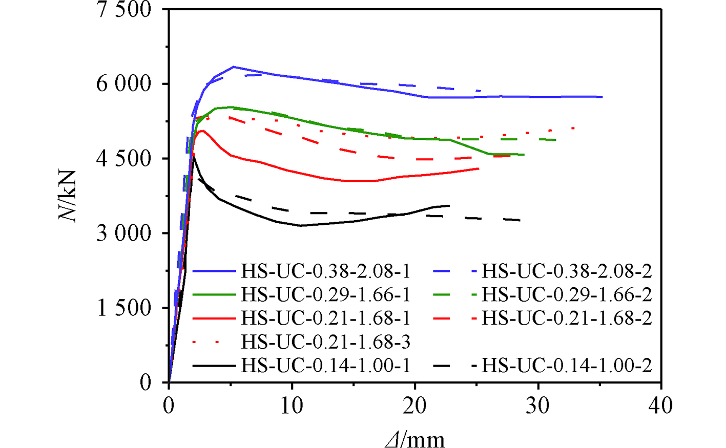
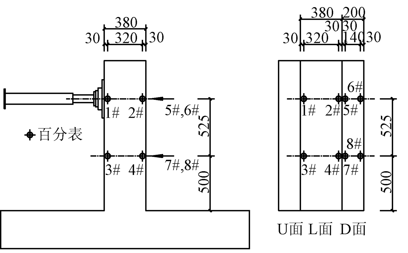
圆高强钢管超高性能混凝土短柱轴压性能试验研究
韦建刚, 罗霞, 欧智菁, 陈宝春
建筑结构学报. 2020, 41(11): 16-28.
https://doi.org/10.14006/j.jzjgxb.2019.0337
摘要
(
)
PDF全文
(
)
可视化
收藏
为研究采用高强材料的钢管混凝土构件的基本力学性能,开展9根含钢率为0.14~0.38的高强钢管超高性能混凝土(ultra-high performance concrete,UHPC)短柱轴压性能试验,同时分析钢管强度和混凝土强度变化对轴压性能的影响。试验结果表明:与普通钢管UHPC柱和高强钢管普通混凝土柱相比,若其他条件相近,高强钢管UHPC柱中高强钢管的局部鼓曲和UHPC的脆性特征得到更明显改善。钢管屈服后,为避免UHPC产生过大的横向膨胀而导致强度损失,应控制套箍作用尽早出现。采用已验证的有限元模型,开展参数分析发现,钢管混凝土短柱的轴压承载力随含钢率的增加而增大,二者的关系与混凝土强度基本独立,但与钢管强度密切相关。由于材料强度超出了现有规范的限定范围,GB 50936—2014《钢管混凝土结构技术规程》中对高强材料钢管混凝土短柱轴压承载力的预测存在一定偏差。基于有限元数据样本,建立了高强材料钢管混凝土短柱的轴压承载力计算方法。经相关文献的试验结果验证表明,该计算方法的预测精度高,可用于实际工程。
Select
沿翼缘加载的型钢混凝土T形柱抗震性能试验及有限元分析
刘祖强, 李雅婷, 薛建阳, 周超锋
建筑结构学报. 2020, 41(11): 29-40.
https://doi.org/10.14006/j.jzjgxb.2019.0384
摘要
(
)
PDF全文
(
)
可视化
收藏
型钢混凝土T形柱截面不规则,沿腹板和翼缘两个主轴方向的受力性能差异较大。为研究实腹式型钢混凝土T形柱沿翼缘方向的抗震性能,对10个缩尺比为1∶2不同参数下的T形柱进行了水平加载试验。考虑了加载制度、轴压比和配钢率的影响,观察了T形柱的受力过程,分析其破坏形态及水平荷载-位移曲线、承载力、刚度、侧移角、延性、耗能能力等抗震性能指标。在此基础上,采用OpenSees对T形柱进行了有限元模拟,计算结果与试验结果吻合较好,进而分析了型钢的应力变化规律和P-δ效应对滞回性能的影响。结果表明:地震作用下,剪跨比为2.5的实腹式型钢混凝土T形柱沿翼缘方向发生弯曲破坏;不同的加载制度下,T形柱呈现出不同的破坏形态;滞回曲线饱满、对称、呈梭形,承载力稳定,耗能能力强;位移延性系数均大于5,破坏时侧移角介于1/16~1/10,显示出良好的延性和抗倒塌能力;加载循环次数越多,T形柱的延性越差;轴压比越大,刚度退化越快,延性和耗能能力越差;配钢率越大,T形柱的刚度退化越缓慢,延性和耗能能力变化较小;P-δ效应使得试件的承载力降低,但耗能能力发挥更充分。
Select
带肋薄壁复式钢管混凝土柱的抗震性能研究
王志滨, 吴泓均, 庄金平, 余鑫, 张万安
建筑结构学报. 2020, 41(11): 41-50.
https://doi.org/10.14006/j.jzjgxb.2019.0206
摘要
(
)
PDF全文
(
)
可视化
收藏
带肋薄壁复式钢管混凝土柱具有较好的耐火性能和经济性,同时钢管混凝土构件多用于地震频发区域,因此有必要研究其抗震性能。以轴压比和内管外径为主要参数,进行了6根带肋薄壁复式钢管混凝土压弯柱的低周反复加载试验。试验结果表明:该类组合柱的滞回曲线饱满,具有良好的抗震性能,其承载能力和耗能能力明显高于带肋薄壁钢管混凝土对比柱;该类柱均为面内压弯破坏;随着轴压比的增大,试件的延性、累积耗能随之减小,后期刚度退化加剧;随着内管外径的增大,试件的承载力、延性和耗能能力提高,但内管外径对刚度退化的影响较小。建立了带肋薄壁复式钢管混凝土柱的有限元模型,并利用试验结果检验了模型的准确性。基于该模型开展参数分析,结果表明钢管屈服强度、外部混凝土强度、轴压比、径宽比、径厚比和长细比等参数对该类构件的承载力影响较显著。最后基于参数分析,建议了荷载挠度恢复力模型。
Select
间隔钢管混凝土组合剪力墙抗震性能试验研究
张振, 陈明, 龚顺风, 程鹏, 刘承斌
建筑结构学报. 2020, 41(11): 51-60.
https://doi.org/10.14006/j.jzjgxb.2019.0356
摘要
(
)
PDF全文
(
)
可视化
收藏
间隔钢管混凝土组合剪力墙是一种新型抗侧力构件,其施工方便、布置灵活,具有良好的经济效益和工程应用价值。为研究轴压比对这种新型抗侧力构件的抗震性能的影响,对3个不同轴压比的足尺四管间隔钢管混凝土组合剪力墙试件进行水平低周反复加载试验,观察组合剪力墙破坏特征和破坏过程,得到组合剪力墙的滞回曲线、骨架曲线、承载力和刚度退化、延性、耗能能力等抗震性能指标。结果表明:组合剪力墙的破坏形式均为受压区钢管内混凝土压溃和钢管壁凸屈,缀板与钢管连接区域撕裂;随着轴压比增大,组合剪力墙的刚度和承载力增大,延性降低,与轴压比为0的组合剪力墙相比,轴压比为0.4的剪力墙承载力提高25%,延性降低19%;组合剪力墙的位移延性系数在2.401~3.479之间,极限位移角在1/40~1/34之间,等效黏滞阻尼系数达到0.15,整体抗震性能良好。
Select
轻质组装墙板内置钢板支撑滞回性能试验研究
丁玉坤, 李文文, 张文元
建筑结构学报. 2020, 41(11): 61-67.
https://doi.org/10.14006/j.jzjgxb.2017.0662
摘要
(
)
PDF全文
(
)
可视化
收藏
为改善墙板内置钢板支撑的延性,避免钢筋混凝土墙板局部冲切破坏,便于检修内置支撑和减小墙板自重,提出了轻质组装墙板。通过对6个组装墙板内置钢板支撑的试验研究,考察了支撑和墙板的厚度、支撑与墙板间的间隙等构造对支撑滞回性能的影响。试验表明,轻质组装墙板内置Q235钢板支撑具有良好的延性和耗能能力。总体上,墙板内置支撑破坏前骨架曲线呈双折线,支撑屈服后因钢材应变硬化以及支撑和墙板间摩擦等因素,支撑的承载力随侧移的增加而增大。达最大侧移角约1/25时,受拉承载力调整系数范围为1.36~1.61。侧移角在1/25以内时,受压承载力调整系数均小于13,支撑的轴向累积非弹性变形能力远大于200,均满足美国ANSI/AISC 34116的要求。试件最终因内置支撑受拉断裂而破坏,破坏前滞回曲线饱满稳定。组装墙板保持完好,可重复利用。支撑与墙板间留置适宜间隙后,受压支撑在墙板孔壁内仅发生微幅多波弯曲变形,避免了墙板局部破坏。当仅考虑支撑附件的主钢管和开孔钢板简化计算墙板绕钢板支撑弱轴的欧拉临界力,墙板的欧拉临界力与内置支撑的最大轴向受压承载力之比(约束比)达1.15~2.42,墙板内置支撑不发生受压整体失稳。
装配式结构
Select
装配整体式混凝土梁-柱子结构角柱失效后承载能力试验研究
张望喜, 庞博, 易伟建
建筑结构学报. 2020, 41(11): 68-78.
https://doi.org/10.14006/j.jzjgxb.2019.0143
摘要
(
)
PDF全文
(
)
可视化
收藏
钢筋混凝土框架结构在角柱失效后,与失效角柱相连的两边梁处于弯剪扭复杂受力状态,其承载能力不同于纯弯构件。为评估装配整体式混凝土框架结构在角柱失效后边梁的承载能力,对5个装配整体式梁柱子结构试件与1个整体现浇梁-柱子结构试件进行单调静力试验。对于装配整体式子结构,考虑了3种节点连接形式(90°弯钩连接、开槽水平搭接、锚固板焊接)和3种扭弯比受力状态(0、0.127、0.254)。通过对比各子结构的破坏形态、承载能力与延性,分析了扭弯比及节点连接形式对边梁承载能力的影响,对比了装配整体式子结构与整体现浇子结构在复杂受力状态下的性能差异。结果表明:在弯扭作用下装配整体式叠合梁承载力随着扭弯比的增加而降低;扭弯比为0.127∶1与0.254∶1时,结构承载力比纯弯结构分别降低了15.9%与40.4%;节点连接形式为90°弯钩连接时,装配整体式叠合梁在复杂受力状态下的性能可以认为与整体现浇梁的相同。
Select
复合齿槽U型筋搭接连接装配式剪力墙抗震性能试验研究
张锡治, 李星乾, 章少华, 李倩楠, 徐盛博
建筑结构学报. 2020, 41(11): 79-88.
https://doi.org/10.14006/j.jzjgxb.2019.041
摘要
(
)
PDF全文
(
)
可视化
收藏
复合齿槽U型筋搭接连接装配式混凝土剪力墙由预留复合齿槽区预制墙体、暗柱及上下层墙体U型筋连接节点组成。为研究该装配式剪力墙的抗震性能,通过1个现浇和3个预制剪力墙试件的低周反复加载试验,对比分析了各剪力墙的破坏形态、滞回特性、承载力、延性、刚度退化和钢筋应变。结果表明:所有剪力墙破坏形态均为暗柱纵筋压屈、墙体两侧底部混凝土压碎剥落的压弯破坏;采用双填料口能够保证复合齿槽后浇区混凝土的密实度,复合齿槽区形成的暗梁对墙体底部具有强化作用;剪力墙竖向分布钢筋采用U型筋在复合齿槽区搭接连接能够有效传递钢筋应力;相同轴压比条件下,预制剪力墙承载力约为现浇剪力墙的90%;预制剪力墙的极限位移角为1/72~1/51,平均位移延性系数均大于5;同一位移下,预制剪力墙的累积耗能略大于现浇剪力墙。可采用GB 50010—2010中建议公式计算复合齿槽U型筋搭接连接装配式剪力墙的压弯承载力,计算结果偏于安全。
Select
不同方式连接下钢柱-一体式预制混凝土墙组合构件抗震性能试验研究
陈伟, 陶忠, 杨雨, 包圩正, 李卓骏
建筑结构学报. 2020, 41(11): 89-98.
https://doi.org/10.14006/j.jzjgxb.2019.0372
摘要
(
)
PDF全文
(
)
可视化
收藏
钢框架与内部混凝土墙形成的组合构件具有优越的抗震性能。为进一步分析钢柱-一体式预制混凝土墙不同方式连接(梁柱刚接与柱边焊接、梁柱刚接与柱边不焊、梁柱铰接与柱边焊接、梁柱铰接与柱边不焊)时的抗震性能,分别对4个不同连接形式的钢柱-一体式预制混凝土墙的1/2缩尺模型进行了低周往复加载试验。得到了该类构件的滞回曲线及骨架曲线,并通过分析各构件的试验现象、承载力、刚度、耗能能力、延性及应变和变形,得出了不同连接形式对该类构件抗震性能及受力机理的影响。试验结果表明:钢柱一体式预制混凝土墙体呈现三道防线特征,其中混凝土墙板为第一道防线,内斜撑为第二道防线,边框为第三道防线。柱边焊接对构件的承载力、刚度及边框与内墙组合作用的影响最为明显;内支撑对构件的刚度贡献最为显著且对边框与内部墙板组合作用的发挥具有关键作用。节点铰接且柱边不焊的构件位移延性系数可达2.83,可按1/20作为其弹塑性最大层间位移角限值,其他连接方式的构件位移延性系数在1.22~1.53之间,建议按1/100作为其弹塑性层间位移角限值。按位移控制进行设计的结构推荐采用节点铰接且柱边不焊的构件,而按承载力控制进行设计的结构推荐采用节点刚接且柱边焊接的构件。
Select
高温后套筒灌浆连接受力性能试验研究
肖建庄, 刘良林, 丁陶, 张蕾
建筑结构学报. 2020, 41(11): 99-107.
https://doi.org/10.14006/j.jzjgxb.2019.0339
摘要
(
)
PDF全文
(
)
可视化
收藏
套筒灌浆连接已发展为预制混凝土结构钢筋连接的主要方式,但其在高温作用后循环荷载作用下受力性能的研究仍有待深入。为此,针对钢筋直径为20mm的36个套筒灌浆连接开展高温后受力性能试验研究,设置常温、200℃、400℃、600℃等四种历经温度作为试验变量,采用单向拉伸、高应力反复拉压、大变形反复拉压等三种加载工况。结果表明:升降温过程中高强灌浆料未出现爆裂现象;连接极限荷载随温度下降但是降低幅度最大不超过7.6%;当经历最高温度不超过400℃时,发生套筒外钢筋断裂失效,而经历最高温度为600℃时,发生钢筋与灌浆料黏结滑移失效;当经历最高温度为600℃时,套筒中部仍然保持弹性状态;采用屈服比(不小于1.0)、强度比(不小于1.25)与延性比(不小于4.0)评价套筒灌浆连接性能,其相应取值分别为1.2~1.3、1.4~1.6、8.2~18.7。此外,基于套筒灌浆连接材料组成与受力特征的分析,认为其可能的失效模式为套筒外钢筋断裂、钢筋与灌浆料黏结滑移两种形式之一,且承载力取决于二者之间的较小值。
基础理论与共性技术
Select
基于高强钢环簧的摩擦耗能自复位消能减震阻尼器受力性能与试验研究
赵亚硕, 王伟, 方成
建筑结构学报. 2020, 41(11): 108-115.
https://doi.org/10.14006/j.jzjgxb.2019.0375
摘要
(
)
PDF全文
(
)
可视化
收藏
可恢复功能结构是目前地震工程研究的热点,也是未来发展趋势,以可恢复功能结构为背景,提出了基于高强钢环簧摩擦耗能的自复位消能减震阻尼器,分析了阻尼器的工作原理并给出了构造方案。通过低周往复加载试验考察多次序列地震作用下阻尼器的抗震性能。试验结果表明:采用高强钢环簧的自复位消能减震阻尼器变形能力可调节、自复位性能优良;滞回性能稳定,具有良好的抗震可恢复性;环簧锥形摩擦面处理工艺对阻尼器自复位性能与耗能能力会产生一定影响,当摩擦系数增大时,自复位性能有所降低,但耗能能力增大;所提出的阻尼器理论刚度预测公式计算结果与试验结果吻合较好,可为工程设计提供参考。
Select
隔震层屈服系数对基础隔震结构性能的影响
黄锐, 姚佩歆
建筑结构学报. 2020, 41(11): 116-124.
https://doi.org/10.14006/j.jzjgxb.2018.0555
摘要
(
)
PDF全文
(
)
可视化
收藏
为研究隔震层屈服系数对采用橡胶隔震支座的基础隔震多层结构水平向地震反应的影响,首先对单质点体系在不同屈服系数下的地震反应规律进行分析,包括按等效线性化反应谱法简化计算和按时程分析法计算。然后以一个多层隔震结构为例,研究多质点体系在不同屈服系数下的地震反应规律。同时,分析在不同支座压应力和地震输入强度下的相关性。分析结果表明:对应最小水平向减震系数,存在一个最优隔震层屈服系数区间,且隔震支座平均压应力越小,最优屈服系数越大;隔震层水平位移随隔震层屈服系数的增加而减小;隔震层和各楼层最小水平向减震系数对应的最优屈服系数不同;随着隔震层屈服系数的增加,上部各楼层的水平加速度也相应增加,表现为中间层增幅小、顶层和隔震层增幅大。水平地震输入峰值加速度越大,最小水平向减震系数对应的隔震层最优屈服系数越大,建议参考罕遇地震作用下的地震反应评估隔震装置的隔震效果。
Select
行人-结构竖向动力耦合效应试验研究
朱前坤, 马法荣, 张琼, 杜永峰
建筑结构学报. 2020, 41(11): 125-133.
https://doi.org/10.14006/j.jzjgxb.2019.0464
摘要
(
)
PDF全文
(
)
可视化
收藏
对于轻质大跨度钢桥结构,行人-结构之间的相互作用会使结构动力特性和行人荷载特性发生改变。为此,针对行人-结构竖向动力耦合效应对结构动力参数和行人荷载动载因子的影响进行试验研究。通过测试行人在8种不同步行频率下行走时结构的动力响应,得到60人次554组有效加速度响应时程,进行运行模态分析;利用无线六轴蓝牙加速度传感器,分别在刚性地面和柔性桥面上开展了3种不同步行频率下行走激励的动力特性试验,得到了60人次1200条有效加速度时程,并对其进行傅里叶变换。结果表明:考虑行人-结构竖向动力耦合效应,人行桥自振频率略有减小,阻尼比显著增加,且随着同步行走人数的增加,结构频率及阻尼比变化率逐渐减小。由于桥梁自振力的存在,行人荷载作用于刚性地面上的动载因子(dynamic load factor,DLF)大于柔性地面上的,试验结果表明,相较于刚性地面,行人在柔性桥面上行走时的第一阶动载因子减小14.7%。给出了刚性地面和柔性桥面前四阶行人荷载动载因子拟合公式,其可为柔性结构下考虑行人结构相互作用的生物力模型的建立提供参考。
Select
人行天桥动力特性参数时变性分析及其TMD减振控制
操礼林, 曹栋, 李爱群
建筑结构学报. 2020, 41(11): 134-142.
https://doi.org/10.14006/j.jzjgxb.2019.0293
摘要
(
)
PDF全文
(
)
可视化
收藏
人行天桥动力特性是影响桥上行人舒适度的主要因素。针对随机人群行走对人行天桥模态阻尼比和模态频率的影响,考虑人-人相互作用的行人步态主被动调整策略,基于考虑行人同步率的随机人群集中模型,推导了随机人群-人行天桥-TMD系统的耦合动力方程,分析了人行天桥动力特性参数时变规律,提出了基于人行天桥动力特性参数时变的TMD减振设计方法。结果表明:考虑人-人相互作用时,在随机人群行走下,人行天桥一阶瞬时阻尼比随人群密度的增大而大幅提高,提高的幅度与人行天桥基频和模态质量呈正相关;在随机人群行走下,人行天桥一阶瞬时频率随人群密度的增大而不断下降,降低的幅度与人行天桥基频呈负相关。基于人行天桥动力特性参数时变的减振设计方法能有效地减小单人定频行走、单人随机行走和随机人群行走下结构的竖向振动响应,其中0.6人/ m2随机人群行走工况下,人行桥竖向振动加速度减振率达到72%。
Select
基于KF的非线性结构响应重构和外激励识别研究
张肖雄, 贺佳, 齐梦晨
建筑结构学报. 2020, 41(11): 143-149.
https://doi.org/10.14006/j.jzjgxb.2019.0477
摘要
(
)
PDF全文
(
)
可视化
收藏
对于土木结构,由于受各种条件限制,往往难以得到所有自由度上的实测动力响应。卡尔曼滤波(Kalman filter, KF)能够实现部分自由度观测下的结构状态估计,然而,经典KF需要已知外激励信息,同时不适用于非线性结构。为克服上述不足,提出了基于KF的非线性结构动力响应重构和外激励识别方法,该方法通过引入投影矩阵,获得了一种不显示包含外激励的修正的观测方程,并通过融合有限加速度和位移响应,解决了在线识别时的低频漂移问题,从而实现了KF原理下的非线性结构动力响应的实时重构和外荷载的有效识别。通过装有磁流变阻尼器的10层剪切型结构和5跨平面桁架结构的数值算例验证了该方法的有效性和可靠性。结果显示,对于不同的非线性系统,在不同的噪声水平和荷载形式下,本文方法通过融合部分加速度和位移响应,均能够有效解决识别过程中的漂移问题,并实现结构响应重构和荷载识别。
Select
建筑索结构销轴耳板连接节点承载力试验研究和有限元分析
王仲衡, 罗斌, 张旻权, 张晨辉
建筑结构学报. 2020, 41(11): 150-159.
https://doi.org/10.14006/j.jzjgxb.2018.0558
摘要
(
)
PDF全文
(
)
可视化
收藏
建筑结构中的拉索常采用热铸锚具,通过单耳式或叉耳式连接件与结构耳板销轴连接。而索节点破坏将造成拉索失效,甚至结构连续性倒塌。目前,各国标准中关于销轴连接耳板承载力的计算存在较大差异,中国标准主要参照欧洲标准,但内容尚不完善。为研究若干关键尺寸对耳板承载力的影响,对销接耳板进行单轴拉伸试验,并采用CEN双折线法求得试件承载力;采用弹塑性实体模型进行有限元分析,得到耳板应力分布基本规律。结果表明:耳板端距和中截面单宽与耳板承载力正相关;加焊贴板能有效增强耳板承载能力;耳板应力分布较不均匀,当耳板破坏时远离销孔的材料强度并未得到充分利用。与试验结果对比所得,中国标准的销接耳板承载力计算较为保守,因此在净截面受拉承载力和端部抗劈拉承载力的计算式中提出了有效宽度和有效端距的建议值,并考虑了增焊贴板的作用。
Select
多轴循环塑性双界面本构模型研究
贾君玉, 肖魁
建筑结构学报. 2020, 41(11): 160-165.
https://doi.org/10.14006/j.jzjgxb.2019.0576
摘要
(
)
PDF全文
(
)
可视化
收藏
地震作用具有很大的随机性和不确定性,为准确描述结构在强震作用下的弹塑性反应,基于循环塑性理论框架,提出了改进的双界面本构模型,对屈服面及边界面的平移运动和变形演化方程进行改进,并通过在塑性应变空间中引入一个记忆面来考虑材料对应变加载历史的硬化记忆效应。模型参数均可通过单轴拉伸及单轴滞回试验曲线标定。研究结果表明:该模型能准确地预测多轴任意路径加载下多晶体金属材料的屈服平台段、Bauschinger效应、循环硬化、棘轮效应、记忆效应等行为;将预测结果与各类金属及合金材料的试验结果进行对比,二者的最大正应力、剪应力的预测误差分别在2%、4%以内,验证了模型的适用性,其可为精细化弹塑性分析提供理论依据。
地基基础
Select
复合配筋空心方桩抗震性能试验研究
刘畅, 胡秋斌, 郑刚, 刘永超
建筑结构学报. 2020, 41(11): 166-175.
https://doi.org/10.14006/j.jzjgxb.2017.0812
摘要
(
)
PDF全文
(
)
可视化
收藏
预应力空心方桩具有承载力高、施工方便等优点,在建筑桩基中应用较为广泛。但是由于预应力空心方桩破坏时呈脆性特征,其抗震性能有待进一步研究,为此,通过现场试验对预应力空心方桩和配置非预应力筋后的复合配筋空心方桩的抗震性能进行了研究,结果表明:预应力空心方桩在破坏时表现出脆性破坏的特征,配置非预应力筋后,其脆性破坏特征逐步改善,逐渐过渡到延性破坏;配置非预应力筋可使预应力空心方桩的水平承载力有小幅度的提高,且可以大幅度提高其桩身变形能力;预应力空心方桩存在一个最优的非预应力筋配筋率,该配筋率时其延性和耗能能力最好;可在桩身受力较大处一定范围内配置非预应力筋以提高其在水平地震作用下的抗震性能。
Select
悬浮刚-柔性长短桩复合地基固结解析解
杨涛, 吉映竹, 杨欢
建筑结构学报. 2020, 41(11): 176-183.
https://doi.org/10.14006/j.jzjgxb.2019.0107
摘要
(
)
PDF全文
(
)
可视化
收藏
刚柔性长短桩加固地基可以充分发挥各桩型的优势,是一种新型的复合地基。为完善此类复合地基的固结理论,给出了瞬时加载条件下悬浮刚柔性长短桩复合地基的固结方程,基于成层地基一维固结理论建立了相应的固结解析解。将固结度解析解与有限元解进行比较,验证了解析解的合理性和有效性。利用建立的解析解进行参数分析,研究了复合地基的固结特性,结果表明:悬浮刚柔性长短桩复合地基的固结度随长桩长度的增加而增大;当下卧层为中低压缩性土时,复合地基固结度随长桩压缩模量的增加而增大;长、短桩置换率、短桩长度和压缩模量的变化对复合地基固结度的影响很小;悬浮刚柔性长短桩复合地基的固结度随下卧层土压缩模量的增加而增大,随长、短桩共同加固区桩间土压缩模量的增加而减小;仅长桩加固区桩间土压缩模量的变化对复合地基的固结度没有影响。
Select
铁路振动作用下双排桩屏障隔振性能试验研究
刘晶磊, 刘桓, 刘鹏泉, 王洋
建筑结构学报. 2020, 41(11): 184-190.
https://doi.org/10.14006/j.jzjgxb.2019.0053
摘要
(
)
PDF全文
(
)
可视化
收藏
为研究铁路应用双排桩屏障的隔振性能,基于铁路振动产生的弹性波传播特性,通过场地试验测得激振频率10Hz下地表振动加速度幅值,以双排隔振桩屏障中归一化桩间距、归一化排间距、排桩数量以及排桩布置形式为变化参数,研究改变双排桩几何参数对其隔振效果的影响。试验结果表明:随桩间距的增大,排桩屏障的隔振效果逐渐减弱。当归一化桩间距不小于3.0时,排桩屏障逐渐失去其整体隔振作用;当归一化排间距为3.0时,排桩屏障可以获得较优的隔振效果,其有效隔振面积百分比在19.52%~68.89%;随着排桩数量的增加屏障有效隔振面积随之增大,排桩数量由8增至10时,有效隔振面积百分比增大0.87%~4.74%,可以使更大区域范围达到隔振要求;当屏障整体桩数相同时,采取菱形布置形式的隔振屏障比矩形的隔振效果好,菱形布置较矩形布置有效隔振面积百分比增加1.20%~5.01%。
最新资讯
更多
建筑结构学报
主 编:聂建国
副主编
:李淑春
主 管:中国科学技术协会
主 办:中国建筑学会
编辑出版:《建筑结构学报》杂志社
地 址: 北京三里河路13号
邮政编码:100835
电 话: 010-88029882
国外代号:M220
国内统一刊号:CN 11-1931/TU
国际标准刊号:ISSN 1000-6869
月刊,1980年创刊
文件下载
更多...
《建筑结构学报》作者承诺书
《建筑结构学报》开具论文录用证明申请单
《建筑结构学报》作者投稿核查清单
《建筑结构学报》录用定稿网络首发及增强出版作者须知
《建筑结构学报》投稿须知
《建筑结构学报》版权协议
《建筑结构学报》格式要求(附模板)
友情链接
更多 >>
CNKI学术不端文献检测系统
CNKI网络首发出版平台
国家新闻出版署
中国科协技术协会
中国建筑学会
中国知网
万方数据
维普网
ASCE Library (ASCE)
EI
公众号
微信公众号
微信小店
微信服务号