2020年, 第41卷, 第10期 刊出日期:2020-10-05
  

  • 全选
    |
    结构抗震专题
  • 李征, 陈飞, 董翰林, 何敏娟, 李明浩
    建筑结构学报. 2020, 41(10): 1-10. https://doi.org/10.14006/j.jzjgxb.2019.0259
    摘要 ( ) PDF全文 ( )   可视化   收藏
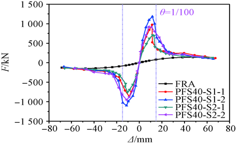
    为研究配置摩擦型阻尼器钢木混合剪力墙的抗侧力性能,首先以4个摩擦型阻尼器研究了阻尼器的静力和动力特性,摩擦型阻尼器由高强螺栓穿过内、外钢板组成,钢板间夹有摩擦材料,包括无石棉有机材料NAO-780和聚四氟乙烯PTFE两种,内钢板设有长圆孔。当阻尼器激发,内、外钢板开始相对滑动耗能,当高强螺栓抵住长圆孔端部,则阻尼器锁定。阻尼器试验结果表明:阻尼器激发力与高强螺栓扭矩成线性正相关。摩擦材料NAO780在不同加载幅值和频率下摩擦性能稳定。进而,将所研发的摩擦型阻尼器引入钢木混合剪力墙中,通过往复加载试验研究了钢木混合剪力墙的抗侧力性能。试验结果表明:阻尼器激发力越大,试件初始刚度越高,但木剪力墙损伤更严重;阻尼器内钢板长圆孔长度越长,木剪力墙可得到更多保护,但阻尼器锁定推迟,钢框架侧向变形增大。合理设置阻尼器激发力和阻尼器内钢板长圆孔长度可减小钢木混合剪力墙在地震作用下的损伤,使其在大侧移下仍有充足的抗侧能力储备,提高其抗震性能。
  • 沈培文, 杨溥, 洪基豪, 杨熠明
    建筑结构学报. 2020, 41(10): 11-19. https://doi.org/10.14006/j.jzjgxb.2019.0402
    摘要 ( ) PDF全文 ( )   可视化   收藏
    基于“可恢复功能抗震结构”的设计理念,设计并制作了一种设置组合工字钢梁的自复位框架,采用消能杆作为耗能元件,进行了由不同消能杆组成的4个自复位框架的低周往复荷载试验,在分析其受力机理的基础上,对比分析了结构的受力发展过程、耗能能力和卸载后的自复位能力。结果表明:各自复位框架的试验宏观现象基本相同,其荷载-位移滞回曲线均呈“双旗帜”形;锚固板开口后,框架的抗弯刚度由预应力钢绞线和消能杆提供;层间侧移角加载至4%时,骨架曲线仍无下降趋势,结构具有良好的承载能力和变形能力;自复位框架的塑性变形都集中于消能杆,更换消能杆后,结构的抗震性能得以迅速恢复,实现了震后易于修复的设计目标;通过对残余层间侧移角和等效黏滞阻尼系数的分析表明,结构具有良好的自复位能力和耗能能力,且框架的抗震性能主要由自复位参数确定。
  • 刘文超, 曹万林, 张克胜, 王如伟, 任乐乐
    建筑结构学报. 2020, 41(10): 20-29. https://doi.org/10.14006/j.jzjgxb.2018.0340
    摘要 ( ) PDF全文 ( )   可视化   收藏
    为适应装配式建筑在村镇低层住宅结构发展的需求,提出了一种装配式轻钢框架-复合轻墙结构。该结构由轻钢框架作为竖向承重体系,单排配筋再生混凝土薄墙板作为抗侧力构件与轻钢框架共同抵抗水平地震作用,再生混凝土薄墙板复合EPS保温模块和粉煤灰砌块层形成保温墙体。通过4个装配式轻钢框架-复合轻墙结构和1个轻钢空框架的低周反复荷载试验,分析了墙板分布钢筋间距和墙体构造形式(是否复合粉煤灰砌块层)对该结构抗震性能的影响。研究结果表明:轻钢框架与单排配筋再生混凝土薄墙板协同工作良好,结构具有明确的两道抗震防线,由于复合EPS保温模块和粉煤灰砌块,实现了抗震节能一体化;减小墙板分布钢筋间距和复合粉煤灰砌块层可显著提高结构承载力和延性。基于JGJ 138—2016《组合结构设计规范》及相关文献,给出了装配式轻钢框架-复合轻墙结构的受剪承载力计算式,计算结果与试验结果符合较好。
  • 曹芙波, 卢志明, 赵根田, 路瑶
    建筑结构学报. 2020, 41(10): 30-41. https://doi.org/10.14006/j.jzjgxb.2018.0545
    摘要 ( ) PDF全文 ( )   可视化   收藏
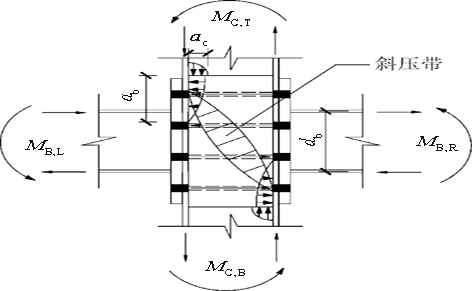
    为研究部分包裹混凝土(PEC)柱-型钢梁框架中节点的抗震性能,以端板厚度、柱翼缘宽厚比以及是否增设背垫板为参数,对4榀焊接H形钢部分包裹混凝土柱-型钢梁框架中节点进行低周反复荷载试验,分析其破坏模式、承载力、滞回性能及延性等。并以此为基础,建立有限元拓展模型。试验和有限元结果表明:各节点滞回曲线均为饱满的梭形;节点处梁翼缘、腹板变形明显,节点域出现塑性铰;端板厚度由18mm增加到24mm,节点承载力提升7.1%;柱翼缘宽厚比由8减小到6,节点承载力提升17.3%;增设背垫板后,节点承载力提升14.2%;加载过程中节点刚度退化稳定,屈服后承载力退化系数约为0.9;节点位移延性系数介于3.72~5.34之间,等效黏滞阻尼系数介于0.537~0.619之间;节点破坏时,层间位移角介于1/26~1/24之间,变形性能满足抗倒塌设计要求。基于节点受力分析,建立节点域抗剪计算模型,提出PEC柱-型钢梁框架中节点受剪承载力计算公式,计算结果与试验值及有限元模拟结果较为吻合。
  • 田小红, 苏明周, 杨水成, 李慎
    建筑结构学报. 2020, 41(10): 42-49. https://doi.org/10.14006/j.jzjgxb.2019.0035
    摘要 ( ) PDF全文 ( )   可视化   收藏
    为研究不同强度组合的高强钢组合K形偏心支撑框架结构的抗震性能,设计了一组不同强度(Q345、Q460、Q690钢材)组合的5层K形偏心支撑框架结构算例Q345-5、Q460-5和算例Q690-5,选取10条地震动记录对其进行动力时程分析,得到各算例在不同水准地震作用下的耗能梁段转角和层间位移角。研究表明:8度罕遇地震作用下,高强钢组合K形偏心支撑框架的层间位移角比传统K形偏心支撑钢框架大,各算例耗能梁段全部进入塑性变形阶段;塑性层间位移角到达规范限值时,算例Q460-5框架梁开始进入塑性变形阶段,算例Q690-5框架柱、框架梁和支撑均处于弹性变形阶段,还可以承受更大的地震作用;达到定义的极限状态时,与传统偏心支撑钢框架相比,算例Q460-5能够承受的地震作用和耗能梁段转角更小;算例Q690-5承受的地震作用和耗能梁段转角更大。
  • 陈宗平, 宁璠, 经承贵, 徐定一
    建筑结构学报. 2020, 41(10): 50-57. https://doi.org/10.14006/j.jzjgxb.2018.0532
    摘要 ( ) PDF全文 ( )   可视化   收藏
    为研究空腹式型钢混凝土L形柱压弯剪扭滞回性能,以扭弯比、肢高肢厚比为变化参数,设计6个试件进行恒定轴压下的低周反复弯-剪-扭加载试验。通过试验观察了试件的受力破坏过程,获取了试件的扭矩-扭转角、弯矩-位移滞回曲线,分析了试件的破坏形态、承载能力、刚度退化、延性及耗能能力等抗震性能指标。结果表明:随着扭弯比的增大,L形柱的破坏形态表现为弯曲破坏、弯剪破坏及弯扭破坏;L形柱的扭矩-扭转角滞回曲线中部捏拢,形成滑移平台,峰值荷载后有明显的荷载“跌落”现象;弯矩-位移滞回曲线相对饱满,L形柱的受弯性能优于受扭性能。压弯剪扭复合作用下空腹式型钢混凝土L形柱的位移延性系数小于3,不能满足GB 50011—2010《建筑抗震设计规范》要求。
  • 郑永乾, 赖鹏松, 王志滨
    建筑结构学报. 2020, 41(10): 58-66. https://doi.org/10.14006/j.jzjgxb.2018.0746
    摘要 ( ) PDF全文 ( )   可视化   收藏
    为研究十字形钢管混凝土柱在斜向受力下的抗震性能,以加载角度(0°和45°)、混凝土强度等级(C50和C70)、轴压比(0、0.25和0.5)以及是否设置加劲肋为试验参数,进行了9根十字形钢管混凝土柱在往复荷载作用下的试验研究,获得了柱的破坏形态、水平荷载-位移滞回曲线、骨架曲线、延性、累积耗能、变形等特性,分析了不同参数对柱抗震性能的影响规律。并建立了十字形钢管混凝土柱的有限元模型,有限元分析结果与试验结果吻合良好。试验结果表明:十字形钢管混凝土柱具有较好的滞回性能,所有柱的位移延性系数均高于3.5;轴压比对十字形钢管混凝土柱的抗震性能影响较大,轴压比越大,柱承载力越低,刚度退化越快,延性和耗能能力也越差;随着混凝土强度的增加,柱承载力增加,轴压比较大时,混凝土强度越高,延性下降越明显;内部间断焊接加劲肋的柱比未设置加劲肋柱的承载力提高约8%,但延性和耗能能力提高不大;加载角度为45°柱的滞回性能稍优于0°的柱。
  • 王先铁, 谢川东, 林麟珲, 罗遥, 何罗, 贾子涵
    建筑结构学报. 2020, 41(10): 67-77. https://doi.org/10.14006/j.jzjgxb.2018.0679
    摘要 ( ) PDF全文 ( )   可视化   收藏
    外张拉式自复位方钢管混凝土柱脚是一种便于钢绞线张拉和耗能部件更换的自复位柱脚节点。根据钢绞线与防屈曲钢板(BRS板)布置方式的不同,将自复位柱脚分为Ⅰ型、Ⅱ型和Ⅲ型,以适应平面和空间复位模式。通过3个3/4比例的Ⅰ型自复位柱脚的低周往复荷载试验,研究初始预应力、轴压比对柱脚承载能力、自复位性能和抗震性能等的影响。结果表明:在竖向荷载和水平往复荷载的共同作用下,外张拉式自复位方钢管混凝土柱脚的滞回曲线为典型的“双旗帜”形,该柱脚具有良好的自复位能力和耗能能力;加载至4%侧移角时,柱和钢绞线仍保持弹性,仅BRS板进入塑性状态,因此通过更换BRS板可以实现震后的快速修复;增大轴压比和钢绞线初始预应力,可有效提高柱脚的承载力,增大自复位能力,变形能力和耗能能力减小。所提出的自复位柱脚弯矩计算式,计算结果与试验结果吻合较好。
  • 结构抗火专题
  • 张春涛, 金汉林, 朱立
    建筑结构学报. 2020, 41(10): 78-85. https://doi.org/10.14006/j.jzjgxb.2019.0094
    摘要 ( ) PDF全文 ( )   可视化   收藏
    为研究火灾后钢材承受机械振动、风致振动和车辆振动等动力荷载的疲劳性能,通过升温、自然冷却和疲劳试验,对室温和经历250~750℃高温自然冷却后的40个Q345钢材试样进行轴向拉伸疲劳性能试验研究。结果表明:不同高温自然冷却后Q345钢材疲劳断口的破坏特征存在明显差异,裂纹扩展区和瞬断区的面积随温度升高而发生变化;Q345钢材在室温或经高温自然冷却后的疲劳断口具有典型韧窝组织,受热温度不超过500℃时韧窝组织随温度升高而增多变密,受热温度为750℃时韧窝组织减少、变浅且大小分布不均匀,主要表现为具有撕裂痕迹的类解理破坏;经高温自然冷却后Q345钢材的疲劳寿命随着温度增加而呈先增加后减小的变化趋势,与常温下钢材的疲劳寿命相比,500℃以内时,疲劳寿命随温度升高而增加,最大增幅为277.18%,750℃时疲劳寿命下降了65.27%。根据试验结果,建立不同高温自然冷却后Q345钢材的概率S-N曲线模型,利用该模型可对火灾后Q345钢结构的疲劳性能进行有效评估。
  • 王卫永, 张娟, 杨子乐
    建筑结构学报. 2020, 41(10): 86-93. https://doi.org/10.14006/j.jzjgxb.2019.0103
    摘要 ( ) PDF全文 ( )   可视化   收藏
    焊接中的不均匀受热和冷却使钢材内部产生残余应力,残余应力会降低钢构件的刚度、稳定承载力和疲劳性能。钢构件在高温下的强度退化、塑性和蠕变变形会引起截面残余应力改变,从而影响其火灾下及火灾后承载力。为此,采用高强Q690钢材制作了6个焊接构件,包括H形、箱形两种截面形式。利用切条法测量其在常温(20℃)下、600℃和800℃高温作用后的截面残余应力,得到不同温度作用后残余应力的大小与分布。结果表明:高温作用后,残余应力有不同程度的释放;经历600℃作用后,箱形与H形截面残余应力幅值均下降至常温下的约35%;经历800℃作用后,箱形与H形截面残余应力幅值均下降至常温下的15%以下。基于试验结果,提出Q690焊接截面残余应力分布模型及残余应力幅值随受火温度变化的折减系数。
  • 刘猛, 王广勇, 张东明
    建筑结构学报. 2020, 41(10): 94-101. https://doi.org/10.14006/j.jzjgxb.2018.0060
    摘要 ( ) PDF全文 ( )   可视化   收藏
    为研究火灾下钢筋混凝土框架结构的受力机理,采用梁单元建立了钢筋混凝土框架结构耐火性能有限元计算模型,考虑火灾位置、柱轴压比和梁配筋率等参数的影响,对火灾下钢筋混凝土框架结构的变形、内力重分布、破坏形态以及耐火极限进行了参数分析。分析结果表明,火灾下框架结构出现了整体破坏形态和局部破坏形态两种典型的破坏形态:当柱轴压比较小时,框架出现受火梁破坏导致的框架局部破坏形态;当柱轴压比和梁配筋率均较大时,框架出现受火中柱和受火边柱破坏导致的框架整体破坏形态,整体破坏形态为连续性倒塌破坏。在框架局部破坏形态条件下,三面受火梁在框架竖向分布位置不同,受约束作用不同,框架的耐火极限亦不同;而在框架整体破坏条件下,柱轴压比越大,耐火极限越小。
  • 混凝土及组合结构
  • 吴庆雄, 黄汉辉, 陈康明, 陈宝春
    建筑结构学报. 2020, 41(10): 102-111. https://doi.org/10.14006/j.jzjgxb.2018.0625
    摘要 ( ) PDF全文 ( )   可视化   收藏
    为研究钢管混凝土K形节点足尺模型疲劳性能,对其进行疲劳试验,并与钢管K形节点疲劳性能进行比较,通过对比分析得到钢管混凝土K形节点热点应力分布规律、疲劳性能演化和疲劳破坏形式,并探讨钢管混凝土K形节点疲劳寿命评价方法。结果表明:钢管混凝土K形节点与钢管K形节点最大热点应力的位置均位于受拉支管与主管相贯焊缝主管侧冠点处,钢管混凝土K形节点的应力集中系数约可降低至钢管K形节点的58%,且热点应力宜采用二次外推方式;两者疲劳性能演化过程均可分为疲劳裂纹萌生、扩展和破坏三个阶段,钢管混凝土K形节点在扩展和破坏阶段分别以沿主管壁厚方向和相贯焊缝长度方向扩展为主,与钢管K形节点主要扩展方向相反;两者疲劳裂纹均属于张开型Ⅰ裂纹,钢管混凝土K形节点疲劳裂纹断口沿壁厚方向呈“呲牙”状,且疲劳裂纹扩展路径较长。钢管混凝土K形节点抗疲劳性能明显优于钢管K形节点的最主要原因在于,管内混凝土的约束作用提高了钢管混凝土K形节点主管的径向刚度,钢管混凝土K形节点的压陷和外凸变形远小于钢管K形节点。基于一点法原则建立的钢管混凝土K形节点疲劳设计S-N曲线具有较高精度。
  • 李永进, 王志滨, 李东升
    建筑结构学报. 2020, 41(10): 112-120. https://doi.org/10.14006/j.jzjgxb.2018.0589
    摘要 ( ) PDF全文 ( )   可视化   收藏
    为研究长期荷载作用对带脱空缺陷钢管混凝土柱受力性能的影响,以脱空类型、脱空率和长期荷载比为主要参数,对长期荷载作用下带脱空缺陷钢管混凝土短柱的变形特性和承载力进行了试验研究。试验结果表明:在长期荷载作用下,与普通无脱空缺陷钢管混凝土柱类似,脱空缺陷钢管混凝土柱徐变系数终值的上限值为0.9;长期荷载比大的脱空缺陷钢管混凝土柱较长期荷载比小的脱空缺陷钢管混凝土柱的承载力略大。采用有限元分析软件ABAQUS,对考虑长期荷载作用影响时脱空构件的受力性能进行分析,有限元计算结果和试验结果吻合良好。利用验证过的有限元模型,系统地分析了长细比、含钢率、钢管屈服强度、混凝土强度、长期荷载比、脱空率和荷载偏心率等参数对长期荷载作用下带脱空缺陷钢管混凝土柱的承载力影响规律。结果表明,混凝土脱空缺陷对考虑长期荷载作用的承载力影响系数的不利影响小于1.5%;现有的考虑长期荷载影响的普通钢管混凝土柱的设计方法可用于预测带脱空缺陷钢管混凝土柱的承载力。
  • 李治, 翁运昊, 邓小芳, 钱凯
    建筑结构学报. 2020, 41(10): 121-128. https://doi.org/10.14006/j.jzjgxb.2018.0233
    摘要 ( ) PDF全文 ( )   可视化   收藏
    通过试验与有限元分析研究焊接连接预制混凝土(PC)梁-板子结构的抗连续倒塌性能。在实验室制作1个焊接连接PC梁-板子结构缩尺模型,采用Pushdown加载方法并考虑工作荷载对结构倒塌过程的影响,研究该子结构在去除1个边柱工况下的抗力曲线、梁板变形、钢筋应变及有效抗力机制。试验结果表明,尽管假设动力放大系数为2.0,试验模型在瞬间移除1个边柱工况下也不会发生连续倒塌,焊接连接PC试件的破坏首先发生于焊缝处栓钉断裂。为了解焊接连接PC子结构抗倒塌机理及各主要构件的抗力贡献,通过商业软件ANSYS/LSDYNA进行数值分析并开展拓展分析。通过对比试验及有限元模拟结果发现,采用LSDYNA软件可以准确模拟试件的破坏模态及受力特性。有限元分析结果表明:在受荷初始阶段,预制板及叠合层对抗倒塌承载力的贡献只占30%,抗力主要由预制梁发展梁机制承担;但是在后期大变形阶段,预制板及叠合层对抗倒塌承载力的贡献可高达80%,叠合层中的钢筋网发展拉膜作用是后期大变形阶段试件的主要抗力机制。
  • 伍凯, 郑惠铭, 陈峰, 陈初阳, 徐佳楠
    建筑结构学报. 2020, 41(10): 129-138. https://doi.org/10.14006/j.jzjgxb.2018.0743
    摘要 ( ) PDF全文 ( )   可视化   收藏
    为了解决型钢混凝土组合结构的施工难题,利用离散的钢纤维代替传统钢筋笼,提出了型钢-钢纤维混凝土组合结构。以截面类型、钢纤维掺量、界面锚固长度和钢纤维混凝土保护层厚度为设计参数,进行了36个型钢-钢纤维混凝土试件的标准推出试验,研究了试件的受力性能,对破坏形态进行了统计归类,完成了损伤破坏全过程分析。试验结果表明:自由端与加载端的荷载-滑移关系并不同步,自由端先于加载端达到屈服;黏结劈裂裂缝首先出现在保护层厚度最小的钢纤维混凝土表面,然后由外向内发展,而黏结裂缝以型钢翼缘肢尖处为起点,沿45°斜向由内向外发展,直至达到钢纤维混凝土外表面;试件的破坏形态可分为黏结劈裂破坏、黏结锚固破坏、过渡破坏和型钢屈服破坏4种类型;型钢与钢纤维混凝土之间的黏结作用主要依靠化学胶结力、摩擦力和机械咬合力,推出试验的黏结滑移全过程可精细化地分为5个阶段和5个极限状态。
  • 基础理论与共性技术
  • 陈朝晖, 陶宇宸, 杨永斌
    建筑结构学报. 2020, 41(10): 139-149. https://doi.org/10.14006/j.jzjgxb.2018.0477
    摘要 ( ) PDF全文 ( )   可视化   收藏
    基于刚体准则,采用二阶改进塑性铰模型,构建了空间弹塑性梁单元及其弹塑性刚度矩阵,建立了高效简洁的非线性增量迭代方法,可有效分析截面屈服产生的有限转动、二阶效应等柔性空间钢框架结构材料与几何非线性耦合效应。对于受初始力平衡的单元,随着单元的刚体转动与移动,其初始平衡力在当前状态下应保持大小不变,仅方向随单元做刚体转动,而实际结构的变形可以视为较大的刚体位移与较小的自然变形(弹性或非弹性)的组合。将此刚体准则植入增量迭代法,在预测阶段采用通过了刚体运动检验的弹塑性矩阵,从而合理确定迭代初始方向;在修正阶段使用刚体准则计算单元结点力,保证了计算精度。对三个典型柔性框架结构所做分析表明,本文方法能够准确预测结构的极限承载力值与塑性铰发展过程。对于空间框架结构,每根杆件仅需划分一个单元,极大提高了计算效率、降低了计算成本。与塑性区法、纤维元法以及考虑截面翘曲的修正切线刚度法等相比,本文提出的方法具有物理概念明确、单元划分少、刚度矩阵简单、分析过程简洁、计算精度与效率高等显著特点,适于工程应用。
  • 谢志强, 张爱林, 闫维明, 张艳霞, 周大兴, 慕婷婷
    建筑结构学报. 2020, 41(10): 150-159. https://doi.org/10.14006/j.jzjgxb.2019.0709
    摘要 ( ) PDF全文 ( )   可视化   收藏
    为将连接效率和工业化程度高的自冲铆接应用于冷弯薄壁型钢结构中,对84组薄壁钢自冲铆接进行了受拉性能试验;研究了钢板厚度、钢板厚度比、组合方式及铆钉长度对其受拉性能及破坏模式的影响;考察了现有自冲铆接抗拉强度计算方法及各国规范自攻螺钉受拉承载力计算方法的适用性;提出了自冲铆接的受拉承载力计算方法及基于容许强度法的设计方法。结果表明:钢板厚度比t2/t1是影响自冲铆接破坏模式的关键因素,当1≤t2/t1<1.5时,自冲铆接发生铆钉腿拔出下层钢板破坏,当t2/t1≥1.5时,发生铆钉头拉脱上层钢板破坏;钢板厚度和铆钉长度对自冲铆接受拉性能的影响显著,受拉承载力随两者的增加基本呈线性增加;钢板组合方式对自冲铆接受拉性能和破坏模式影响较大,薄板位于铆钉头侧能有效提高承载力及变形能力;由于计算值过于保守且考虑的破坏模式不全面,现有计算方法不适用于冷弯薄壁型钢自冲铆接;与现有方法相比,提出的自冲铆接受拉承载力计算方法能考虑更为全面的破坏模式,且其计算值精度更高、离散性更小。
  • 谢志强, 张爱林, 闫维明, 张艳霞, 虞诚, 慕婷婷
    建筑结构学报. 2020, 41(10): 160-172. https://doi.org/10.14006/j.jzjgxb.2019.0899
    摘要 ( ) PDF全文 ( )   可视化   收藏
    为改善冷弯型钢结构中单一自攻螺钉连接和自冲铆接各自存在的缺陷,提出了优势互补的螺钉-铆钉混合连接,并对132个薄壁钢板混合连接进行受剪性能试验,对比分析了纯螺钉连接、纯铆钉连接、螺钉-铆钉混合连接三者的差异,研究了板厚、板厚比、连接件排列方式等对其受剪性能和破坏机理的影响,分析了现有承载力直接累加法的适用性,提出了改善的混合连接受剪承载力计算方法。结果表明:混合连接能充分结合螺钉连接和自冲铆接各自的优势,从而可有效提高纯螺钉连接的承载力、刚度和延性,及纯铆钉连接的变形和耗能能力;板厚和板厚比是分别影响其受剪性能及破坏模式的关键因素;连接件的排列方式对其力学性能和破坏机理有显著影响;由于不同连接的力学机理与性能相差较大,现有的承载力直接累加法用于混合连接计算时偏于不安全;而本文中基于承载力折减法提出的混合连接承载力计算方法,其计算值更为精确,用于设计时不但能考虑更全面的破坏模式,而且更为安全可靠。
  • 张春涛, 王汝恒, 李正良
    建筑结构学报. 2020, 41(10): 173-181. https://doi.org/10.14006/j.jzjgxb.2018.0442
    摘要 ( ) PDF全文 ( )   可视化   收藏
    为利用疲劳试验中出现的部分不完整疲劳试验数据,将不完全数据整体估计法与单点-似然法相结合建立兼顾效率和精度的概率S-N曲线模型。基于传统单点-似然法,充分考虑不完全疲劳试验数据出现的概率,利用极大似然原理建立带有不完全数据的三参数幂函数S-N曲线表达式回归分析方法,给出概率S-N曲线表达式。同时,对6根规格为∟160×12的大型Q345等边角钢开展疲劳试验研究,观察不同疲劳荷载作用下等边角钢的破坏特征,分析其疲劳寿命的变化规律。利用建议带有不完全数据的概率S-N曲线模型构建方法,建立Q345大型角钢的概率S-N曲线模型。结果表明,与传统单点-似然法的计算值相比,建议带有不完全数据的概率S-N曲线模型构建方法拟合的参数值S0、m和C分别仅相差1.61%、4.32%和4.15%;Q345大型等边角钢疲劳振动次数越多,缺口越整齐,脆性破坏特征越显著;疲劳寿命随荷载减小而明显增加,荷载由197.82MPa减小到169.28MPa时等边角钢的疲劳寿命增加了100.41%;建议方法能有效利用不完整疲劳试验数据建立概率S-N曲线方程。
  • 王晓峰, 殷亮, 杨庆山
    建筑结构学报. 2020, 41(10): 182-189. https://doi.org/10.14006/j.jzjgxb.2018.0404
    摘要 ( ) PDF全文 ( )   可视化   收藏
    薄膜广泛应用于土木工程和航空航天工程领域。薄膜因荷载引起的褶皱变形会随多种因素的影响而呈现不同的变化特征,但目前相关研究较少。为此,通过矩形薄膜受剪试验,研究薄膜结构的褶皱影响因素及其对褶皱特征参数的影响规律。为减小边界条件的误差扰动,研发高精度的试验装置。借助千分尺施加预张位移和剪切位移,采用激光位移传感器对褶皱变形进行非接触测量。根据褶皱幅值、角度、半波长和数量等特征参数的变化情况,研究剪切位移、预张位移、薄膜厚度等因素对褶皱变形的影响。结果表明:随着剪切位移的增加,褶皱幅值增大,褶皱数量增多而褶皱半波长减小,而褶皱角度未见明显变化;预张位移的增加能够显著减小褶皱幅值和半波长,但使褶皱角度增大、褶皱数量增多;增加薄膜厚度能够有效减小褶皱数量,但使褶皱幅值和半波长增大,而对褶皱角度的影响却很小。