2018年, 第39卷, 第02期 刊出日期:2018-02-05
  

  • 全选
    |
    综述评论
  • 吴刚, 冯德成
    建筑结构学报. 2018, 39(02): 1-16. https://doi.org/10.14006/j.jzjgxb.2018.02.001
    摘要 ( ) PDF全文 ( )   可视化   收藏
    装配式混凝土框架结构是目前国内外应用和研究最多的工业化结构体系之一,其核心部位为梁柱连接节点。连接节点的构造方式及其抗震性能不仅影响装配式结构的施工效率而且直接决定了框架结构整体的抗震表现。从三个方面系统梳理了国内外关于装配式混凝土框架节点的研究进展: 1) 试验研究方面,归纳总结了装配式框架节点的几类常用连接类型和构造方式,并着重介绍了几种新连接方式、新材料运用和新设计理念在装配式节点中的应用,以及相关试验结果; 2) 数值模拟方面,介绍了目前常用的两类模拟方法,基于宏观梁柱单元的模拟方法和基于三维实体单元的模拟方法,指出了各自的优点与不足; 3) 设计方法方面,总结了各国关于装配式混凝土框架的设计方法,比较了规范间的差异。通过梳理装配式混凝土框架结构的发展现状、局限以及应用前景,对提高我国装配式混凝土框架结构设计水平和推广装配式混凝土结构的工程应用,具有重要参考意义。
  • 结构抗震专题
  • 白国良, 秦朝刚, 徐亚洲, 吴涛, 苏宁粉, 李忠亮, 孙煜喆
    建筑结构学报. 2018, 39(02): 17-27. https://doi.org/10.14006/j.jzjgxb.2018.02.002
    摘要 ( ) PDF全文 ( )   可视化   收藏
    为了研究装配整体式剪力墙结构的抗震性能,设计并制作了1个12层1/5装配整体式剪力墙模型结构,选用3条地震波,通过振动台试验,研究了装配整体式剪力墙模型结构的动力特性、加速度放大系数、楼层剪力和位移及最大层间位移角等动力响应,并记录了裂缝形态。试验分析表明:模型结构的自振频率在完成第一阶段水准地震波输入后下降约20%;随峰值加速度增大,模型结构自振频率减小,加速度放大系数逐渐降低,楼层剪力逐渐增大;在塑性阶段,预制墙板顶部或底部与现浇楼板连接部位出现多条水平裂缝,且沿模型高度分布较为均匀,模型结构的非线性变形明显,层间位移角显著增大,自振频率显著降低;采用层间位移角对其进行抗震性能评价,在8度抗震设防时该结构具有良好的抗震性能,但应加强预制墙板与楼板的连接,增强其整体性,避免楼层通缝的出现。
  • 刘希月, 王元清, 石永久, 谭清华
    建筑结构学报. 2018, 39(02): 28-36. https://doi.org/10.14006/j.jzjgxb.2018.02.003
    摘要 ( ) PDF全文 ( )   可视化   收藏
    高强度钢结构节点的低周疲劳断裂性能是影响其抗震性能的关键因素,对于高强度钢结构的抗震设计及其在抗震区的推广应用至关重要。为研究受强震作用高强度钢结构节点的低周疲劳断裂性能,完成了4个高强钢框架栓-焊混接梁柱节点足尺试件的低周疲劳往复加载试验,包括2种不同的焊接孔形式和4种焊接工艺,测得各试件的断裂失效模态及承载性能。基于试验结果,分析了焊接工艺细节及焊接孔形式、钢材强度对高强钢框架梁柱节点断裂性能的影响,研究了这类节点的断裂失效机制。结果表明:当采用有效的构造改进措施,且翼缘焊缝质量得以保证时,高强度钢框架梁柱节点破坏前能承受较大的塑性变形,断裂性能良好。
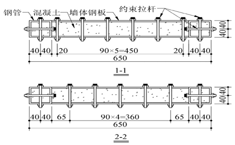
  • 蔡健, 段伟宁, 汤序霖, 刘鸿亮, 左志亮
    建筑结构学报. 2018, 39(02): 37-43. https://doi.org/10.14006/j.jzjgxb.2018.02.004
    摘要 ( ) PDF全文 ( )   可视化   收藏
    为研究轴压比与剪跨比对带约束拉杆双层钢板-混凝土组合剪力墙抗震性能的影响,完成了5个缩尺模型试件的拟静力试验。研究结果表明:试件破坏时底部墙体钢板均受压屈曲,其中低剪跨比(剪跨比为1.0)试件出现典型的剪压破坏现象,而中高剪跨比(剪跨比为1.5~2.0)试件出现典型的压弯破坏现象;高轴压比、低剪跨比的带约束拉杆双层钢板-混凝土组合剪力墙仍具有良好的承载力、变形及耗能能力;增大轴压比可提高试件的承载力,但其变形和滞回性能有所降低;减小剪跨比,试件的承载力和刚度有较大幅度提高,耗能能力有所下降,而延性和承载力退化变化不明显。
  • 高向宇, 李建勤, 刘超, 李杨龙
    建筑结构学报. 2018, 39(02): 44-53. https://doi.org/10.14006/j.jzjgxb.2018.02.005
    摘要 ( ) PDF全文 ( )   可视化   收藏
    通过钢支撑-混凝土框架振动台试验研究了钢支撑失稳或其他构件损伤后引起的扭转突然增大问题,即非弹性扭转问题,结果表明钢支撑受压失稳或失效是导致此类结构出现非弹性扭转的重要原因。基于试验结果,分析了钢支撑失稳或失效导致结构非弹性扭转突增的机理;同时建立了设有偶然偏心的有限元模型算例并进行非线性分析,验证了在增加构件数量的条件下该类结构仍存在非弹性扭转突增问题,表明即使是对称结构,在普通钢支撑发生受压失稳及其反向受拉过程中,也会产生非弹性扭转及其突然增大现象。试验和案例分析均表明类似的现象,即在相同加载及偏心条件下纯混凝土框架非弹性扭转虽然存在,但其突然增大值比钢支撑框架结构要小;设置防屈曲支撑抗扭效果显著,优于设置钢支撑的混凝土框架和纯混凝土框架。建议工程设计中设置防屈曲支撑,可有效减控混凝土框架非弹性扭转危害;通过设置质量偏心,对钢支撑-混凝土框架结构进行强震下非弹性扭转响应分析,并在设计上对其最大值加以限制。
  • 鲁亮, 张会会, 代桂霞, 江乐
    建筑结构学报. 2018, 39(02): 54-60. https://doi.org/10.14006/j.jzjgxb.2018.02.006
    摘要 ( ) PDF全文 ( )   可视化   收藏
    柱端铰型受控摇摆式钢筋混凝土框架结构(CR-RCFC)是一种新型消能减震结构体系。根据CR-RCFC摇摆机制及其节点构造,建立了CR-RCFC和常规框架的有限元模型,并对其进行地震作用下动力时程分析,得到了不同地震作用下结构的动力特性、加速度响应、位移响应和基底剪力响应,对比分析了CR-RCFC与常规框架的抗震性能,并与振动台试验结果进行对比,验证数值建模及分析结果的正确性。研究结果表明:CR-RCFC结构因节点刚度弱化、抗侧刚度降低,其地震加速度响应比常规框架的小;通过设置层间阻尼器耗能装置使得CR-RCFC结构在地震作用下的结构整体位移得到有效控制;在遭遇罕遇地震作用时,CR-RCFC主体框架保持完好,无明显损伤,抗震性能良好。
  • 郝勇, 娄宇, 杜修力, 温凌燕, 吕佐超, 刘博文
    建筑结构学报. 2018, 39(02): 61-71. https://doi.org/10.14006/j.jzjgxb.2018.02.007
    摘要 ( ) PDF全文 ( )   可视化   收藏
    为研究钢框束筒结构中的剪力滞后现象及其对结构设计的影响,分析结构在罕遇地震作用下耗能及楼层损伤情况,建立了有限元分析模型,对结构进行风荷载和多遇地震作用下的弹性分析以及罕遇地震作用下弹塑性时程反应分析。对剪力滞后沿楼层的分布特点以及窗裙梁截面高度变化对束筒结构剪力滞后的影响进行了分析,研究了剪力滞后与楼层损伤之间的关系。通过对楼层的最大有害层间位移角和塑性耗能分析,研究了楼层损伤因子的计算方法,并对楼层的损伤程度进行了定量评估。分析结果表明:钢框束筒结构下部高度1/3范围内为剪力传递敏感区域,仅在该区域加大窗裙梁截面可以得到与全高加大窗裙梁截面接近的空间作用效果。结构剪力滞改善后,应避免局部区域出现应力突变,产生新的更为严重剪力滞后现象。楼层柱应力不均匀系数代表值与楼层塑性耗能在竖向收进局部区段具有相似的分布规律。采用基于归一化的位移和塑性耗能双参数模型算式得到的楼层损伤因子与通过损伤现象确定的楼层损伤因子吻合较好,可用于钢框束筒结构楼层损伤程度的定量评估。
  • 陈伟, 王婷, 岳星宇, 吴方伯, 周绪红
    建筑结构学报. 2018, 39(02): 72-78. https://doi.org/10.14006/j.jzjgxb.2018.02.008
    摘要 ( ) PDF全文 ( )   可视化   收藏
    通过7片框架柱约束横孔混凝土空心砌块夹心墙的拟静力试验,研究了该墙体结构的破坏机理、承载能力、变形能力、延性、滞回特性和刚度退化等,分析了不同抗震构造措施、开设窗洞以及墙体高宽比对其抗震性能的影响。结果表明:横向拉结件和水平钢筋混凝土带可以提高墙体的水平承载力、耗能能力和延性,提高墙体的抗震性能;开设窗洞对墙体的开裂荷载、极限荷载、耗能能力以及初始刚度都有较大的削弱;在窗洞口设置混凝土抱框可以提高墙体的抗震性能;墙体高宽比过大会降低其抗震能力。
  • 混凝土及组合结构
  • 杨博雅, 吕西林
    建筑结构学报. 2018, 39(02): 79-87. https://doi.org/10.14006/j.jzjgxb.2018.02.009
    摘要 ( ) PDF全文 ( )   可视化   收藏
    预应力预制混凝土剪力墙通过后张拉高强无黏结预应力筋将分段预制墙板拼装成整体,剪力墙与基础连接处布置若干普通钢筋以增强墙体的耗能能力。预制剪力墙在侧向荷载作用接缝处张开,依靠重力荷载和无黏结预应力筋提供恢复力。参照现行规范和已有的试验结果,给出了预应力预制剪力墙的性能目标,提出了预应力预制剪力墙截面设计方法,包括剪力墙截面尺寸、预应力筋、耗能钢筋以及墙脚约束混凝土设计。以4层预应力预制框架剪力墙结构为算例,采用有限元分析软件OpenSEES建立数值分析模型,结果表明本设计方法可满足预期目标,进而验证了设计方法的合理性。
  • 曾翔超, 余红发, 吴成友
    建筑结构学报. 2018, 39(02): 88-96. https://doi.org/10.14006/j.jzjgxb.2018.02.010
    摘要 ( ) PDF全文 ( )   可视化   收藏
    与硅酸盐水泥混凝土相比,碱式硫酸镁水泥混凝土具有快凝、早强、高强、抗水、抗腐蚀等优点,为了探索碱式硫酸镁水泥混凝土柱与普通混凝土柱在基本力学性能上的差异,进行了16个试件的受压静载试验。试验结果发现,碱式硫酸镁水泥混凝土大偏心受压柱的开裂弯矩、承载力比普通混凝土柱高约20%,碱式硫酸镁水泥混凝土小偏心受压柱性能和普通混凝土相当。偏心距较大时,碱式硫酸镁水泥混凝土柱的承载能力也随混凝土强度的提高小幅度增大;现行混凝土规范GB 50010—2010中普通混凝土偏心受压柱承载力计算公式不适用于碱式硫酸镁水泥混凝土偏心受压柱,需要修正。
  • 马辉, 郭婷婷, 李哲, 薛建阳, 刘云贺
    建筑结构学报. 2018, 39(02): 97-105. https://doi.org/10.14006/j.jzjgxb.2018.02.011
    摘要 ( ) PDF全文 ( )   可视化   收藏
    为研究圆钢管型钢再生混凝土组合柱的轴压性能,对11个组合柱试件进行了轴心受压试验,主要考虑了再生粗骨料取代率、钢管径厚比、截面型钢配钢率和长细比等4个设计参数,观察了试件的受力全过程以及破坏形态,获取了试件的荷载-位移曲线及荷载-应变曲线;重点分析了设计参数对组合柱轴压性能的影响。研究结果表明:组合柱主要破坏特征为型钢屈服后钢管表面发生外鼓变形破坏,核心再生混凝土主要发生剪切破坏和压溃破坏;组合柱轴压承载力随再生粗骨料取代率的增加而降低,但试件仍表现出良好的变形能力;减小圆钢管径厚比和增大型钢配钢率均可提高试件的轴压承载力和变形能力;长细比的增大降低了组合柱的轴压承载力;此外,组合柱的横向变形系数约为1.2。在此基础上,基于极限分析法和试验数据,提出了适用于圆钢管型钢混凝土组合柱的轴压承载力计算式,计算值与试验值吻合良好。
  • 结构抗风专题
  • 方根深, 赵林, 梁旭东, 宋丽莉, 朱乐东, 葛耀君
    建筑结构学报. 2018, 39(02): 106-113. https://doi.org/10.14006/j.jzjgxb.2018.02.012
    摘要 ( ) PDF全文 ( )   可视化   收藏
    针对台风风场解析模型中两个关键参数,即最大风速半径Rmax和径向气压分布系数β,进行了既有多种实测统计函数关系的比较。以强台风“黑格比”(Hagupit 0814)为例,结合其路径观测信息和逐时中心气压数据,对比了台风发展、加强、消散过程中不同计算方法获得的风场参数取值变化特征,总结了不同观测地域拟合的风场参数统计关系所反映的台风风场特征差异性。选取两处台风“黑格比”中心对穿观测站点的实测数据,结合基于实测风场参数优化的台风风场解析模型,采用多种Rmaxβ实测组合关系,再现了台风黑格比风速过程随时间演变规律,并与实测结果进行综合比对,推荐了适用于我国南部沿海台风风场数值模拟的Rmaxβ组合关系。
  • 柯世堂, 王浩
    建筑结构学报. 2018, 39(02): 114-121. https://doi.org/10.14006/j.jzjgxb.2018.02.013
    摘要 ( ) PDF全文 ( )   可视化   收藏
    为研究直筒-锥段型钢结构冷却塔表面脉动风压非高斯特性,并对非高斯特性的形成机理进行分析。以国内拟建的首座超大直筒-锥段型钢结构冷却塔(189m)为例,采用大涡模拟(LES)方法对其进行了数值风洞试验,得到其表面流场特性和压力时程,并通过与国内外大型冷却塔实测及风洞试验结果对比验证了数值模拟结果的有效性。基于典型测点概率密度分布曲线和空间相关性,对具有非高斯分布特性的局部区域给出判断标准,并从非高斯特性的形成与分离流动及涡旋运动相关性入手,揭示了非高斯风压的形成机理。研究表明:负压极值点至分离点区域内锥段和直筒段表面风压呈非高斯分布,锥段背风区风压也明显呈非高斯分布,而直筒段背风区大多测点呈高斯分布特征。
  • 郑朝荣, 陈勇, 金钊, 武岳, 李胤松
    建筑结构学报. 2018, 39(02): 122-129. https://doi.org/10.14006/j.jzjgxb.2018.02.014
    摘要 ( ) PDF全文 ( )   可视化   收藏
    为评估某千米级摩天大楼的行人风环境,采用超越阈值概率法评估了该大楼最不利风环境平台的行人风环境,给出了风舒适性与风安全性的实用分区。首先针对大连地区2004—2014年10 m高度处的气象资料进行统计分析,获得了16个风向角下的风向频率及风速Weibull分布函数。基于风环境试验和CFD数值模拟所得的行人高度小时平均风速和阵风风速,比较了Lawson标准和NEN 8100标准的严格程度。并采用Lawson标准对室外平台的行人风环境进行评估,分析了不同挡风板高度和形式的影响。结果表明:相比于Lawson标准,NEN 8100标准对风环境要求更严格;高3m挡风板基准模型的行人风环境很差,需采取措施进行改善;变化挡风板高度和形式等气动措施对“风安全性”水平的改善效果显著,但对“风舒适性”水平的改善效果有限。
  • 王栋成, 董旭光, 邱粲, 曹洁
    建筑结构学报. 2018, 39(02): 130-137. https://doi.org/10.14006/j.jzjgxb.2018.02.015
    摘要 ( ) PDF全文 ( )   可视化   收藏
    基于东营、济南、蓬莱三个观测站边界层风廓线雷达观测的各高度层和地面气象站10m高度的最大风速数据,采用统计、极值分布、最小二乘法、廓线图等方法,进行风速随高度变化研究。结果表明:三站10~3000m各高度层2014年全年的小时最大风速分别为30.6、30.7、31.2m/s,出现高度分别为1900、1420、1780m,三站10~100m高度层风速迅速增大而其上则随高度增加总体呈缓慢增大;三站2014年最大风速风剖面指数α,280m高度层分别为0.2221、0.2438、0.1845,460m高度层分别为0.2044、0.1905、0.1915,700m高度层分别为0.1887、0.1678、0.1671;460m高度层以下各拟合α值总体与GB 50009—2012《建筑结构荷载规范》中的C类地表粗糙度的接近,但蓬莱站高度280m以下的更接近B~C类中值;700m高度层拟合α值总体与GB 50009—2012中的B类地表粗糙度的接近,但东营站的更接近B~C类中值。分析认为:三个观测站不同下垫面粗糙度对α的影响显著,GB 50009—2012中的风剖面模型在高度300m以下未能与实测风速廓线吻合,100~300m高度层实测最大风速远大于拟合值,进而探讨指出GB 50009—2012中的拟合指数方法所推荐的统一值存在不足或局限性。在高层构筑物设计时,应确保截断高度层的实际最大风速摆脱地表粗糙度等人为因素影响。
  • 冀骁文, 黄国庆, 罗颖, 张娟
    建筑结构学报. 2018, 39(02): 138-145. https://doi.org/10.14006/j.jzjgxb.2018.02.016
    摘要 ( ) PDF全文 ( )   可视化   收藏
    为了研究广泛采用轻型钢结构的厂房、仓库等工业建筑的风致易损性,基于风洞试验数据提出一种考虑风荷载相关性的金属屋面风致易损性概率分析方法。首先,基于原有测点,通过本征正交分解插值技术得到足够多的风压测点数据,再结合影响面模型计算得出屋面板连接构件内力,并通过基于Hermite多项式的转换过程得到极值内力;其次,连接构件内力间的相关性可以借由高斯Copula函数考虑到损失分析中去;最后,利用蒙特卡洛模拟判定连接构件破坏与否进而确定屋面板是否破坏,并对屋面整体损失进行估计。基于所提方法,简要分析了连接构件内力间相关性考虑与否对屋面损失结果的影响。结果表明,相关性的考虑使得屋面破坏的变异性增加,导致房屋可能遭受更大程度的破坏。
  • 罗颖, 黄国庆, 杨庆山, 田玉基
    建筑结构学报. 2018, 39(02): 146-152. https://doi.org/10.14006/j.jzjgxb.2018.02.017
    摘要 ( ) PDF全文 ( )   可视化   收藏
    基于采样时长较长的风洞试验数据,在Hermite多项式的基础上提出了计算风压极值的简化公式。采用Winterstein提出的近似解析式计算Hermite多项式的相关参数,根据风洞试验数据拟合得到了简化公式中的未知系数。将数据的极大值和极小值作为参考值,对拟合后的简化公式精度进行了评估。在极大值评估中,对比了简化公式与现有Hermite计算式的精度,其中后者的参数采用Yang等提出的近似解析式计算。研究结果表明,在不同采样频率、时距及风洞试验数据下,简化公式估计极大值精度较高,估计极小值则存在较大相对误差,但由于极小值数值较小,其实际差异不大。
  • 地基基础
  • 路林海, 韩帅, 陈振兴, 王国富, 王永吉, 赵凯迪
    建筑结构学报. 2018, 39(02): 153-161. https://doi.org/10.14006/j.jzjgxb.2018.02.018
    摘要 ( ) PDF全文 ( )   可视化   收藏
    由济南R1线工程的预制方桩受弯承载力试验结果可知,采用承插式桩接头的预制方桩的受弯承载力取决于接头的承载性能,由此提出了该预制方桩受弯承载力极限状态的检验标志为桩身挠度、裂缝宽度达到规范限值或桩接头屈服,以此给出预制方桩的受弯承载力计算式,同时对预制方桩的受力变形过程进行阶段划分。结合数值分析方法,分析了预制方桩各受力阶段的桩接头受力变形特征,建立了桩接头的受力变形模型,验证了以Tresca屈服准则判别桩接头屈服的正确性,并推导了桩接头受弯承载力计算式,并以试验结果验证了该式的正确性。结果表明:当桩接头材料达到屈服强度时,挠度、裂缝宽度均远小于规范限值。桩接头上部受压区初始以销栓传递应力给腹板、上翼板,腹板、上翼板与端板接触后,由腹板、上翼板直接承受压应力;下部受拉区以销栓传递应力给腹板、下翼板,由受压侧腹板、下翼板承受受拉区应力,且受拉区受压侧腹板、下翼板首先屈服,并以此作为计算桩接头受弯承载力的依据。受拉区腹板、下翼板第二主应力比第一、第三主应力小两个数量级。根据桩接头受压区分布情况,桩接头屈服时,受压区应力分布为“倒三角形”,并以此确定受压区合力位置。
  • 郭杨, 吴平
    建筑结构学报. 2018, 39(02): 162-167. https://doi.org/10.14006/j.jzjgxb.2018.02.019
    摘要 ( ) PDF全文 ( )   可视化   收藏
    针对预应力钢筋混凝土管桩(普通管桩)水平承载力不足的问题,开发研制了采用玻璃纤维筋与钢筋复合配筋预应力混凝土管桩(复合配筋管桩),进行了复合配筋管桩与普通管桩受弯和受剪性能的对比试验。受弯试验结果表明:GFRP筋的配置较大幅度改善了普通管桩的承载性能;与普通管桩相比,复合配筋管桩的开裂弯矩和极限弯矩均有显著的提高,且其裂缝分布范围小、数量少且长度略短于普通管桩;两种类型桩裂缝出现前跨中截面应变符合平截面假定,破坏时复合配筋管桩受压区混凝土破碎而管桩的预应力筋被拉断。受剪试验结果显示:配置GFRP筋较大幅地改善了普通管桩的受剪性能,其开裂剪力有显著的提高;两种类型桩破坏过程相似,均是支座处先出现裂缝,并沿与桩长方向大致30°夹角方向开展延伸,当延伸至加载点垂直面时,以平行于桩长方向继续扩展,最后形成贯通面。对比试验结果表明,采用玻璃纤维筋与钢筋复合配筋预应力混凝土管桩在受弯和受剪性能方面均有不同程度的提高,可有效解决普通管桩水平承载力不足的问题。
  • 陈云娟, 张鑫, 郭道通, 邓祥文
    建筑结构学报. 2018, 39(02): 168-173. https://doi.org/10.14006/j.jzjgxb.2018.02.020
    摘要 ( ) PDF全文 ( )   可视化   收藏
    考虑建筑物掏土纠倾地基土体侧压力和掏土的动态扰动影响,提出了基于鲁宾涅特解的掏土孔孔周土体塑性区计算方法,并推导了建筑物掏土纠倾孔间土体最大宽度确定方法。在某高层住宅楼掏土纠倾实例中,将其计算结果与圆孔扩张理论对比,并由现场监测结果进行了验证。结果表明:基于鲁宾涅特解的掏土孔孔间距与住宅楼施工间距基本一致,而基于小孔扩张理论的掏土孔孔间距理论解与现场施工相差较大,鲁宾涅特解对建筑物掏土纠倾孔周土体塑性区的求解具有更高的精度,由此证明,提出的孔周土体塑性区求解方法以及孔间土体最大宽度确定方法是可行的,与建筑物掏土纠倾工程实例吻合度较高。