2017年, 第38卷, 第S1期 刊出日期:2017-11-05
  

  • 全选
    |
    混凝土及组合结构
  • 方勇, 王玉银, 傅昶彬, 王庆贺
    建筑结构学报. 2017, 38(S1): 1-8. https://doi.org/10.14006/j.jzjgxb.2017.S1.001
    摘要 ( ) PDF全文 ( )   可视化   收藏
    为研究穿筋压型钢板-混凝土组合板的受弯性能,对穿筋压型钢板-混凝土组合板试件和无穿筋组合板对比试件进行了静力试验。基于试验数据验证了相应的有限元模型,对穿筋的位置和间距进行了参数分析。提出了穿筋组合板的短期刚度计算式。研究结果表明:穿筋压型钢板-混凝土组合板结构形式可靠,可以有效改善组合板弱边方向的受弯能力,应简化为双向板进行设计,采用所提短期刚度公式,计算该类组合板的挠度值与实测值偏差较小。相同条件下的穿筋组合板相对于无穿筋组合板峰值荷载提高43%,刚度提高114%;相对于焊筋组合板峰值荷载提高9%,刚度提高40%。且穿筋组合板开裂荷载更高,加载过程中裂缝开展缓慢;横穿钢筋的数量从3增大到7时,穿筋组合板峰值荷载提高14.5%,刚度提高23.3%;穿筋距离从5mm变化到45mm时,穿筋组合板峰值荷载减小11.7%,刚度降低12%。
  • 魏盟, 王庆贺, 王玉银, 耿悦,
    建筑结构学报. 2017, 38(S1): 9-16. https://doi.org/10.14006/j.jzjgxb.2017.S1.002
    摘要 ( ) PDF全文 ( )   可视化   收藏
    为研究沿截面高度混凝土非均匀收缩对钢-混凝土组合板长期挠度的影响,基于国内外现有组合板长期性能的试验研究确定了组合板非均匀收缩预测模型;采用MATLAB语言,建立了可考虑非均匀收缩、徐变及混凝土开裂综合影响的组合板非线性有限元模型,据此系统分析了各参数对组合板收缩挠度的影响;沿用现有组合板设计规范中有效刚度的概念,提出了可考虑非均匀收缩影响的组合板长期挠度计算公式。研究结果表明,由非均匀收缩引起的挠度占组合板长期挠度的58%~86%,组合板设计时不应忽略非均匀收缩的影响;混凝土抗压强度和组合板跨高比对组合板收缩挠度的影响较大;所提出的组合板长期挠度计算公式预测结果与有限元分析结果吻合较好,公式预测结果与有限元分析结果比值的均值为0.971~0.997,判定系数R2为0.803~0.815。
  • 管宇, 周绪红, 石宇, 聂少锋
    建筑结构学报. 2017, 38(S1): 17-24. https://doi.org/10.14006/j.jzjgxb.2017.S1.003
    摘要 ( ) PDF全文 ( )   可视化   收藏
    对冷弯薄壁型钢-石膏基自流平砂浆组合楼盖足尺模型进行了平面内低周往复加载试验,研究了组合楼盖的破坏形式、面内承载力、面内刚度以及耗能性能。试验结果表明:冷弯薄壁型钢-石膏基自流平砂浆组合楼盖的整体工作性能优异,具有良好的面内受力性能;组合楼盖因C形边梁与压型钢板之间的螺钉连接发生破坏而导致面内承载力降低,进而发生破坏;组合楼盖的面内刚度和耗能性能均随C形边梁位置处自攻螺钉受剪性能的降低而减小。采用ABAQUS有限元软件对试验模型进行模拟分析,并对验证后的有限元模型进行了变参数分析,研究表明:当砂浆翼板的厚度在20~40mm之间时,厚度的改变对组合楼盖面内受力性能影响较大;当砂浆翼板的厚度在40~80mm之间时,厚度的改变对组合楼盖面内受力性能的影响较小。
  • 范重, 王海波, 裴雨晨, 许庆
    建筑结构学报. 2017, 38(S1): 25-33. https://doi.org/10.14006/j.jzjgxb.2017.S1.004
    摘要 ( ) PDF全文 ( )   可视化   收藏
    为定量评估罕遇地震作用下结构的损伤程度,结合国内外抗震设计规范与相关研究成果,给出了较为实用的结构与构件地震损伤判别标准。综合分析认为结构最大瞬时层间变形角、残余变形以及各类构件的最大转角可以较为全面反映整体结构与构件的损伤情况,便于在结构抗震设计时应用。针对以剪切变形为主的构件特点,提出一种可更换连梁,并给出了相应的设计方法。算例分析结果表明:可更换连梁对结构侧向刚度影响较小,通过改善结构的耗能能力,减小结构在罕遇地震作用下的层间位移角与相应的破坏程度;采用可更换连梁后,核心筒剪力墙的受损程度明显降低,顶部残余变形显著减小;尽管可更换连梁的耗能段变形集中,但与其相连的混凝土梁段基本保持弹性状态;对于钢框架-混凝土核心筒混合结构,边框柱与边框梁在罕遇地震作用下的损伤程度均较低,可更换连梁对其影响较小。
  • 何金洲, 贾明明, 吕大刚, 杨宁,
    建筑结构学报. 2017, 38(S1): 34-40. https://doi.org/10.14006/j.jzjgxb.2017.S1.005
    摘要 ( ) PDF全文 ( )   可视化   收藏
    在摇摆桁架-BRB-钢框架体系中设置BRB构件,以增强结构体系的耗能能力,控制并减轻结构的地震损伤。基于大震作用下的时程分析,对BRB构件的耗能量、能量时程曲线、累积位移系数以及结构层间位移集中系数进行了分析。结果表明:摇摆界面上的BRB构件滞回环饱满,在地震作用下能稳定地发挥耗能能力,各层BRB构件的屈服顺序以及耗能量的大小对该层的耗散地震能量的先后和大小影响较大,BRB构件累积位移系数随楼层数的增加而增大;摇摆桁架-BRB-钢框架体系侧向变形和结构损伤较原钢框架结构更加均匀,同时,BRB构件的耗能减震作用可提高结构体系抵抗地震损伤的可恢复性。
  • 闻洋, 陈明俊, 韩洪鹏
    建筑结构学报. 2017, 38(S1): 41-49. https://doi.org/10.14006/j.jzjgxb.2017.S1.006
    摘要 ( ) PDF全文 ( )   可视化   收藏
    为了研究钢管再生混凝土柱-钢梁框架的受力性能,对4榀内置大块体钢管再生混凝土柱-钢梁框架进行低周反复荷载试验和有限元模拟,通过变化混凝土取代率、含钢率等参数来研究其滞回性能、延性、承载力与刚度退化、耗能能力等性能指标。试验结果表明:框架试件的滞回曲线均较饱满,呈“梭形”,位移延性系数均大于3,等效阻尼系数为0.158~0.472,承载力退化并不明显,而整体刚度退化较为明显,试验过程中的耗能指标平稳,说明框架的耗能能力和抗震性能较好。由有限元分析可知:模拟的滞回曲线与试验结果吻合较好;柱根部塑性铰出现在加劲肋上部约40mm处,加载端塑性铰长度约95mm,梁端塑性铰长度约90mm;混凝土强度在C30~C80之间,框架的弹性刚度和承载力随混凝土强度的提高而增加;梁柱线刚度比在0.32~2.00之间,框架的承载力和弹性刚度随线刚度比增加而提升。
  • 赵根田, 张宇鸣, 曹芙波, 狄昊
    建筑结构学报. 2017, 38(S1): 50-57. https://doi.org/10.14006/j.jzjgxb.2017.S1.007
    摘要 ( ) PDF全文 ( )   可视化   收藏
    为了研究部分包裹混凝土组合(PEC)柱-型钢梁端板连接框架结构抗震性能,通过改变端板厚度和柱含钢率,对3榀端板连接复合框架模型进行低周反复荷载试验。分析了组合框架层间滞回特性、承载力、抗侧刚度、耗能能力、节点转角延性、层间位移和屈服机制等抗震性能。结果表明:框架的层间屈服机制为先期梁端截面形成塑性铰,后期柱根部屈服,实现了利用塑性屈服耗能的设计目标;节点域填充混凝土形成斜压带传力模式,满足了节点域薄腹板的抗剪需求;端板厚度由12mm增加到20mm,试件承载力增加2%,试件初始刚度提高22.44%,节点转角延性系数提高10.00%,耗能能力增加12.87%;柱截面含钢率由15.5%增加到19.4%,试件承载力提高13.00%,初始刚度提高50.77%,耗能能力增加9.80%,但节点转角延性系数降低3.4%。试件破坏时层间位移角均超过抗震规范弹塑性层间侧移角限值1/50,且试件承载力退化系数仍达到0.96,结构具有良好的屈服机制和抗震性能。
  • 伍云天, 周庆, 苏义庭, 王斌
    建筑结构学报. 2017, 38(S1): 58-65. https://doi.org/10.14006/j.jzjgxb.2017.S1.008
    摘要 ( ) PDF全文 ( )   可视化   收藏
    钢板混凝土联肢组合剪力墙是一种具有“双重防线机制”的优良抗震结构体系,其理论研究已经滞后于工程实践的发展,传统的基于强度的抗震设计方法难以从抗震耦合机制层面解决连梁和组合墙肢的匹配问题。为此提出以耦连比为基本设计参数,以连梁-墙肢“双重防线机制”为性能目标的钢板混凝土联肢组合剪力墙抗震设计方法。基于此方法,设计原型结构,并按原型结构底部五层的联肢墙设计制作1∶4缩尺试件,对试件施加往复荷载,考察试件的整体屈服机制。试验结果表明,结构体系通过钢连梁的剪切变形和墙肢底部的塑性铰变形来耗散能量,实现了连梁-墙肢“双重防线机制”,验证了该设计方法的合理性。
  • 陈建伟, 闫文赏, 苏幼坡, 陈海彬,
    建筑结构学报. 2017, 38(S1): 66-76. https://doi.org/10.14006/j.jzjgxb.2017.S1.009
    摘要 ( ) PDF全文 ( )   可视化   收藏
    为了研究带竖向拼缝的装配式钢管混凝土剪力墙结构的抗震性能,设计制作了2个带竖向拼缝的的1/3缩尺的两层装配式钢管混凝土剪力墙试件,试件墙肢截面形式分别为L形和工字形。通过对其进行低周往复加载试验,研究2个试件的墙体裂缝开展过程及破坏形态,并通过与带竖向拼缝的一字形墙体试件进行对比,分析不同截面形式的墙体的滞回曲线、骨架曲线、延性系数、刚度退化曲线和竖向拼缝的滑移曲线。结果表明,采用套筒灌浆方式连接的钢管节点能够满足受力需求;竖向拼缝的连接方式是可靠的,能够较好地满足结构的整体传力要求;另外,与一字形墙体试件相比,L形墙体和工字形墙体位移延性系数分别提高24.44%和50.38%,承载力分别提高8.94%和26.81%。
  • 王玉镯, 宋健, 高英, 许德建, 王慧敏, 傅传国
    建筑结构学报. 2017, 38(S1): 77-83. https://doi.org/10.14006/j.jzjgxb.2017.S1.010
    摘要 ( ) PDF全文 ( )   可视化   收藏
    为研究型钢类型对型钢支撑混凝土剪力墙抗震性能的影响,进行了3个1/3缩尺的型钢支撑混凝土剪力墙和1个普通钢筋混凝土剪力墙对比试件低周反复荷载下的试验研究。得到了其破坏过程和破坏模式,并且分析了不同型钢类型对剪力墙承载能力、裂缝开展、刚度、延性及耗能的影响。试验结果表明:支撑对剪力墙的承载能力、刚度、延性及耗能性能均有较大提升作用。X形槽钢、X形角钢和X形工字钢支撑剪力墙的承载力分别比对比试件提高了71.8%、59.6%和49.4%,其延性系数分别提高了38.3%、5.3%和14.5%;型钢支撑混凝土剪力墙的刚度退化速率更加缓慢,而且中后期刚度明显优于对比试件;型钢支撑混凝土剪力墙的塑性区范围较对比试件大幅增加,试验得到的滞回环也更加饱满。
  • 窦旭强, 赵唯以, 可飞, 郭全全
    建筑结构学报. 2017, 38(S1): 84-89. https://doi.org/10.14006/j.jzjgxb.2017.S1.011
    摘要 ( ) PDF全文 ( )   可视化   收藏
    基于双钢板-混凝土组合剪力墙的面外落锤冲击试验,采用LS-DYNA软件对其抗冲击性能进行有限元分析。通过与试验结果对比,校验了单元类型、材料本构模型及边界条件等建模方法的可靠性。采用该模型模拟分析了轴向压力、冲击动量和冲击能量对组合剪力墙动力响应的影响。分析结果表明:该有限元模型能有效地模拟双钢板-混凝土组合剪力墙在落锤冲击作用下的动力响应过程;随着轴压比n的增大,冲击力峰值先增后减,试件底部中心点挠度先减后增,说明轴向压力能提高组合剪力墙的抗冲击性能,但不宜大于0.5;冲击能量相同时,不同冲击动量对组合剪力墙的动力响应无显著影响;而冲击动量相同时,不同冲击能量对其动力响应影响显著。
  • 郝婷玥, 曹万林, 张建伟, 董宏英
    建筑结构学报. 2017, 38(S1): 90-97. https://doi.org/10.14006/j.jzjgxb.2017.S1.012
    摘要 ( ) PDF全文 ( )   可视化   收藏
    为研究钢板两侧设置竖向加劲肋对内置钢板-混凝土组合剪力墙轴压性能的影响,设计了2个相同尺寸的组合剪力墙试件,分别为钢板两侧设置和未设置竖向加劲肋。对2个试件进行轴压性能试验,对比分析其破坏形态、位移、刚度退化、应变等。试验结果表明:钢板两侧设置竖向加劲肋使剪力墙的轴压承载力提高13.38%,刚度退化减缓,外侧混凝土破坏程度减轻。与未设置加劲肋钢板相比,钢板两侧设置加劲肋板能有效地推迟钢板的屈曲进程。对2个试件进行了加载全过程的数值分析,数值分析曲线与试验曲线吻合较好;利用提出的轴压承载力计算公式得到的计算值与试验值吻合较好。
  • 赵秋红, 王凯杰, 李一康, 李忠献,
    建筑结构学报. 2017, 38(S1): 98-104. https://doi.org/10.14006/j.jzjgxb.2017.S1.013
    摘要 ( ) PDF全文 ( )   可视化   收藏
    钢板-混凝土组合剪力墙由钢框架、内嵌钢板及一侧通过螺栓与之连接的混凝土板组成,其中传统组合剪力墙中混凝土板四边与钢框架直接接触,而改进组合剪力墙中二者之间有一定间距,以避免其在结构侧移较小时发生接触。采用ABAQUS有限元软件分别建立了组合剪力墙的精细有限元模型,研究了其受力性能以及板框相互作用全过程,分析了钢板高厚比对组合剪力墙整体承载力、抗侧刚度以及板框剪力分配等的影响。研究表明:组合剪力墙中混凝土板有效抑制钢板弹性屈曲,钢板主要以剪切屈服承载,对框架柱的附加弯矩较钢板剪力墙明显降低;相比钢板剪力墙,传统组合剪力墙承载力提高25%,抗侧刚度提高10%,混凝土板承载近30%;改进组合剪力墙承载力提高10%,抗侧刚度提高5%,混凝土板基本不承担剪力;随着钢板高厚比的减小,组合剪力墙的承载力与抗侧刚度提高,但两类组合剪力墙之间的差别变小;钢板承载比例不断增大,当钢板过厚时需要防止底层框架过早屈服。
  • 王云鹤, 郭兰慧, 张素梅, 陈杰, 王浩屹
    建筑结构学报. 2017, 38(S1): 105-111. https://doi.org/10.14006/j.jzjgxb.2017.S1.014
    摘要 ( ) PDF全文 ( )   可视化   收藏
    完成了6个一字形多腔钢管混凝土短肢组合剪力墙的轴压试验,研究了此类构件在轴压荷载作用下的受力性能,分析了墙肢高宽比对试件轴压性能的影响。同时,采用有限元软件ABAQUS分析了一字形多腔钢管混凝土短肢剪力墙的力学性能。结果表明:多腔钢管混凝土短肢组合剪力墙具有较高的承载力及良好的变形能力,随着高宽比的增大,试件承载力略有降低,位移延性系数基本不变。ABAQUS有限元分析结果和试验结果吻合良好,可以较好地模拟多腔钢管混凝土短肢组合剪力墙的轴压性能,其受力机理与矩形钢管混凝土类似,内隔板可有效约束混凝土。
  • 李宇, 胡红松, 方膨膨, 刘阳, 郭子雄
    建筑结构学报. 2017, 38(S1): 112-117. https://doi.org/10.14006/j.jzjgxb.2017.S1.015
    摘要 ( ) PDF全文 ( )   可视化   收藏
    采用ABAQUS有限元软件对双钢板-混凝土组合剪力墙中外包钢板的局部屈曲行为进行了有限元模拟,分析外包钢板在轴压作用下的局部屈曲和屈曲后的受力性能。共开展了15个模型的有限元分析,模型的变化参数包括钢板的宽厚比和对拉钢筋的列数。分析结果表明:对于列间距和行间距相同的对拉钢筋布置方案,钢板局部屈曲始终发生在相邻两对拉钢筋之间;钢板发生屈曲后,与屈曲位置相邻的对拉钢筋承受较大的拉力,且对拉钢筋拉力随着对拉钢筋间距的减小而增大;增加对拉钢筋列数和减小钢板宽厚比可有效改善外包钢板的局部稳定性能,提高钢板的承载能力和变形能力;相比点约束,线约束对钢板局部屈曲的约束更为有效;无对拉钢筋模型、单列对拉钢筋模型和双列对拉钢筋模型达到屈服强度(345MPa)所需的最小宽厚比分别为25、30和37.5。
  • 李强, 王文达, 毛文婧
    建筑结构学报. 2017, 38(S1): 118-125. https://doi.org/10.14006/j.jzjgxb.2017.S1.016
    摘要 ( ) PDF全文 ( )   可视化   收藏
    为研究圆钢管混凝土柱经历地震损伤后的耐火性能,选取了合理的地震损伤指数及材料本构模型,采用有限元分析软件ABAQUS,对钢管混凝土柱在往复荷载和火灾等不同工况下的试验进行了数值模拟验证。在验证模型可靠性的基础上,利用ABAQUS中的数据传递功能,建立了震损后圆钢管混凝土柱耐火极限有限元计算模型。以圆钢管混凝土典型轴心受压柱为分析对象,对其先后经历地震和火灾作用下的破坏形态、损伤机理进行了分析,研究了损伤指数对圆钢管混凝土柱震后耐火极限的影响。结果表明:震损后圆钢管混凝土柱在高温下的破坏形态是在前期地震损伤基础上的发展和蔓延;地震损伤指数是影响圆钢管混凝土柱震后耐火极限的重要参数,随着地震损伤指数增大,圆钢管混凝土柱的耐火极限有所减小。
  • 毛文婧, 王文达, 王景玄
    建筑结构学报. 2017, 38(S1): 126-132. https://doi.org/10.14006/j.jzjgxb.2017.S1.017
    摘要 ( ) PDF全文 ( )   可视化   收藏
    采用ABAQUS有限元软件,建立了火灾作用下内配型钢方钢管混凝土轴压柱耐火性能的有限元模型,验证了有限元模型的可靠性。在保证钢材总含钢率不变的前提下,对钢管和内配型钢进行分配,对比分析了两种截面形式柱常温承载力和耐火极限。对钢管含钢率、型钢含钢率以及钢材材料强度进行了分析,并对不同截面总含钢率下钢管含钢率分配比例对耐火极限的影响进行了计算和分析。结果表明:保持总含钢率不变,将钢管中部分钢材以型钢的形式置于混凝土中,常温下承载力略有降低,但火灾下耐火极限提高甚为显著;当钢管含钢率占截面总含钢率的50%~60%时,常温下承载力和火灾下耐火极限均能得到充分的发挥。
  • 黄真锋, 张素梅, 陈杰, 郭兰慧
    建筑结构学报. 2017, 38(S1): 133-141. https://doi.org/10.14006/j.jzjgxb.2017.S1.018
    摘要 ( ) PDF全文 ( )   可视化   收藏
    采用合适的约束混凝土本构关系曲线,建立了T形多腔钢-混凝土组合构件的ABAQUS有限元计算模型,将有限元分析结果与文献试验结果进行对比,二者吻合较好。在验证了有限元模型及选取核心混凝土本构关系曲线可靠性的基础上,利用该有限元模型对T形短肢多腔钢-混凝土组合剪力墙的压弯受力全过程进行了分析。结果表明:在偏压荷载作用下,试件达到峰值荷载之前,多腔钢管已达到承载力,之后核心混凝土所承担的荷载仍继续增加,在试件达到峰值荷载后,核心混凝土达到承载力;与受拉区相比,受压区多腔钢管对核心混凝土的约束作用更为显著;受压区腔体角部核心混凝土强度提高幅度最大,内隔板附近次之,腔体中心处较小。
  • 吕学涛, 徐倩, 张玉琢, 王微微
    建筑结构学报. 2017, 38(S1): 142-149. https://doi.org/10.14006/j.jzjgxb.2017.S1.019
    摘要 ( ) PDF全文 ( )   可视化   收藏
    基于薄板小挠度理论,采用能量法对方钢管混凝土中钢板局部热屈曲性能进行了理论分析。推导了热力耦合作用下钢管混凝土中钢板的临界屈曲系数,并给出了相应的钢板临界屈曲温度计算公式;推导了钢管混凝土外包钢板在热力耦合作用下外荷载、热荷载与常温临界屈曲荷载的关系。结果表明:钢管的弹性模量对临界屈曲温度没有影响;宽厚比对临界屈曲系数及临界屈曲温度有较大影响,并建议了宽厚比限值;通过热屈曲临界系数求得构件屈曲时长宽比的最小值,可用于钢板热屈曲设计。
  • 刘发起, 杨华, 杨冬冬, 张素梅,
    建筑结构学报. 2017, 38(S1): 150-156. https://doi.org/10.14006/j.jzjgxb.2017.S1.020
    摘要 ( ) PDF全文 ( )   可视化   收藏
    对于钢管约束钢筋混凝土柱抗火性能的研究,目前尚无抗火设计方法可供参考。实际工程中大多借鉴钢筋混凝土柱或钢管混凝土柱的抗火设计方法,但由于钢管约束钢筋混凝土柱的受力机理与二者不同,其耐火极限存在明显差异。为此,提出了火灾下圆钢管约束钢筋混凝土柱的耐火极限计算方法,分析了荷载比、长细比等因素对耐火极限的影响,并与钢筋混凝土柱和钢管混凝土柱进行了对比。研究表明:荷载比对圆钢管约束钢筋混凝土柱的耐火极限影响显著,荷载比越大,耐火极限越低;长细比、截面尺寸等因素对荷载比较小的构件影响显著。圆钢管约束钢筋混凝土柱的耐火极限为相同条件下钢筋混凝土柱的14.4%~66.0%,荷载比越大,两种构件的差异越大,按照钢筋混凝土柱的防火设计方法对圆钢管约束钢筋混凝土柱进行防火设计,结果偏于不安全;与钢管混凝土柱相比,钢管约束钢筋混凝土柱具有更高的耐火极限,是钢管混凝土柱的1.0~3.0倍。
  • 曾希, 熊雷, 李召, 赵彦, 杜国锋,
    建筑结构学报. 2017, 38(S1): 157-164. https://doi.org/10.14006/j.jzjgxb.2017.S1.021
    摘要 ( ) PDF全文 ( )   可视化   收藏
    为研究钢管混凝土柱在侧向冲击荷载作用下的受力性能,通过对圆钢管混凝土柱进行横向落锤冲击试验,获得柱在冲击荷载作用下的破坏形态、整体变形和应变分布规律,分析了冲击力和试件跨中挠度时程曲线的特征;并通过有限元分析,研究了钢材和混凝土强度等参数对圆钢管混凝土柱力学性能的影响。研究结果表明:在试验参数范围内,随着冲击能量的增加,试件冲击力峰值、跨中挠度峰值、冲击持续时间增加;含钢率较大试件的冲击力峰值和冲击力平台值较大,跨中挠度峰值较小、冲击持续时间较短;钢材屈服强度对试件抗冲击性能的影响较大,而混凝土抗压强度对试件抗冲击性能的影响则相对较小。
  • 贾志路, 王蕊
    建筑结构学报. 2017, 38(S1): 165-171. https://doi.org/10.14006/j.jzjgxb.2017.S1.022
    摘要 ( ) PDF全文 ( )   可视化   收藏
    为研究箱形钢管混凝土叠合柱抗冲击性能,利用自主研发的落锤式试验机进行了箱形叠合柱冲击试验,研究了边界条件、冲击高度和轴压比对冲击力时程、跨中位移、应变时程以及破坏形态的影响。试验结果表明:箱形叠合柱在冲击荷载作用下发生弹塑性破坏;随冲击高度的增加,冲击力时程曲线由两段式发展为三段式,柱破坏形态表现为外层混凝土开裂且剥落明显,但内部钢管混凝土跨中冲击部位钢管无局部屈曲;两端固定时的抗冲击性能较两端简支时增强;而轴力对其动力响应影响不显著。
  • 赵海龙, 周子云, 王铁成,
    建筑结构学报. 2017, 38(S1): 172-178. https://doi.org/10.14006/j.jzjgxb.2017.S1.023
    摘要 ( ) PDF全文 ( )   可视化   收藏
    为了研究钢-混凝土组合十形柱的抗震性能,设计了6个钢-混凝土组合十形柱和1个普通钢筋混凝土十形柱并进行低周反复加载试验,得到其荷载-位移滞回曲线和骨架曲线,并分析其承载力和延性等抗震性能指标,研究配钢形式和轴压比对其抗震性能的影响。研究表明:与普通钢筋混凝土柱相比,钢-混凝土组合十形柱的滞回曲线更为饱满,承载力、变形能力和延性均有显著提高;“T形钢+方钢管”配钢试件在承载力、变形能力和延性等方面均优于实腹式配钢试件;当轴压比在0.19~0.34之间增加时可以提升试件的延性,当轴压比增大至0.34以后,延性开始下降;和实腹式配钢试件相比,“T形钢+方钢管”配钢试件中型钢的作用发挥得更合理,抗震性能更优。
  • 宋华, 杨远龙, 刘界鹏,
    建筑结构学报. 2017, 38(S1): 179-184. https://doi.org/10.14006/j.jzjgxb.2017.S1.024
    摘要 ( ) PDF全文 ( )   可视化   收藏
    制作了1根对拉钢筋加劲L形截面钢管混凝土柱试件和2根非加劲L形截面钢管混凝土柱试件,对其进行低周往复水平荷载作用下的滞回性能试验,考察对拉钢筋和轴压比对其抗震性能的影响规律。结合OpenSees有限元分析,研究其破坏模式和滞回性能,分析对拉钢筋的作用以及钢管对混凝土的约束作用。结果表明:对拉钢筋能有效限制钢板的局部屈曲以及阴角处钢管和混凝土的脱离,保证钢管和混凝土共同工作;轴压比从0.3增加到0.6时,非加劲L形截面钢管混凝土柱的耗能能力及延性均降低;相同轴压比下,相比非加劲L形截面钢管混凝土柱,对拉钢筋加劲L形截面钢管混凝土柱的破坏程度明显减轻,耗能能力及延性明显提高;有限元分析结果基本能反映试件在低周往复水平荷载作用下的抗震性能。
  • 王宇航, 王维, 周绪红, 刘界鹏,
    建筑结构学报. 2017, 38(S1): 185-189. https://doi.org/10.14006/j.jzjgxb.2017.S1.025
    摘要 ( ) PDF全文 ( )   可视化   收藏
    为了研究钢管约束钢筋混凝土柱在轴压-弯曲-扭转耦合荷载下的抗震性能,开展了2个钢管约束钢筋混凝土柱在压-弯-扭耦合荷载下的拟静力试验,得到了弯-扭和压-弯-扭两种荷载工况下的荷载-变形曲线。试验结果表明:钢管约束钢筋混凝土柱在弯-扭荷载下的荷载-变形滞回曲线存在比较明显的“捏拢”效应,但在压-弯-扭荷载下的荷载-变形滞回曲线“捏拢”效应较小,当轴压力为受压承载力的30%时,压-弯-扭荷载下的钢管约束钢筋混凝土柱较弯-扭作用时具有更高的受弯和受扭承载力及良好的耗能能力。
  • 匡小波, 李贤, 李健
    建筑结构学报. 2017, 38(S1): 190-197. https://doi.org/10.14006/j.jzjgxb.2017.S1.026
    摘要 ( ) PDF全文 ( )   可视化   收藏
    通过4个外包式钢管混凝土柱脚试件的低周往复荷载试验和ABAQUS有限元模拟,研究了圆形截面钢管混凝土柱脚外包钢筋混凝土和钢管混凝土构造及外包高度对柱脚的滞回性能影响。研究表明:外包高度为2.5D(D为钢管混凝土柱直径)的试件承载能力较外包高度为1.8D的试件高,但延性和耗能能力差。外包段采用钢管混凝土(即加设方形外包钢板),因外包段顶部的塑性变形而破坏,能明显提高柱脚的受弯承载力,但其延性相较于采用钢筋混凝土包裹的柱脚会有所降低。通过有限元模拟构件抗震性能发现,有限元模拟结果与试验结果吻合较好。
  • 傅强, 王莉萍, 方常靖
    建筑结构学报. 2017, 38(S1): 198-203. https://doi.org/10.14006/j.jzjgxb.2017.S1.027
    摘要 ( ) PDF全文 ( )   可视化   收藏
    为了研究耐候钢管混凝土轴压短柱的受力性能,开展了矩形截面形式共4根耐候钢管混凝土轴压短柱试验研究,采用有限元法对试验轴压短柱性能进行了建模分析。结合试验和有限元法,分析比较耐候钢管混凝土轴压短柱与普通钢管混凝土轴压短柱受力性能的差异。研究结果表明:耐候钢材拉伸性能试验表明耐候钢材与碳素钢的力学性能相似,文中采用的钢材本构关系对耐候钢适用;设置约束拉筋使得构件承载力、延性以及钢管对混凝土的约束作用均有提高;耐候钢管混凝土短柱试验研究、有限元分析结果均表明耐候钢管混凝土短柱轴压性能与普通钢管混凝土无显著差异。
  • 夏松, 卢得仁, 丁发兴
    建筑结构学报. 2017, 38(S1): 204-209. https://doi.org/10.14006/j.jzjgxb.2017.S1.028
    摘要 ( ) PDF全文 ( )   可视化   收藏
    通过带拉筋方中空夹层钢管混凝土轴压短柱受力性能试验,研究了拉筋配箍率对试件承载力、刚度、延性及横向变形系数的影响。采用混凝土三轴受力状态本构模型和钢材本构模型,应用ABAQUS有限元分析软件建立并验证了带拉筋方中空夹层钢管混凝土轴压短柱三维实体有限元模型,有限元计算结果与试验结果吻合良好;在此基础上,分析了拉筋对内外方钢管和混凝土约束作用机理。研究结果表明:拉筋能有效缓解了方钢管的局部屈曲,对短柱承载力、刚度、延性的提高效果明显;拉筋加强了内钢管对混凝土的约束作用,使得内钢管受力更加合理,并且拉筋配箍率越大,约束作用越明显。
  • 甘丹, 周政, 周绪红, 李江,
    建筑结构学报. 2017, 38(S1): 210-217. https://doi.org/10.14006/j.jzjgxb.2017.S1.029
    摘要 ( ) PDF全文 ( )   可视化   收藏
    为改善方钢管对核心混凝土的约束效应和薄壁钢管混凝土柱的受力性能,提出了带斜拉肋方钢管混凝土柱,其中斜拉肋通长并焊接于钢管两邻边的三分点处。基于有限元软件ABAQUS,对带斜拉肋的方钢管混凝土短柱的轴压受力性能进行了精细化模拟,分析了斜拉肋的设置与否、钢管宽厚比、混凝土强度、斜拉肋厚度、钢材强度、斜拉肋与钢管之间焊缝间隔长度及斜拉肋孔径、间距对轴压力学性能的影响。结果表明:设置斜拉肋可使方钢管混凝土短柱的轴压承载力平均提高14.9%左右,并使方钢管对核心混凝土的约束效果增加,即组合作用系数从1.031平均增加到1.103,尤其可以明显改善大宽厚比方钢管混凝土柱的轴压承载力及组合作用;采用较薄厚度的斜拉肋,可使短柱的组合作用更好,并能充分发挥材料的性能。
  • 李斌, 郭世壮, 高春彦,
    建筑结构学报. 2017, 38(S1): 218-225. https://doi.org/10.14006/j.jzjgxb.2017.S1.030
    摘要 ( ) PDF全文 ( )   可视化   收藏
    为研究带肋薄壁方钢管混凝土轴压短柱的受力性能,以钢管宽厚比、加劲肋宽度和加劲肋个数为参数,对26个薄壁方钢管混凝土短柱进行了试验研究。研究结果表明:对于无肋试件,在达到承载力以前管壁已经发生鼓曲,且试件宽厚比越大,鼓曲越早发生,鼓曲部位的钢管截面越早退出工作,没有发挥出钢管混凝土的优势。设置加劲肋后薄壁方钢管混凝土短柱的受力性能得到明显改善,钢管壁的局部鼓曲得以延缓,材料强度得到了充分利用,试件承载力提高。当试件宽厚比为60、80时,加劲肋宽度对试件承载力影响最明显,加劲肋宽度越大,承载力越高,增加加劲肋个数对试件承载力影响不大;而当试件宽厚比为100时,设置单个加劲肋已不能满足对管壁局部屈曲的抗弯刚度要求,必须增加加劲肋的个数以增加约束钢管变形的支撑点,减小管壁局部屈曲的波长,提高试件局部屈曲的临界荷载。同时利用ABAQUS有限元计算软件对薄壁带肋方钢管混凝土轴压短柱的受力全过程进行了模拟,并将试验结果与有限元模拟结果进行了对比,两者吻合良好,为下一步分析奠定基础。
  • 李帼昌, 朱振华, 孙行, 刘昕鹤, 韩有伟
    建筑结构学报. 2017, 38(S1): 226-232. https://doi.org/10.14006/j.jzjgxb.2017.S1.031
    摘要 ( ) PDF全文 ( )   可视化   收藏
    对7个内置工字形CFRP型材的方钢管混凝土长柱进行了轴压性能试验研究,得到了荷载-跨中挠度曲线和荷载-应变曲线,并分析了其受力过程及破坏特征。试验结果表明:内置工字形CFRP型材的方钢管混凝土轴压长柱的破坏模式为弯曲失稳破坏。随着长细比的增大,试件的承载力降低。试件的荷载-挠度曲线可分为弹性段、弹塑性段以及下降段。采用ABAQUS有限元分析软件对内置工字形CFRP型材的方钢管混凝土轴压长柱受力性能进行有限元模拟,模拟结果与试验结果吻合良好。在此基础上,分析了长细比、混凝土强度、钢材强度、含钢率和有无CFRP对组合柱受力性能的影响。分析结果表明,长细比对柱的受力性能影响较大,随着长细比的增加柱的承载力明显下降;提高混凝土强度可以提高柱的承载力,但延性有所降低;提高钢材强度和增大含钢率均可以提高柱的承载力;设置工字形CFRP型材可以提高柱的承载力和变形能力。
  • 雷震, 李召, 从地文, 张继承, 杜国锋,
    建筑结构学报. 2017, 38(S1): 233-240. https://doi.org/10.14006/j.jzjgxb.2017.S1.032
    摘要 ( ) PDF全文 ( )   可视化   收藏
    为研究T形截面钢管混凝土短柱在轴向冲击荷载作用下的承载力,以及钢管内混凝土应力分布特点,将PVDF压电薄膜制作成一种可植入式压电应力传感器埋置在钢管内混凝土中,对T形截面钢管混凝土短柱进行轴向落锤冲击试验。通过PVDF电压应力传感器监测数据的转换获得钢管内混凝土应力变化规律,同时获得不同冲击高度下T形截面钢管混凝土短柱的冲击力时程曲线和抗冲击承载力。试验结果表明:T形截面钢管混凝土短柱具有较好的抗冲击性能,壁厚大的钢管混凝土柱其冲击力峰值较大,竖向变形较小、冲击持续时间较短,增加钢管壁厚可提高对混凝土的约束作用,增强钢管混凝土柱的抗冲击承载能力。
  • 童栋华, 余敏, 鲍浩, 叶建乔
    建筑结构学报. 2017, 38(S1): 241-248. https://doi.org/10.14006/j.jzjgxb.2017.S1.033
    摘要 ( ) PDF全文 ( )   可视化   收藏
    为研究连续性施工模式下早龄期钢管混凝土的力学性能,进行了6个圆形钢管混凝土短柱的多级加载试验,分析了初应力度、加载时间间隔、加载级数三个多级加载制度影响参数,并对多级加载后混凝土龄期为28d的试件进行了轴压承载力试验。试验结果表明:多级加载下早龄期圆形钢管混凝土短柱的徐变比较明显,不能忽略;不同加载制度下,试件初应力度越大、加载时间间隔越短、加载级数越多,其变形值越大;多级加载过程对圆形钢管混凝土短柱28d后的承载力影响较小。
  • 陈鹏, 王玉银, 刘昌永, 田宇
    建筑结构学报. 2017, 38(S1): 249-257. https://doi.org/10.14006/j.jzjgxb.2017.S1.034
    摘要 ( ) PDF全文 ( )   可视化   收藏
    为了研究钢管混凝土的尺寸效应问题,对18个圆钢管混凝土短柱进行了轴压试验,研究了试件截面弹性模量及峰值应力的尺寸效应变化规律。研究结果表明,圆钢管混凝土弹性模量受试件直径影响较小,几乎不存在尺寸效应,而峰值应力则存在一定的尺寸效应,并且受截面含钢率影响。对于截面含钢率4.5%的钢管混凝土试件,当试件直径由182mm增加到346mm时,其抗压强度由71.4MPa减小到68.9MPa,降低3.5%。此外,基于素混凝土尺寸效应及钢管混凝土承载力组成的分析,提出了不同约束水平下的钢管混凝土承载力尺寸效应计算公式。通过与文中试验数据及文献试验数据对比发现,所提出的计算公式能够准确预测钢管混凝土承载力。最后,通过对峰值应力尺寸效应进行参数分析发现,试件截面含钢率、钢材屈服强度及混凝土圆柱体轴心抗压强度均对峰值应力尺寸效应存在一定影响。
  • 马辉, 张鹏, 薛建阳, 董静, 田建勃
    建筑结构学报. 2017, 38(S1): 258-265. https://doi.org/10.14006/j.jzjgxb.2017.S1.035
    摘要 ( ) PDF全文 ( )   可视化   收藏
    为研究方钢管型钢再生混凝土短柱轴心受压性能,进行了11根短柱试件轴心受压试验,观察短柱的破坏过程及破坏形态,分析再生粗骨料取代率、方钢管宽厚比、型钢配钢率及再生混凝土强度等参数对短柱轴压性能的影响,研究结果表明:在轴向压力作用下,型钢先发生屈服,随后内部再生混凝土压溃,最后外部方钢管发生鼓曲变形而破坏;轴压承载力随着再生粗骨料取代率的增大而降低;提高再生混凝土强度对轴压承载力有利,但试件变形能力降低;适当减小方钢管宽厚比和增大型钢配钢率对提高试件的轴压性能有利,总体上,该组合柱具有较高的承载力和良好的变形能力。在此基础上,基于统一强度理论对该短柱轴压承载力进行理论分析,考虑再生粗骨料取代率的影响,提出了方钢管型钢再生混凝土短柱轴压承载力计算公式,计算结果与试验结果吻合较好,表明统一强度理论可用于该短柱轴压承载力计算。
  • 周绪红, 王宇航, 陆国兵, 狄谨,
    建筑结构学报. 2017, 38(S1): 266-271. https://doi.org/10.14006/j.jzjgxb.2017.S1.036
    摘要 ( ) PDF全文 ( )   可视化   收藏
    为研究中空夹层钢管混凝土柱在扭矩作用下的滞回性能,以截面形式和空心率为主要参数,开展了4个中空夹层钢管混凝土柱试件在扭矩作用下的拟静力试验,得到了中空夹层钢管混凝土柱在往复扭矩作用下的破坏模式和扭矩-转角关系曲线。试验结果表明:中空夹层钢管混凝土柱在往复扭矩作用下的扭矩-转角滞回曲线较为饱满,没有出现“捏拢”现象,卸载刚度与初始弹性刚度接近,具有较好的耗能能力。往复扭矩作用下,圆形截面中空夹层钢管混凝土柱的扭转性能较方形截面中空夹层钢管混凝土柱更优。在截面外轮廓形状和尺寸相同的条件下,空心率对中空夹层钢管混凝土柱在往复扭矩作用下扭转性能的影响不大。
  • 陈驹, 王军, 金伟良
    建筑结构学报. 2017, 38(S1): 272-277. https://doi.org/10.14006/j.jzjgxb.2017.S1.037
    摘要 ( ) PDF全文 ( )   可视化   收藏
    针对4m长内配钢筋钢管混凝土试件开展轴拉和偏拉试验,研究其受力过程及破坏形态,获得了试件的荷载-位移曲线、荷载-应变曲线和试件的受拉承载力及刚度,并与同尺寸的空钢管和钢管混凝土试件进行了比较。研究结果表明:内配钢筋可以有效地增加试件的受拉承载力和刚度,且当试件达到轴拉承载力时钢筋可以屈服;核心混凝土的存在使得外钢管在受拉时处于双向应力状态,从而提高了钢管混凝土试件的受拉承载力,壁厚为4mm和6mm的钢管混凝土试件的轴拉承载力相比空钢管分别提高13%和15%;在试验研究的基础上提出了内配钢筋钢管混凝土试件在轴拉和偏拉工况下的承载力和刚度计算公式,计算结果与试验结果吻合较好。
  • 盛叶, 赖成火, 黄文金, 王远洋
    建筑结构学报. 2017, 38(S1): 278-284. https://doi.org/10.14006/j.jzjgxb.2017.S1.038
    摘要 ( ) PDF全文 ( )   可视化   收藏
    以轴压比为变化参数,进行了4根圆形和4根哑铃形钢管混凝土柱的压弯试验,对两种截面钢管混凝土柱在压弯荷载作用下的变形模式、荷载-变形曲线和压弯相关曲线进行了对比分析。结果表明:两种截面钢管混凝土构件随着轴压比的增大,构件的延性呈降低的趋势,由于哑铃形截面面内刚度较大,相同轴压比下哑铃形钢管混凝土抵抗弯矩和变形的能力要强于圆形钢管混凝土。通过对圆钢管混凝土和哑铃形钢管混凝土压弯曲线的分析,发现直接采用圆钢管混凝土的压弯相关曲线方程计算哑铃形钢管混凝土,结果偏于保守,还需进一步的有限元分析才能提出适用于哑铃形钢管混凝土的压弯相关曲线。
  • 朱江, 丁发兴, 王莉萍
    建筑结构学报. 2017, 38(S1): 285-290. https://doi.org/10.14006/j.jzjgxb.2017.S1.039
    摘要 ( ) PDF全文 ( )   可视化   收藏
    通过井字形拉筋、米字形拉筋和圆环箍筋等3组拉筋约束形式带拉筋圆钢管混凝土短柱轴压性能对比试验,研究不同拉筋约束形式、拉筋体积配箍率对圆钢管混凝土轴压短柱的承载力和延性等的影响;采用合理的混凝土三轴受力本构模型和钢材本构模型,应用ABAQUS非线性有限元分析软件对带拉筋圆钢管混凝土轴压短柱进行三维有限元分析,有限元计算结果与试验结果吻合较好;在此基础上,分析了带拉筋圆钢管混凝土轴压短柱中钢管、拉筋或箍筋、核心混凝土之间的组合作用。结果表明:井字形拉筋圆钢管混凝土轴压短柱的承载力最高,延性最好,钢管、拉筋和核心混凝土之间的组合作用最强;提高体积配箍率可以有效提高圆钢管混凝土短柱的轴压承载力和延性。
  • 柯晓军, 安进, 廖定国, 苏益声,
    建筑结构学报. 2017, 38(S1): 291-297. https://doi.org/10.14006/j.jzjgxb.2017.S1.040
    摘要 ( ) PDF全文 ( )   可视化   收藏
    为研究全再生混凝土柱内配钢管后的轴压力学性能,设计5个内置钢管全再生混凝土组合柱试件和3个对比试件进行试验,分析体积配箍率和钢管面积比对试件承载力、延性和损伤性能的影响规律以及内配钢管后的组合效应。研究表明:钢管混凝土柱达到峰值荷载时刻滞后于中空钢筋混凝土柱,即在管外混凝土达到极限状态后,核心钢管混凝土逐渐发挥作用;随着体积配箍率的增加,组合柱的承载力和延性整体呈增长趋势,累积损伤增长变慢;提高钢管面积比,组合柱承载力降低,延性增强,提前进入损伤状态,但后期损伤发展缓慢;CECS 188:2005的计算结果与试验结果吻合良好,该规程可用于内置钢管全再生混凝土组合柱轴压承载力设计。
  • 张冰, 曹阳, 黄涛, 张婧, 江雨辰, 胡夏闽
    建筑结构学报. 2017, 38(S1): 297-301. https://doi.org/10.14006/j.jzjgxb.2017.S1.041
    摘要 ( ) PDF全文 ( )   可视化   收藏
    试验中设计了3根足尺的胶合木-轻骨料混凝土组合梁,对其进行了四点弯曲作用下的受力性能试验,主要研究参数为胶合木与轻骨料混凝土间的剪力连接件数量,即剪力连接程度;作为对比,同时进行了1根足尺的胶合木梁的四点弯曲试验。分析了胶合木和混凝土板两者界面的滑移曲线、梁的跨中荷载-挠度曲线等。结果表明:剪力连接件数量越多,其剪力连接程度越高,抗弯刚度越大;随着剪力连接程度的提高,胶合木-轻骨料混凝土的组合效应增加。
  • 刘玉擎, 王思豪, 庄卫林, 姚红兵
    建筑结构学报. 2017, 38(S1): 302-307. https://doi.org/10.14006/j.jzjgxb.2017.S1.042
    摘要 ( ) PDF全文 ( )   可视化   收藏
    为探讨折形钢板-混凝土组合梁的抗震性能,对剪跨比为2.2的折形钢板-混凝土组合梁1/4缩尺模型进行拟静力加载试验,分析了破坏过程、滞回曲线、承载力与延性、刚度退化、耗能能力等抗震性能。研究结果表明:剪跨比为2.2的折形钢板-混凝土组合梁发生典型的弯曲破坏,呈现延性破坏特征;滞回曲线饱满,捏缩现象较轻,滞回性能良好;位移延性系数约为3,等效阻尼系数大于0.2,表明折形钢板-混凝土组合梁延性和耗能能力较强。最后利用ABAQUS软件进行弹塑性有限元分析,分析结果与试验结果吻合较好。
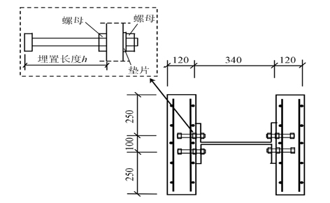
  • 杜浩, 张冰, 胡夏闽, 寇立亚, 夏煜
    建筑结构学报. 2017, 38(S1): 308-314. https://doi.org/10.14006/j.jzjgxb.2017.S1.043
    摘要 ( ) PDF全文 ( )   可视化   收藏
    为研究螺栓抗剪连接件在钢-混凝土组合梁中的受剪性能,对24个采用螺栓连接件的钢-混凝土组合试件进行了推出试验,分析了螺栓直径、螺栓强度、螺栓埋置长细比和混凝土强度等参数对螺栓连接件的破坏模式、荷载-滑移特性和受剪承载力的影响。研究结果表明:螺栓抗剪连接件的破坏模式主要为螺栓周围混凝土受压破坏和螺栓栓杆的剪断破坏;当发生混凝土受压破坏时,增大混凝土强度、螺栓直径、螺栓埋置长细比可以提高螺栓连接件的受剪承载力;当发生螺栓的栓杆剪断破坏时,提高螺栓强度可以提高螺栓连接件的受剪承载力。在试验研究的基础上,给出了不同破坏模式下钢-混凝土组合梁螺栓连接件的受剪承载力的计算方法,建议公式的计算结果与试验结果吻合较好。
  • 崔越, 朱伟庆, 刘永健
    建筑结构学报. 2017, 38(S1): 315-323. https://doi.org/10.14006/j.jzjgxb.2017.S1.044
    摘要 ( ) PDF全文 ( )   可视化   收藏
    为保证单孔PBL连接件在塑性阶段仍具备较高的残余受剪承载力和较好的延性,对22组未设置贯通钢筋和21组设置贯通钢筋的单孔PBL连接件的荷载-滑移曲线进行了统计分析,研究了板厚不小于9mm的单孔PBL连接件进入塑性阶段后的受剪机理。在此基础上,根据荷载-滑移曲线的延性特征将其进行分类,并给出了判别条件。研究表明:单孔PBL连接件塑性阶段的残余受剪承载力由混凝土榫沿剪切破坏面的黏结力、侧向约束力提供的受剪承载力以及贯通钢筋的销栓作用组成。根据塑性阶段的侧向约束力情况,将单孔PBL连接件荷载-滑移曲线分为Ⅰ类、Ⅱ类与Ⅲ类曲线。可通过控制约束强度比,避免未设置贯通钢筋和设置贯通钢筋的单孔PBL连接件的荷载-滑移曲线出现延性较差的第Ⅲ类曲线,并可通过控制贯通钢筋比,避免设置贯通钢筋的单孔PBL连接件的荷载-滑移曲线出现经济性较差的第Ⅱ类曲线;可通过联合控制约束强度比和构造钢筋比,避免荷载-滑移曲线出现峰值点处荷载突变。
  • 张冰, 黄涛, 徐晓晖, 冯贵森, 魏威, 胡夏闽
    建筑结构学报. 2017, 38(S1): 324-329. https://doi.org/10.14006/j.jzjgxb.2017.S1.045
    摘要 ( ) PDF全文 ( )   可视化   收藏
    为研究带双排栓钉的组合梁的纵向受剪性能,进行了7个带双排栓钉的钢-混凝土组合梁试件和1个带单排栓钉的钢-混凝土组合梁对比试件的纵向受剪试验。研究栓钉横向或纵向间距、横向配筋率、混凝土强度、栓钉排布方式等因素对带双排栓钉的钢-混凝土组合梁纵向受剪性能和混凝土板破坏形态的影响,并分析了各研究参数对峰值荷载和极限滑移量的影响。结果表明:带双排栓钉的钢-混凝土组合梁试件破坏模式主要表现为“八”字形裂缝的剪切破坏;栓钉横向、纵向间距、混凝土强度以及混凝土板配筋率是影响钢-混凝土组合梁受剪承载力的主要因素;受剪承载力均随着栓钉横向间距、纵向间距、混凝土强度以及混凝土板的横向配筋率的增加而增大。
  • 李冉, 李玉顺, 何佳伟, 许达
    建筑结构学报. 2017, 38(S1): 330-336. https://doi.org/10.14006/j.jzjgxb.2017.S1.046
    摘要 ( ) PDF全文 ( )   可视化   收藏
    为研究以冷弯薄壁型钢和竹材人造板通过结构胶复合而成的箱形截面钢-竹组合梁的受剪性能,以梁截面的翼缘及腹板竹胶板厚度、型钢翼缘宽度和剪跨比等为主要参数,对6根钢-竹组合箱形梁进行受剪试验,观察各级荷载作用下组合梁的应变和挠度发展,分析其破坏过程和破坏机理,研究组合梁受剪性能的影响因素,探讨钢-竹组合箱形梁的受剪承载力及变形计算方法。研究结果表明:钢-竹组合箱形梁整体工作性能优良且组合效应显著,其受力过程经历弹性和弹塑性两个阶段,具有良好的延性和安全储备;增加翼缘和腹板处竹胶板厚度可提高组合梁的受剪承载力,减小剪跨比可有效提高组合梁的受剪能力,同时适当减小型钢翼缘宽度能使梁的受剪性能进一步增强;采用所提出的组合梁的跨中挠度计算公式得到的计算值与试验值吻合较好,组合梁受剪承载力的计算公式所得结果偏于保守。
  • 刘界鹏, 周保旭, 余洁, 王宇航,
    建筑结构学报. 2017, 38(S1): 337-341. https://doi.org/10.14006/j.jzjgxb.2017.S1.047
    摘要 ( ) PDF全文 ( )   可视化   收藏
    为研究装配整体式钢-混凝土组合梁中栓钉抗剪连接件的受力性能,设计了10个栓钉抗剪连接件,对其进行推出试验,得到了现浇混凝土板和预制混凝土板中栓钉抗剪连接件在单调和重复荷载作用下的界面剪力-滑移曲线以及破坏形态。结果表明:预制混凝土板中栓钉受剪承载力比现浇混凝土中栓钉受剪承载力略低,均为栓杆剪断和栓钉根部焊缝破坏;重复荷载作用下峰值界面剪力对应的界面滑移明显大于单调荷载作用下峰值界面剪力对应的界面滑移;重复荷载作用下的峰值界面剪力与单调荷载下的峰值界面剪力相当,其界面剪力-滑移曲线基本一致。
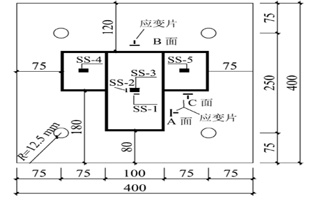
  • 邓文琴, 刘朵, 顾建成, 张建东, 胡隽
    建筑结构学报. 2017, 38(S1): 342-348. https://doi.org/10.14006/j.jzjgxb.2017.S1.048
    摘要 ( ) PDF全文 ( )   可视化   收藏
    通过4个抗剪连接件试件的单调加载和重复加载推出试验,研究双开孔钢板连接件的承载能力、荷载-位移关系、延性、初始刚度、刚度退化及耗能等力学性能。结果表明:双开孔钢板连接件初始刚度大,且具有较好的延性及耗能能力;加载初期荷载-位移曲线呈线性关系,该阶段承载力主要由贯穿孔内混凝土榫提供,随着荷载的增加,试件荷载-位移曲线出现第一个明显拐点,混凝土榫压碎后,荷载-位移曲线出现峰值点,该阶段承载力主要由贯穿钢筋提供;重复荷载下各试件初始刚度值与单调荷载下相差不大;随着加载循环次数的增加,试件刚度不断减小,试件耗能能力逐渐降低。目前国内外已有计算式所考虑因素和计算方法不尽相同,通过国内外87个开孔钢板模型试验结果与各公式计算值的对比发现,日本JSCE公式计算值与试验值吻合度最好。
  • 张婧, 胡夏闽, 张冰, 李林, 宗文睿
    建筑结构学报. 2017, 38(S1): 349-354. https://doi.org/10.14006/j.jzjgxb.2017.S1.049
    摘要 ( ) PDF全文 ( )   可视化   收藏
    为了研究型钢与部分外包混凝土的在拉力作用下的纵向剪力传递性能,对6个部分外包钢-混凝土组合构件进行了轴拉试验,对其破坏形态和荷载-滑移曲线进行了分析。试验中主要考虑了型钢与腹部混凝土的黏结长度、混凝土强度、栓钉连接件数量等影响因素。研究结果表明:部分外包钢-混凝土组合构件破坏形态主要表现为黏结破坏、混凝土压碎和栓钉剪断;轴拉试验和推出试验中无栓钉连接的部分外包型钢混凝土组合构件的黏结力均随着型钢与混凝土间的黏结长度的增加而增大;对于无栓钉和有栓钉组试件,轴拉试验和推出试验中型钢与混凝土间的受剪承载力均随着混凝土抗拉强度的增加而增大,且近似成线性关系;部分外包钢-混凝土组合构件的受剪承载力随栓钉数量的增加而增大;相较无栓钉组试件,采用2根栓钉连接和4根栓钉连接的轴拉试件,其受剪承载力分别可提高近100%和250%。
  • 贺君, 王思豪, 刘玉擎, 金文刚, 李传习, 邓治国
    建筑结构学报. 2017, 38(S1): 355-361. https://doi.org/10.14006/j.jzjgxb.2017.S1.050
    摘要 ( ) PDF全文 ( )   可视化   收藏
    为改善波形腹板与底板连接构造混凝土浇筑质量与耐久性能,提出翼缘钢板下移至混凝土板底面,开孔板连接件垂直焊接于波形钢板并贯穿钢筋的下包型连接构造。通过设计具有不同开孔板厚度、形状及焊接宽度等参数的连接构造试件,开展标准推出试验,研究其受剪承载力、抗剪刚度、剪切破坏模式以及相对滑移特征。在试验研究的基础上,考虑钢材理想弹塑性、混凝土塑性模型以及钢-混凝土界面非线性接触,建立适用连接构造受剪分析的精细有限元模型,分析结果与试验结果吻合较好。通过验证的有限元模型进行参数分析,结果表明,增加开孔钢板的厚度和混凝土的抗压强度可有效提高受剪承载力。最后,基于模型试验与有限元参数分析结果,提出布置开孔板连接的下包型构造受剪承载力的计算式,可对开孔钢板连接面外受剪承载力进行较为准确地预测。
  • 王伟, 秦希, 王俊杰,
    建筑结构学报. 2017, 38(S1): 362-368. https://doi.org/10.14006/j.jzjgxb.2017.S1.051
    摘要 ( ) PDF全文 ( )   可视化   收藏
    以2种方钢管混凝土柱-H形钢梁栓焊连接刚性节点为研究对象,通过静力试验和数值模拟考察梁柱节点在结构连续性倒塌条件下的受力性能,并对比内隔板与贯通式隔板两种柱横向加劲板形式对节点子结构抗力机制发展以及承载能力的影响。结果显示,节点初始破坏均位于梁下翼缘的连接截面。节点子结构在加载前期主要通过弯曲机制提供竖向抗力,在加载后期逐渐转变为依靠悬链机制抵抗上部荷载。相比于内隔板构造,贯通式隔板构造使梁下翼缘更容易产生断裂,梁下翼缘断裂所对应节点子结构变形大小主要对弯曲机制的发展产生影响,进而影响到节点子结构所能承担的最大动荷载。
  • 孙超杰, 李庆华, 吕君锋
    建筑结构学报. 2017, 38(S1): 369-375. https://doi.org/10.14006/j.jzjgxb.2017.S1.052
    摘要 ( ) PDF全文 ( )   可视化   收藏
    开展了型钢-超高韧性水泥基复合材料(UHTCC)组合节点静载性能试验研究,同时与型钢-普通混凝土组合节点进行比较,主要分析荷载-梁挠度关系、裂缝开展情况、节点破坏形态以及水泥基材料和内部钢材的变形协调关系。研究结果表明:UHTCC在组合节点中能够发挥良好的裂缝控制能力并使裂缝无害化分散;非节点区梁和节点区板的起裂荷载分别提高到型钢-普通混凝土组合节点的1.36和3.58倍;型钢-UHTCC组合节点承载力和变形能力分别高于相同形式型钢-普通混凝土组合节点的10%和49%;在加载过程中UHTCC与内部钢材变形协调,表明两者之间具有较好的黏结性能,能够协同受力。
  • 项贻强, 郭树海, 邱政, 陈政阳, 林亨
    建筑结构学报. 2017, 38(S1): 376-383. https://doi.org/10.14006/j.jzjgxb.2017.S1.053
    摘要 ( ) PDF全文 ( )   可视化   收藏
    设计制作4片具有不同栓钉布置方式的钢-混凝土组合小箱梁模型进行试验研究,并进一步采用有限元法,考虑组合梁材料的本构关系和接触问题等,对其从弹性荷载至极限荷载下的受力行为进行分析,得到从开始加载至极限荷载下各模型梁的荷载-挠度曲线、跨中钢梁底板应变随荷载的变化曲线和弹性阶段钢梁与混凝土板相对滑移的分布,以及组合梁的屈服荷载、极限荷载和破坏时混凝土板的应力云图等。与试验测试结果的对比表明,采用群钉布置的快速施工组合梁达到完全抗剪要求时,组合梁承载能力与焊钉数量和布置型式关系不大,按照文中建立的有限元模型能较好地分析预测快速施工不同群钉设计参数下钢-混组合梁的屈服荷载和极限荷载。
  • 徐嫚, 吴振宇, 张令心, 梁思雨
    建筑结构学报. 2017, 38(S1): 384-393. https://doi.org/10.14006/j.jzjgxb.2017.S1.054
    摘要 ( ) PDF全文 ( )   可视化   收藏
    为了研究地震作用下方钢管混凝土柱-钢梁角钢连接节点的受力性能,设计了3个梁柱节点试件并对其进行低周往复循环荷载试验,分析了角钢短肢长肢比和角钢厚度对试件的刚度、承载力、耗能能力、延性性能及节点域剪切变形的影响。试验结果表明:角钢连接的塑性铰出现在角钢与柱壁相接触部位,往复荷载下最终破坏形态为角钢与柱壁焊接部位出现角钢撕裂现象,通过增加角钢短肢长肢比和增加角钢厚度可以将塑性铰外移,使角钢与柱壁相接触部位的撕裂程度减轻,从而有效保护节点核心区。增加角钢的厚度对节点的初始刚度及承载力影响明显,随着角钢厚度的增加,节点的初始刚度和承载力随之增加;增加角钢短肢长肢比能够提高节点的耗能能力和刚度。该节点具有较高的承载力、刚度及较大的变形能力,符合抗震设计理念。
  • 门进杰, 王凯, 兰涛, 张雅融
    建筑结构学报. 2017, 38(S1): 394-401. https://doi.org/10.14006/j.jzjgxb.2017.S1.055
    摘要 ( ) PDF全文 ( )   可视化   收藏
    针对所提出的钢梁腹板贯通、翼缘板部分切除的钢筋混凝土柱-钢梁(RCS)组合节点,在试验时发生局压破坏的现象,通过有限元建模和分析,探讨了翼缘板切除程度对节点破坏机制和破坏模式的影响,给出了翼缘伸入节点区长度的建议值来保证钢梁对混凝土的约束作用。为充分发挥节点区混凝土的抗剪作用,使其形成斜压杆机构来保障节点的高效传力,进一步探讨了柱端箍筋加密、设置延伸面承板等构造措施对节点破坏模式、破坏机制和承载力的影响。结果表明:柱端箍筋加密对节点的变形性能和延性影响较大;设置延伸面承板不仅可以提升节点区混凝土的抗剪作用,还可以改善节点的破坏模式,提高节点的承载力。最后,给出了该类型节点的设计构造建议:钢梁翼缘伸入节点区的长度不应小于柱截面高度的30%;节点应采取设置延伸面承板、柱端箍筋加密等构造措施。
  • 陈娟, 孙伟健, 聂建国
    建筑结构学报. 2017, 38(S1): 402-408. https://doi.org/10.14006/j.jzjgxb.2017.S1.056
    摘要 ( ) PDF全文 ( )   可视化   收藏
    为研究钢管混凝土空间相贯节点的空间效应,通过精细化有限元模拟对钢管混凝土空间相贯节点的受力性能进行了研究。建模时考虑了材料非线性、几何非线性、钢管与混凝土之间的接触非线性,建立了钢管混凝土KK形相贯节点的精确有限元模型,研究了空间效应对节点承载能力和破坏模式的影响。结果表明:钢管混凝土空间相贯节点的承载力远高于钢管空间相贯节点;钢管混凝土空间相贯节点和平面相贯节点的破坏模式相同,破坏模式有两种,一种是主管管壁冲剪破坏和受压支管屈服联合破坏,发生在支管管壁较薄的情况,另一种是主管管壁冲剪破坏;空间效应对钢管和钢管混凝土相贯节点承载力的影响不同,对于钢管混凝土相贯节点,支管空间夹角60°的节点承载力较平面节点有所降低,在设计时应该考虑空间效应的影响;空间效应对钢管混凝土空间相贯节点刚度影响不大。
  • 李成玉, 戚玉林, 许成祥, 孙嘉冬
    建筑结构学报. 2017, 38(S1): 409-416. https://doi.org/10.14006/j.jzjgxb.2017.S1.057
    摘要 ( ) PDF全文 ( )   可视化   收藏
    传统的钢管混凝土柱-钢梁T形件节点易出现柱或者钢梁损伤严重的情况,不利于震后快速修复。以常规T形件和设置长槽孔T形件作为耗能构件,保证柱和梁损伤较小甚至不受损伤,实现耗能构件的可替换。对3个常规T形件节点和2个设置长槽孔T形件节点进行了数值模拟,分析了T形件翼缘厚度、T形件翼缘及腹板宽度、下T形件设置长槽孔、单边抗剪角钢等因素对节点滞回曲线、初始刚度、极限转角、延性系数、耗能能力的影响。研究结果表明:节点整体耗能较好,设置长槽孔T形件节点可显著提高节点延性,增加抗剪角钢的长槽孔T形件节点可显著提高节点耗能能力,该类节点滞回曲线呈饱满梭形,耗能表现为摩擦耗能和T形件塑性变形耗能共同作用;对于常规T形件节点,建议T形件翼缘厚度与腹板厚度的比值小于2.0。
  • 高飞, 周红, 梁鸿骏
    建筑结构学报. 2017, 38(S1): 417-422. https://doi.org/10.14006/j.jzjgxb.2017.S1.058
    摘要 ( ) PDF全文 ( )   可视化   收藏
    在试验研究基础上,对主管填充混凝土的T形节点受火后的剩余承载力进行有限元分析,结果表明:经历400℃以下的高温作用后,T形节点的剩余承载力未出现明显下降。但随着受火温度的升高,T形节点的剩余承载力呈非线性下降;同时,内填混凝土后钢管T形节点的受火后平均剩余承载力是相同参数空钢管T形节点剩余承载力的3倍以上,这是因为内填混凝土后可有效防止主管与支管节点处发生凹陷,使得钢管T形节点的破坏模式由节点相贯区主管凹陷破坏变为主管弯曲破坏,从而使钢管和混凝土的材料强度能够得到充分发挥;但内填混凝土抗压强度对承载力影响有限;此外,当试件从高温下冷却到常温后,由于混凝土强度未能同钢材得到较大恢复,因此内填混凝土T形节点受火后剩余承载力相比空钢管T形节点减少的更为明显。
  • 沈锐利, 谢博,
    建筑结构学报. 2017, 38(S1): 423-429. https://doi.org/10.14006/j.jzjgxb.2017.S1.059
    摘要 ( ) PDF全文 ( )   可视化   收藏
    为探讨钢-混凝土组合梁自锚式悬索桥中主缆锚固力在主梁中的传递机制,以某大桥工程实例为原型,采用实桥测试试验和有限元法分析对自锚式钢-混组合梁悬索桥主缆锚固区的受力进行研究。结果表明:在恒载作用下,组合梁中混凝土板与钢主梁之间的剪力钉能有效抗剪,保证结构整体受力性能的要求;采用杆系全桥模型与局部精细化模型相结合,可以准确计算组合梁应力状况;主缆锚固力通过锚碇传递至组合梁主梁时,主梁发生纵向压缩与面外弯曲,主要受力构件为钢梁顶板和外腹板,钢梁通过腹板上方剪力钉将部分内力传递至上方混凝土板,在横梁作用下分布在两侧的内力向中间扩散,最终形成截面整体共同受力。
  • 王习之, 刘玉擎, 唐亮
    建筑结构学报. 2017, 38(S1): 430-434. https://doi.org/10.14006/j.jzjgxb.2017.S1.060
    摘要 ( ) PDF全文 ( )   可视化   收藏
    为研究外包钢中空混凝土柱组合桥塔在轴压荷载下的受力性能,进行模型试验和有限元分析,研究了破坏形态、荷载-变形关系和传力机理等。研究结果表明:该组合桥塔能够充分发挥混凝土和钢材的承载能力,其变形能力得到提高;钢壁板荷载逐渐传递至中空混凝土,且荷载传递主要发生在桥塔上部;钢-混凝土结合面上的开孔板连接件,不仅受剪发挥传递荷载作用,其抗拉拔作用还能阻止局部屈曲破坏前钢壁板与混凝土柱的剥离;顶部开孔板刚度折减后,连接件剪力竖向分布趋于均匀;承压板构造有利于荷载传递、扩散,使底座混凝土受力均匀。
  • 赵秋红, 张建周, 李忠献,
    建筑结构学报. 2017, 38(S1): 435-443. https://doi.org/10.14006/j.jzjgxb.2017.S1.061
    摘要 ( ) PDF全文 ( )   可视化   收藏
    为研究圆端形不锈钢管混凝土桥墩的滞回性能,采用有限元分析软件ABAQUS,建立了圆端形不锈钢管混凝土桥墩的精细化模型,对比研究其与圆端形普通钢管混凝土桥墩受力性能的差异,并对影响其滞回性能的主要因素进行参数分析。研究发现:采用不锈钢与普通钢的圆端形钢管混凝土桥墩承载力相当,但由于不锈钢存在较为显著的应变强化现象,前者的荷载-位移曲线下降更为平缓,圆端形不锈钢管在加载后期仍能对核心混凝土提供较好的约束作用;随截面长宽比增加,圆端形不锈钢管混凝土桥墩的水平承载力明显增加,但位移延性明显下降;随含钢率增加,桥墩的抗侧刚度、水平承载力、位移延性均明显增加;随轴压比增加,桥墩水平承载力略有降低,而位移延性明显下降;而核心混凝土强度对桥墩的滞回性能影响有限。
  • 殷海棠, 耿悦, 阳环宇, 王玉银,
    建筑结构学报. 2017, 38(S1): 444-450. https://doi.org/10.14006/j.jzjgxb.2017.S1.062
    摘要 ( ) PDF全文 ( )   可视化   收藏
    现有规范采用“等效梁柱法”计算长细比不超过80的钢管混凝土拱的平面内稳定承载力,而实际工程中有近20%拱桥拱肋长细比超过上述限值,即大长细比钢管混凝土拱。因此,利用ABAQUS建立了有限元分析模型,在基于现有试验数据验证模型可靠性的基础上,对大长细比抛物线形钢管混凝土无铰拱在竖向均布荷载作用下的平面内稳定性能进行了分析,研究了长细比、矢跨比、含钢率、混凝土强度和钢材强度对拱肋平面内稳定承载力的影响;基于参数分析结果,对现有平面内整体稳定系数公式进行修正,提出了大长细比抛物线形钢管混凝土拱平面内稳定承载力设计公式。结果表明:拱肋稳定承载力随长细比增大显著降低,随矢跨比和含钢率增加近似线性提高。其中,矢跨比对大长细比拱肋影响更为显著,而含钢率对采用高强钢的拱肋影响更大;所提出的设计公式计算结果与有限元分析结果吻合良好,有限元分析结果与公式预测结果比值的均值为1.02~1.08,标准差为0.039~0.051,变异系数为3.74%~4.72%。
  • 韦建刚, 平建春, 陈礼榕, 吴庆雄, 陈宝春
    建筑结构学报. 2017, 38(S1): 451-456. https://doi.org/10.14006/j.jzjgxb.2017.S1.063
    摘要 ( ) PDF全文 ( )   可视化   收藏
    开展了考虑吊杆非保向力效应的哑铃形截面钢管混凝土单肋拱空间受力性能全过程试验,结果表明:横向加载初期,横向荷载-位移曲线就呈非线性特征,这一非线性特征是由几何非线性引起的;随着横向荷载的增大,面外初始缺陷对拱肋空间受力性能的影响程度逐渐降低。采用经试验结果验证的双重非线性有限元模型,进一步开展了哑铃形截面钢管混凝土单肋拱吊杆非保向力效应的初步分析,结果表明吊杆非保向力效应的存在,可显著提高拱结构空间受力性能,且随着吊杆力的增大,其提升效果愈加明显。
  • 宋波, 张辉, 冯国俊, 刘诗净
    建筑结构学报. 2017, 38(S1): 457-464. https://doi.org/10.14006/j.jzjgxb.2017.S1.064
    摘要 ( ) PDF全文 ( )   可视化   收藏
    以位于高地震烈度区的某实际港口防护用的大直径薄壁钢圆筒-筒内改良土防波堤结构为研究对象,基于有限元数值模拟与室内振动台试验,探讨钢圆筒不同入土深度对该结构抗震稳定性的影响规律,得到在不同峰值加速度的地震波作用下,不同钢圆筒埋深比结构的位移与加速度时程反应曲线、地震作用前后地基土体的剪应力分布曲线。研究结果表明:钢圆筒埋深比、地震动峰值加速度、地基土压力是显著影响防波堤结构动力稳定性的重要参数,并且三者具有紧密的关联性。随着钢圆筒埋深比的增大,其地震位移响应与加速度响应呈现相反的变化趋势,并且地震前后的地基土压力变化幅度也相差较远。基于实际钢圆筒防波堤工程的场地条件与抗震等级,为保证钢圆筒防波堤结构的正常使用状态,提出了钢圆筒埋深比的合理取值范围。
  • 李筑轩, 陈涛, 赵淇, 王衔
    建筑结构学报. 2017, 38(S1): 465-470. https://doi.org/10.14006/j.jzjgxb.2017.S1.065
    摘要 ( ) PDF全文 ( )   可视化   收藏
    为研究偏心误差对海上风机灌浆连接段受弯性能的影响,完成了3根灌浆连接段四点弯曲静力加载试验,对比竖向荷载-挠度曲线、纵向应变分布等。同时采用ABAQUS进行有限元数值分析,通过比较破坏形态,荷载-位移曲线,验证模型的合理性。研究结果表明,在纯弯矩作用下,灌浆连接段最终破坏模式为套管受弯破坏并伴随局部屈曲,试件受拉侧浆体端部出现径向裂缝,同时还观察到浆体与钢管接触面张开。对该连接段进行有限元参数分析,考察灌浆材料强度、钢管材料屈服强度、偏心距和套管厚度对其受力性能的影响。试验与数值分析结果均表明在现有偏心距范围内,偏心误差对灌浆连接段受弯承载力影响有限。而钢管屈服强度和套管厚度会显著影响连接段的荷载-位移曲线。钢管屈服强度的增加会显著提高其承载力,而随着套管厚度的增加,破坏模式转为桩管受弯破坏,承载力小幅增长。
  • 查晓雄, 陈德劲, 王维肖, 余敏, 徐礼华
    建筑结构学报. 2017, 38(S1): 471-477. https://doi.org/10.14006/j.jzjgxb.2017.S1.066
    摘要 ( ) PDF全文 ( )   可视化   收藏
    通过求解纯弯作用下内配钢管、钢筋、工字型钢的钢管混凝土构件极限状态下平衡方程,得到了内配加劲件钢管混凝土构件的受弯承载力理论计算式。设计3组9根内配加劲件钢管混凝土试件进行纯弯试验,得到构件的受弯承载力及其弯矩-跨中挠度曲线、弯矩-跨中应变关系曲线、弯矩-曲率曲线,曲线可分为3个阶段,对应构件的弹性阶段、弹塑性阶段以及应力强化阶段,内配加劲件钢管混凝土纯弯过程中具有较好的延性;将受弯承载力理论值与试验值进行对比,平均比值为0.9199,平均相对误差为8%,表明理论公式较为准确,理论值皆小于试验值,说明理论公式较保守。以内配钢管为例,建立内配钢管的钢管混凝土在纯弯作用下的有限元模型,通过改变内配钢管的厚度和强度,可知内配钢管的钢管混凝土受弯承载力随着内配钢管的厚度和强度增大而增大。
  • 王庆利, 凌张娜, 陈东
    建筑结构学报. 2017, 38(S1): 478-484. https://doi.org/10.14006/j.jzjgxb.2017.S1.067
    摘要 ( ) PDF全文 ( )   可视化   收藏
    以横向CFRP约束系数、纵向CFRP增强系数和混凝土立方体抗压强度为主要参数,进行了18个CFRP-方形截面钢管混凝土(S-CF-CFRP-ST)构件扭转性能试验研究。试验结果表明,S-CF-CFRP-ST构件的扭矩-转角曲线对应试件受力的弹性阶段、弹塑性阶段和塑性阶段;钢管和CFRP可以协同工作;纵向应变与横向应变均为拉应变,45°方向为压应变;构件的变形近似符合平截面假定。应用ABAQUS有限元分析软件模拟了S-CF-CFRP-ST构件的扭矩-转角曲线,计算结果与试验结果吻合良好。有限元参数分析结果表明,钢材屈服强度、混凝土强度、CFRP层数和含钢率的提高不改变S-CF-CFRP-ST构件的扭矩-转角曲线的形状;但钢材屈服强度或含钢率的提高可以显著提高受扭承载力,混凝土强度的提高对构件承载力有所提高,而CFRP层数的增加可使承载力略有提高;含钢率的提高可以提高构件弹性阶段的刚度。
  • 陈德劲, 查晓雄, 李松波, 余敏, 徐礼华
    建筑结构学报. 2017, 38(S1): 485-492. https://doi.org/10.14006/j.jzjgxb.2017.S1.068
    摘要 ( ) PDF全文 ( )   可视化   收藏
    为研究内配加劲件钢管混凝土构件在非全截面受拉时的内外钢构件共同工作性能,设计了主材构件分别为内配钢筋和内配型钢的钢管混凝土塔架缩尺加载试验,分析内外钢构件的荷载-应变曲线和内外钢构件应力比值。试验结果表明,内配加劲件钢管混凝土在非全截面受拉时,内外钢构件能够共同工作并且两者应力比值为1。采用有限元分析软件ABAQUS进行数值模拟,并将计算结果与试验结果进行比较,两者吻合较好;有限元分析结果表明,内外钢构件应变发展规律基本一致,内外钢构件变形协调;当桁架在侧向荷载作用下达到承载力极限状态时,内部钢构件和主管也分别达到了屈服应力,主管中的内部钢构件可以完全发挥材料强度,内外钢构件可以共同受力。
  • 张颖, 刘昌永, 王玉银, 尹航
    建筑结构学报. 2017, 38(S1): 493-501. https://doi.org/10.14006/j.jzjgxb.2017.S1.069
    摘要 ( ) PDF全文 ( )   可视化   收藏
    将混凝土视为砂浆、骨料及过渡界面组成的三相复合材料,采用随机骨料模型从细观角度对混凝土轴压破坏过程及抗压强度尺寸效应进行数值分析。该模型中考虑了混凝土级配以及骨料分布的影响,通过赋予各相材料塑性损伤本构关系并引入初始缺陷来模拟混凝土破坏过程中裂缝的产生与扩展。通过与试验数据进行对比,认为所建立随机骨料细观模型能够较好地反映混凝土抗压强度尺寸效应规律。分析结果表明:初始缺陷大小对混凝土抗压强度尺寸效应影响显著,而混凝土强度等级与缺陷位置对尺寸效应影响较小。通过对混凝土轴压破坏机理进行分析,发现基于能量释放的尺寸效应模型能够较好地解释混凝土的破坏过程和预测模拟结果。
  • 黄文金, 盛叶, 张正宾, 姚鹏宇, 陈辉
    建筑结构学报. 2017, 38(S1): 502-507. https://doi.org/10.14006/j.jzjgxb.2017.S1.070
    摘要 ( ) PDF全文 ( )   可视化   收藏
    为研究钢管-钢纤维活性粉末混凝土(RPC)界面黏结强度,共进行了27根钢管-RPC试件的推出试验,主要参数包括钢管壁厚、钢纤维体积掺量和养护温度。试验研究发现:钢管-RPC的荷载-滑移全过程曲线不同于普通钢管混凝土,具体表现为钢管-RPC的荷载-滑移曲线无明显初始峰值点,且曲线出现二次上升段;试验参数中养护温度、钢管壁厚和钢纤维体积掺量对钢管-RPC界面初始黏结强度和极限黏结强度的影响规律不同;钢管壁厚从1.41mm增大到3.45mm,初始和极限黏结强度分别提高了68%和64%;养护温度由20℃增加到90℃后,初始和极限黏结强度分别提高了30%和11%;不同体积掺量范围内钢纤维对黏结强度影响规律不同,表现为体积掺量从0%增加到1%时初始和极限黏结强度分别降低了2%和11%,而从1%增加到3%时初始和极限黏结强度分别提高了54%和21%。
  • 王维肖, 查晓雄, 陈德劲
    建筑结构学报. 2017, 38(S1): 508-512. https://doi.org/10.14006/j.jzjgxb.2017.S1.071
    摘要 ( ) PDF全文 ( )   可视化   收藏
    为了研究内配钢管的钢管混凝土黏结强度,对12个内配钢管的钢管混凝土试件进行了拉拔试验和16个内配钢管的钢管混凝土试件进行了推出试验,大部分拉拔试件和推出试件表现为内管与混凝土之间黏结破坏,只有少数试件因为加工误差导致外管与混凝土之间黏结破坏。通过试验得到了各试件的黏结滑移相关数据,绘制出各试件的荷载-滑移曲线,曲线总体表现出先上升后下降的特点。试验结果表明,钢管拉拔时的黏结强度比钢管推出时小,拉拔内钢管时的平均黏结强度为0.63MPa,推出内钢管时的平均黏结强度则为0.76MPa;钢管径厚比对黏结强度影响最显著,对钢管径厚比与黏结强度关系进行拟合,得到钢管径厚比与黏结强度拟合公式,并与试验值、规范值对比,拟合值与试验值的比值在0.833~1.262之间,规范值与试验值比值在1.045~1.258之间,三者较为吻合。